GM Service Manual Online
For 1990-2009 cars only
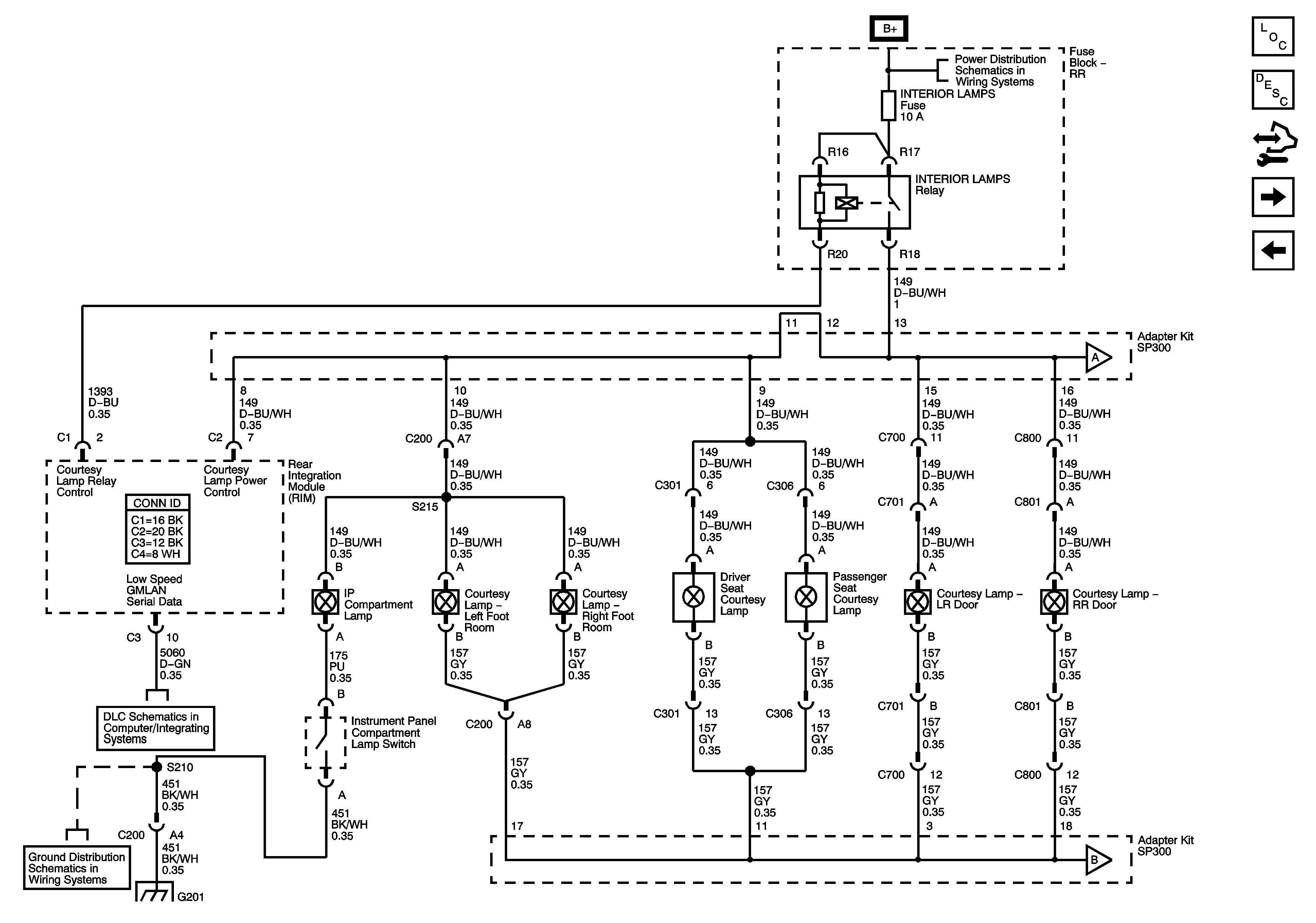
Figure 1:

Courtesy Lamp


Object Number: 2013120  Size: FS
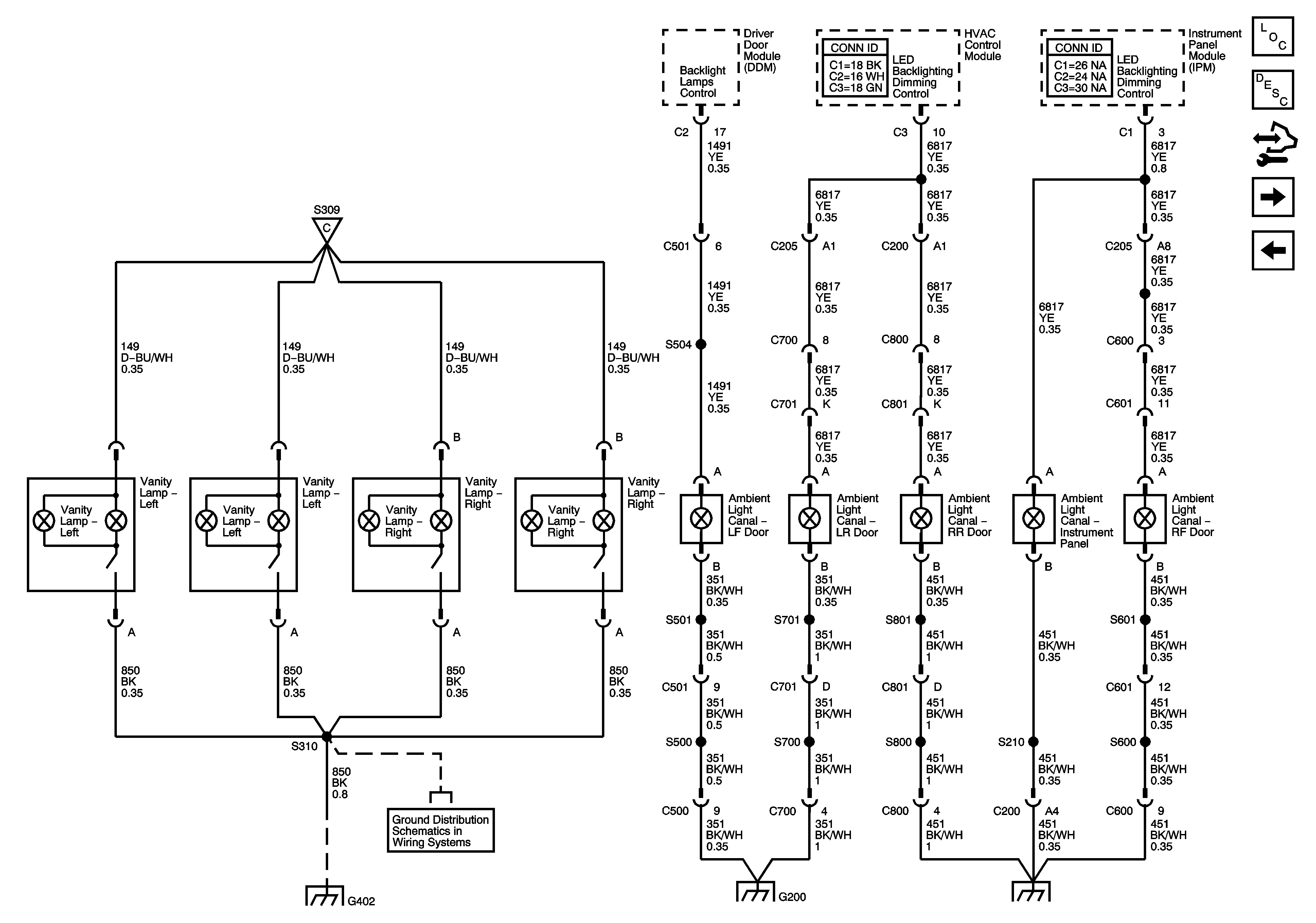
Figure 2:

Roof Cluster Lamp


Object Number: 2013125  Size: FS
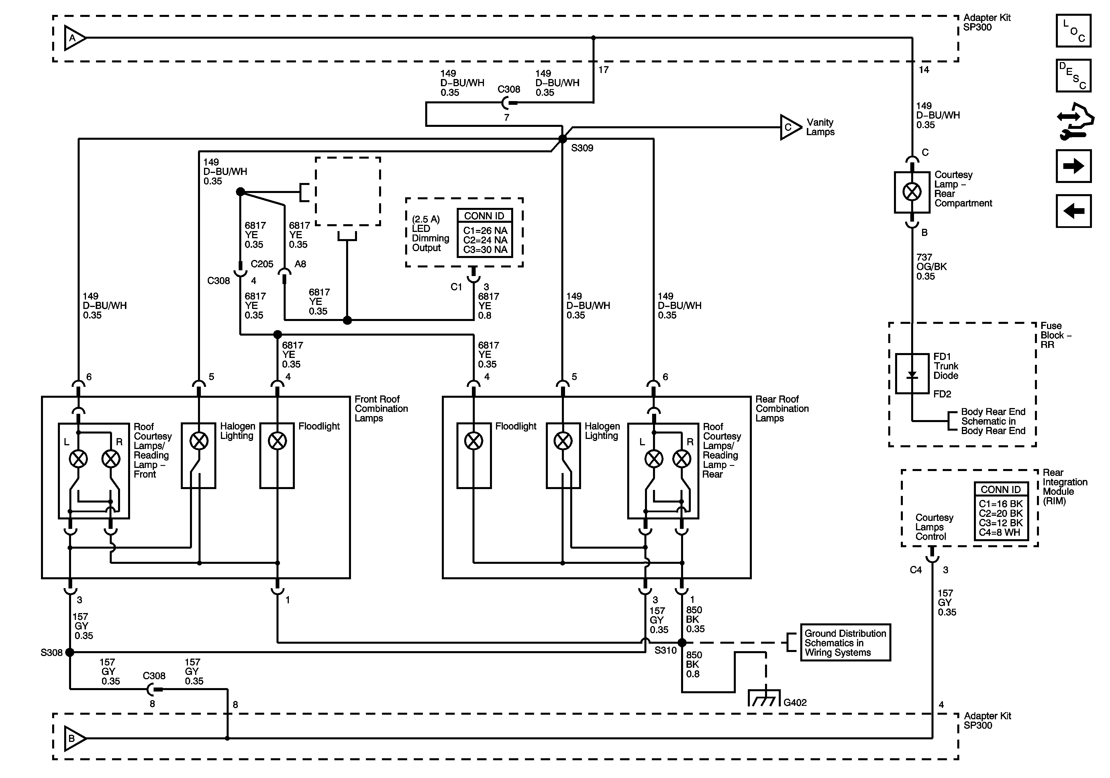
Figure 3:

Vanity Mirror and Molding Lamp


Object Number: 2013128  Size: FS
Figure 4:

Front Door Puddle Lamps, DIC/Dimmer Switch


Object Number: 2013130  Size: FS