GM Service Manual Online
For 1990-2009 cars only
Figure 1:

Front of Vehicle


Object Number: 1276471  Size: LF
(1)Radiator
(2)Radiator Surge Tank
(3)After Boil Coolant Pump (V92)
(4)A/C Compressor Clutch
(5)Engine Control Module (ECM) (LH2)
(6)A/C Refrigerant Pressure Sensor
(7)Ambient Air Temperature Sensor
(8)Hood Latch
(9)Cooling Fan - Left (LH2)
(10)Cooling Fan - Right (LH2)
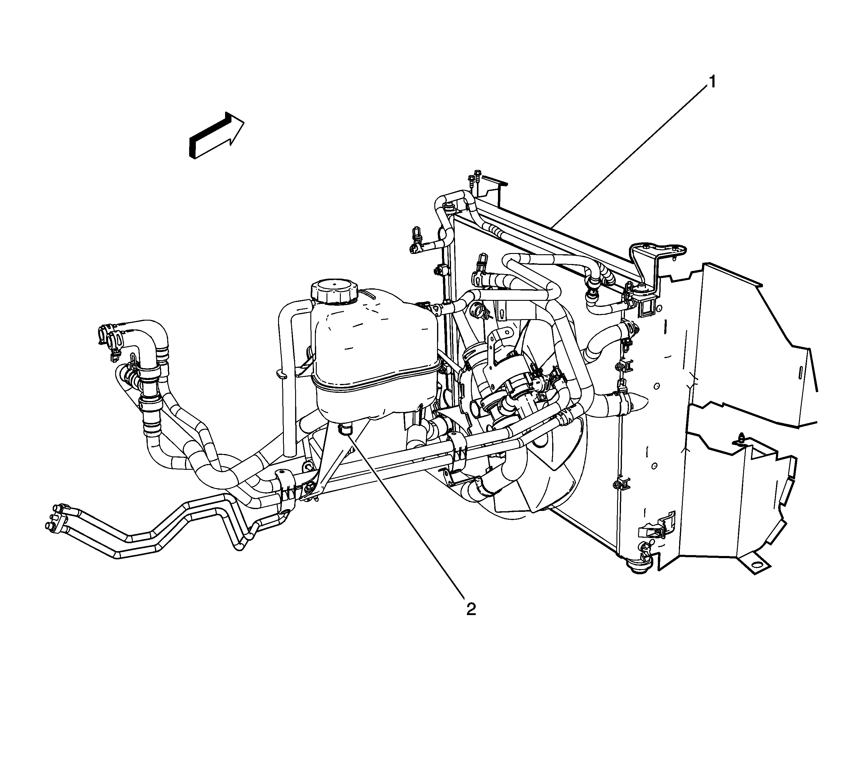
Figure 2:

Coolant Level Switch


Object Number: 1374037  Size: LF
(1)Radiator Support
(2)Coolant Level Switch