GM Service Manual Online
For 1990-2009 cars only
Makes
🢒
Cadillac
🢒
2004
🢒
SRX
🢒
Accessories
🢒
Entertainment
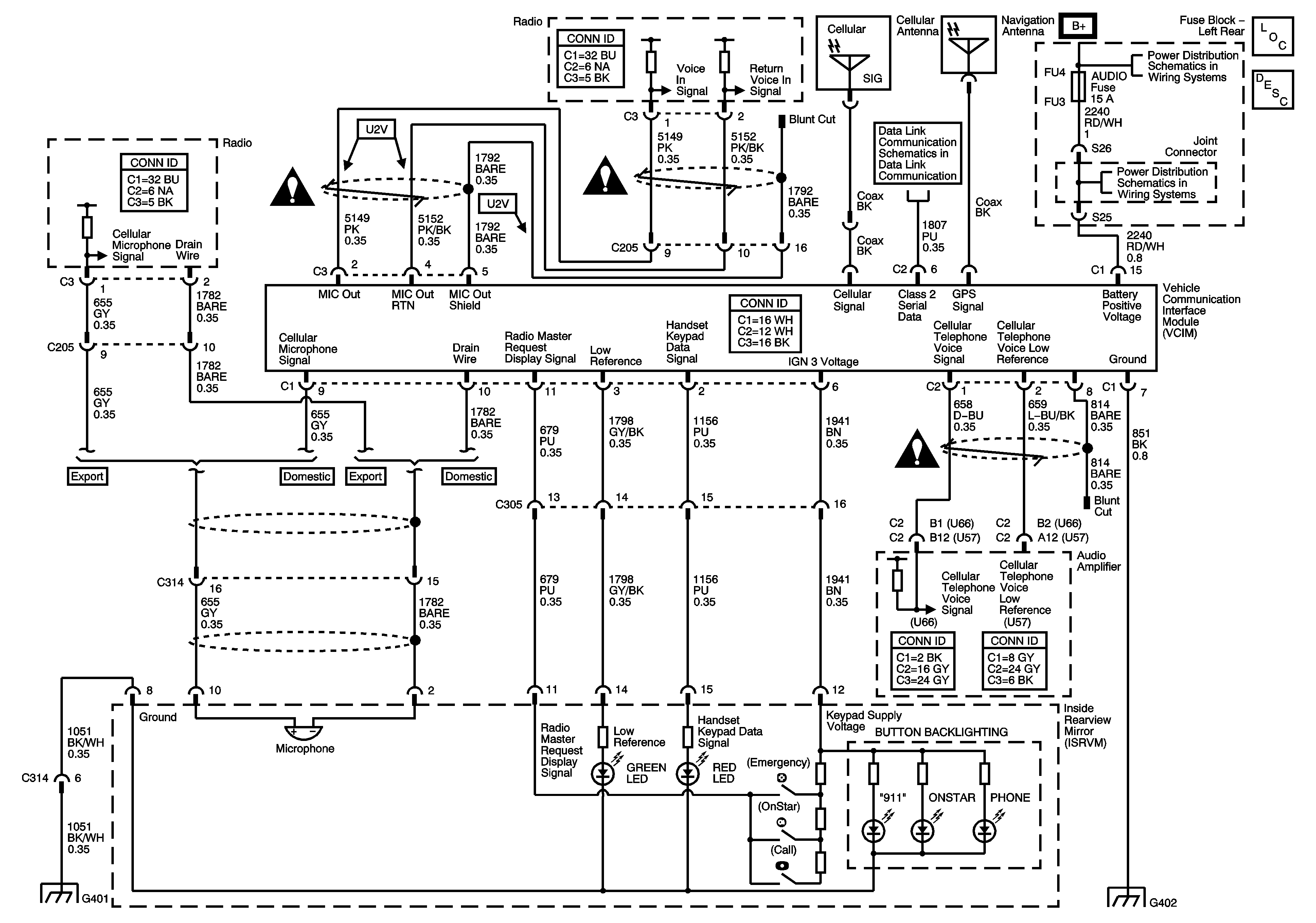
🢒 OnStar Schematics
Master Electrical Component List
OnStar Description and Operation
Fuse Block - Left Rear B+ Bus
AMP, AUDIO, DRIVER DR MOD ELC COMP, L FRT HTD SEAT MOD, MEM/ADAPT SEAT, and REAR DR MOD Fuses
Class 2 Serial Data - 2 of 2
Cellular Communication Schematic Icons
Cellular Communication Schematic Icons
Cellular Communication Schematic Icons
G401 - 2 of 2
G402 - 1 of 2