GM Service Manual Online
For 1990-2009 cars only

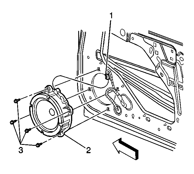
Removal Procedure

  1. Remove the door trim panel. Refer to Front Side Door Trim Panel Replacement in Doors.

  2. Object Number: 699696  Size: SH
  3. Disconnect the electrical connector (1).
  4. Remove the screws (3) securing the speaker (2) to the door frame.
  5. Remove the speaker from the door.

Installation Procedure


    Object Number: 699696  Size: SH
  1. Connect the electrical connector.
  2. Install the speaker onto the door frame.
  3. Notice: Use the correct fastener in the correct location. Replacement fasteners must be the correct part number for that application. Fasteners requiring replacement or fasteners requiring the use of thread locking compound or sealant are identified in the service procedure. Do not use paints, lubricants, or corrosion inhibitors on fasteners or fastener joint surfaces unless specified. These coatings affect fastener torque and joint clamping force and may damage the fastener. Use the correct tightening sequence and specifications when installing fasteners in order to avoid damage to parts and systems.

  4. Install the screws (3) securing the speaker (2) to the door frame.
  5. Tighten
    Tighten the screws to 2 N·m (18 lb in).

  6. Install the door trim panel. Refer to Front Side Door Trim Panel Replacement in Doors.