GM Service Manual Online
For 1990-2009 cars only
Makes
🢒
Cadillac
🢒
2004
🢒
SRX
🢒
Steering
🢒
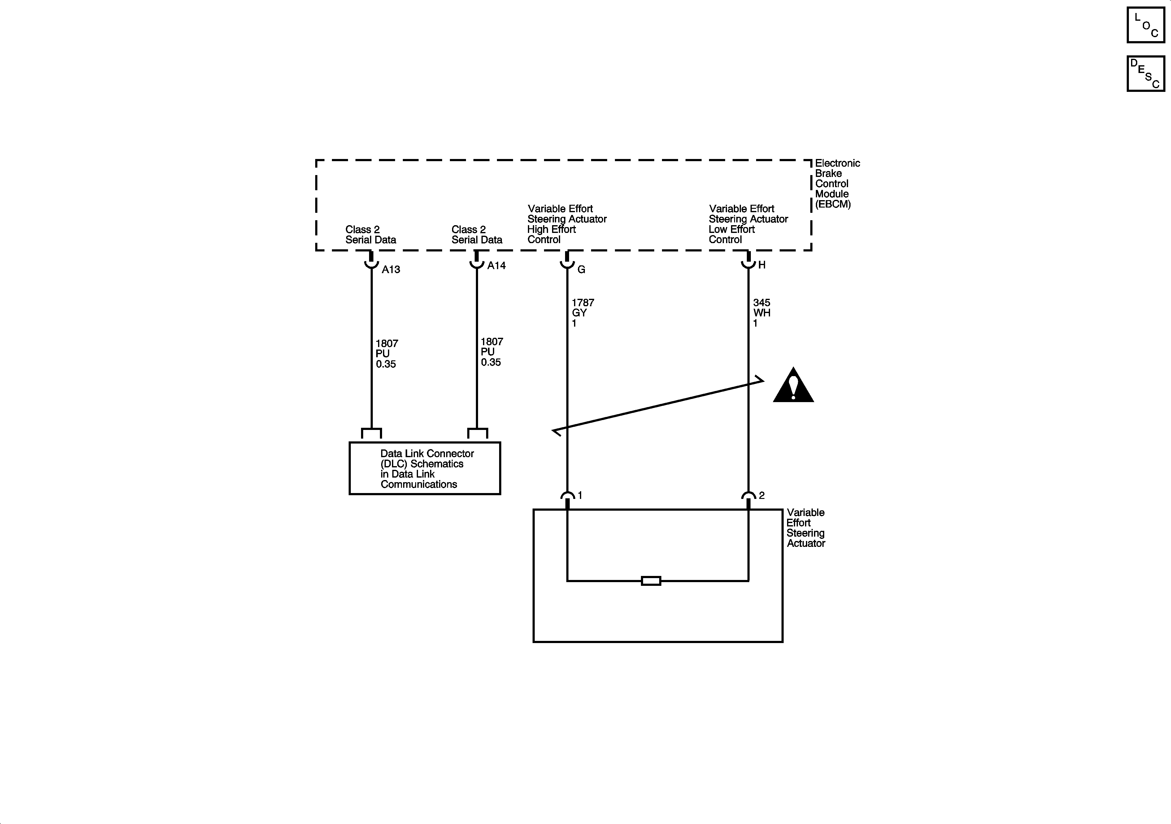
Variable Effort Steering
🢒 Steering Assist Schematics
Master Electrical Component List
Variable Effort Steering System Description and Operation
Class 2 Serial Data - 1 of 2
Steering Assist Schematic Icons