GM Service Manual Online
For 1990-2009 cars only
Makes
🢒
Cadillac
🢒
2004
🢒
SRX
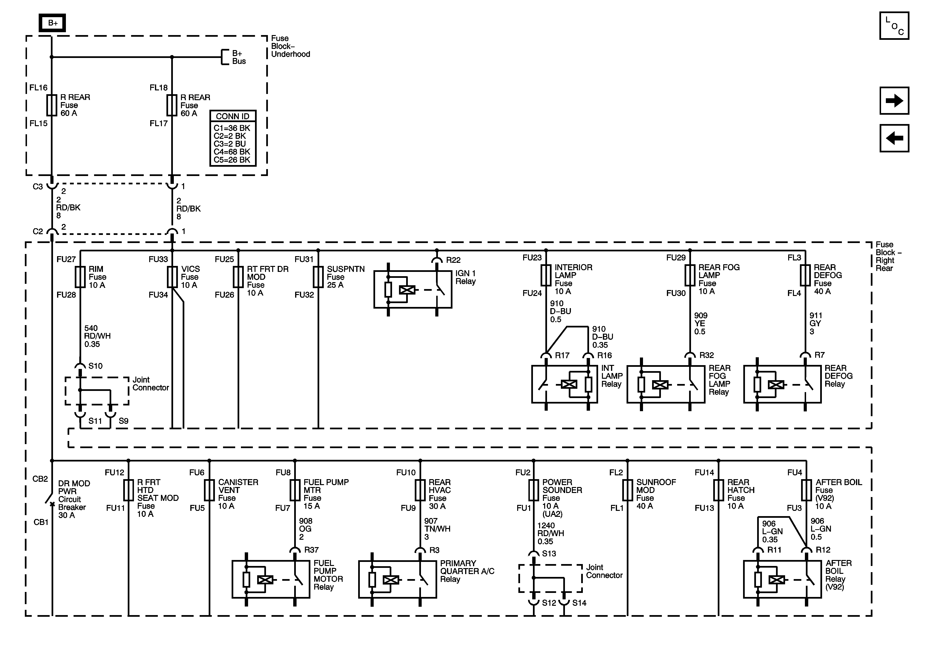
🢒 Fuse Block - Right Rear B+ Bus
Fuse Block - Right Rear B+ Bus
Fuse Block - Right Rear B+ Bus
Master Electrical Component List
Fuse Block - Left Rear B+ Bus
Fuse Block - Underhood B+ Bus Schematic
Fuse Block - Underhood B+ Bus Schematic