GM Service Manual Online
For 1990-2009 cars only
Makes
🢒
Cadillac
🢒
2004
🢒
SRX
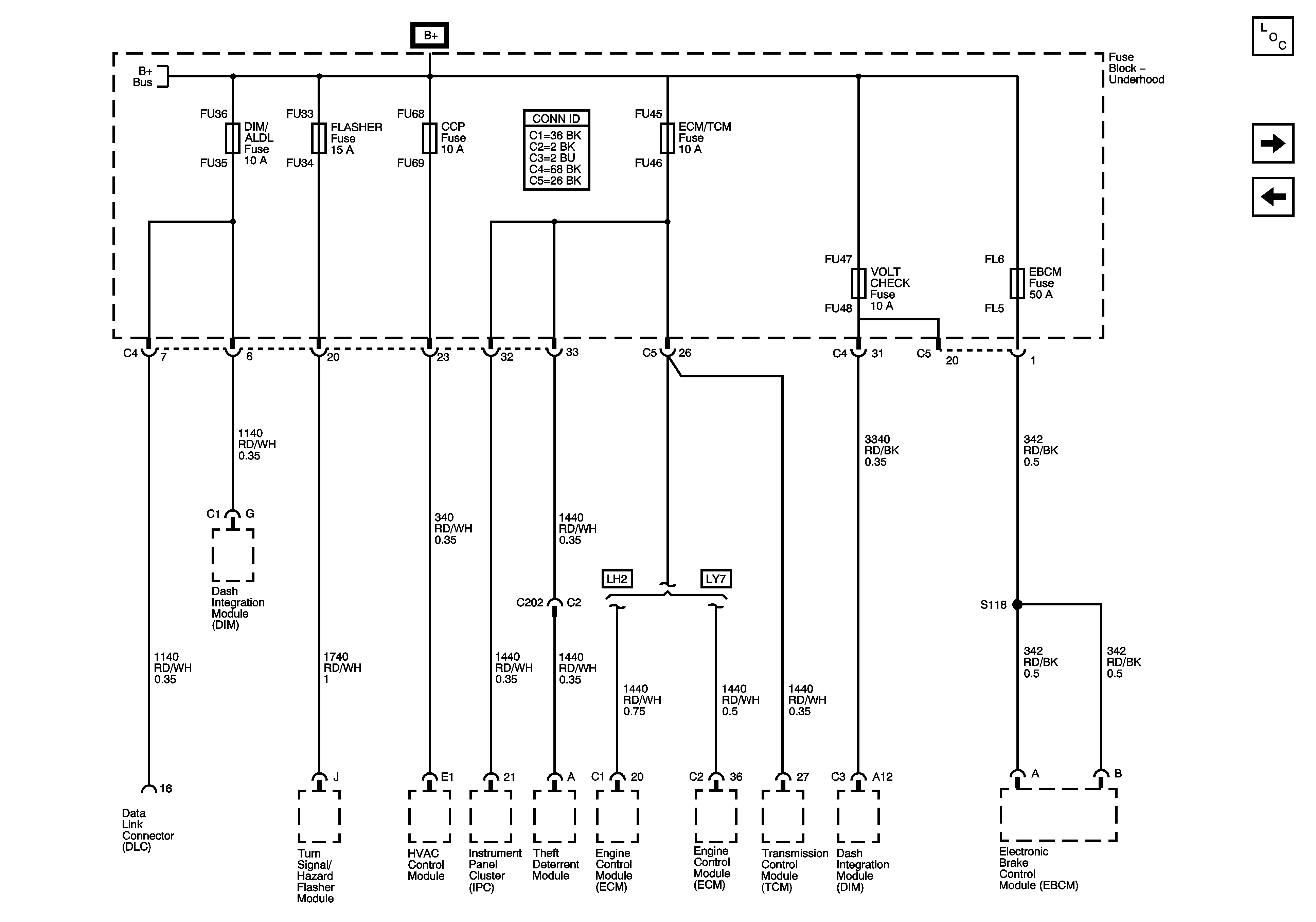
🢒 CCP (B+), DIM/ALDL, EBCM (B+), ECM/TCM, FLASHER, and VOLT CHECK Fuses
CCP (B+), DIM/ALDL, EBCM (B+), ECM/TCM, FLASHER, and VOLT CHECK Fuses
CCP (B+) DIM/ALDL, EBCM (B+) ECM/TCM, FLASHER, and VOLT CHECK Fuses
Master Electrical Component List
CANISTER VENT, DR MOD PWR, R FRT HTD SEAT MOD, and SUNROOF MOD Fuses
Fuse Block - Left Rear B+ Bus
Fuse Block - Underhood B+ Bus Schematic