GM Service Manual Online
For 1990-2009 cars only
Makes
🢒
Cadillac
🢒
2004
🢒
SRX
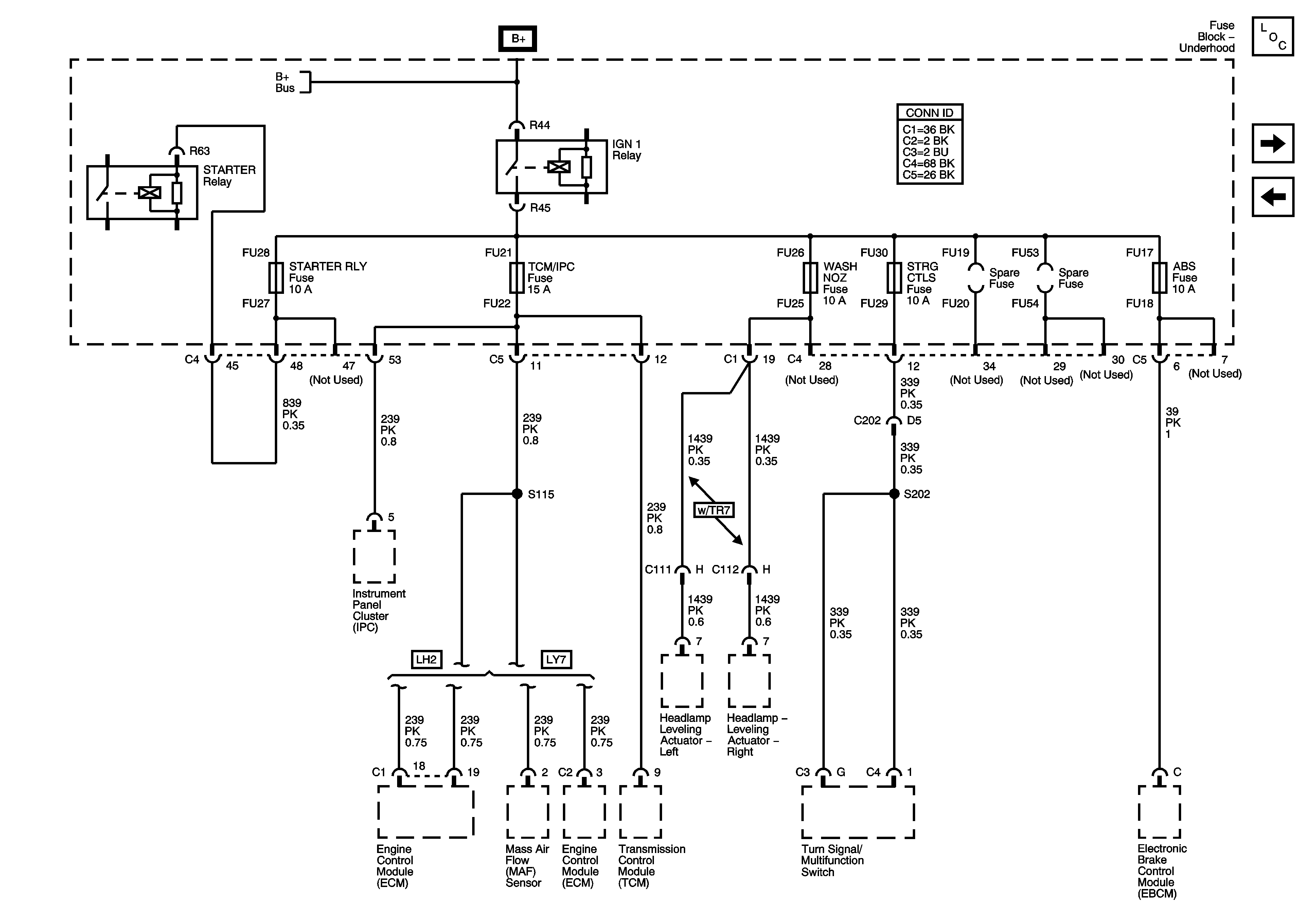
🢒 ABS,STARTER RLY, STRG CTLS, TCM/IPC,and WASH NOZ Fuses
ABS,STARTER RLY, STRG CTLS, TCM/IPC,and WASH NOZ Fuses
ABS, STARTER RLY, STRG CTLS, TCM/IPC, and WASH NOZ Fuses
Master Electrical Component List
I/P OUTLET, LT HI BEAM, LT LOW BEAM, OUTLET, RT HI BEAM, and RT LOW BEAM Fuses
AIRBAG, CCP (RUN), EBCM (RUN), HDLP LEVELING, IGN 1, AND IGN 3 Fuses
Fuse Block - Underhood B+ Bus Schematic