GM Service Manual Online
For 1990-2009 cars only
Makes
🢒
Cadillac
🢒
2004
🢒
SRX
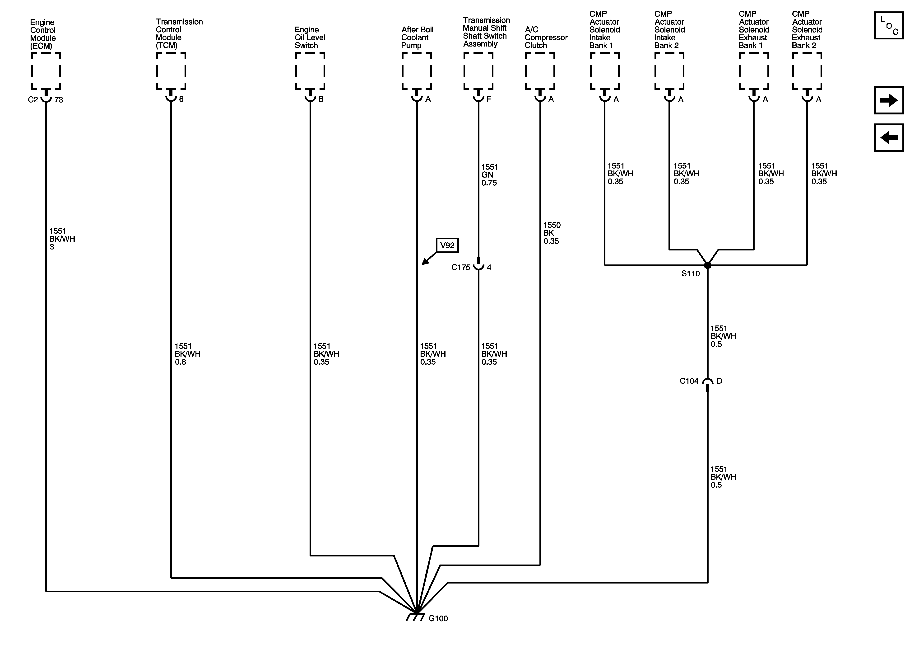
🢒 G100 - LH2
G100 - LH2
G100 - LH2
Master Electrical Component List
G101
G111, G112, G113, G114 and G306