GM Service Manual Online
For 1990-2009 cars only
Makes
🢒
Cadillac
🢒
2004
🢒
SRX
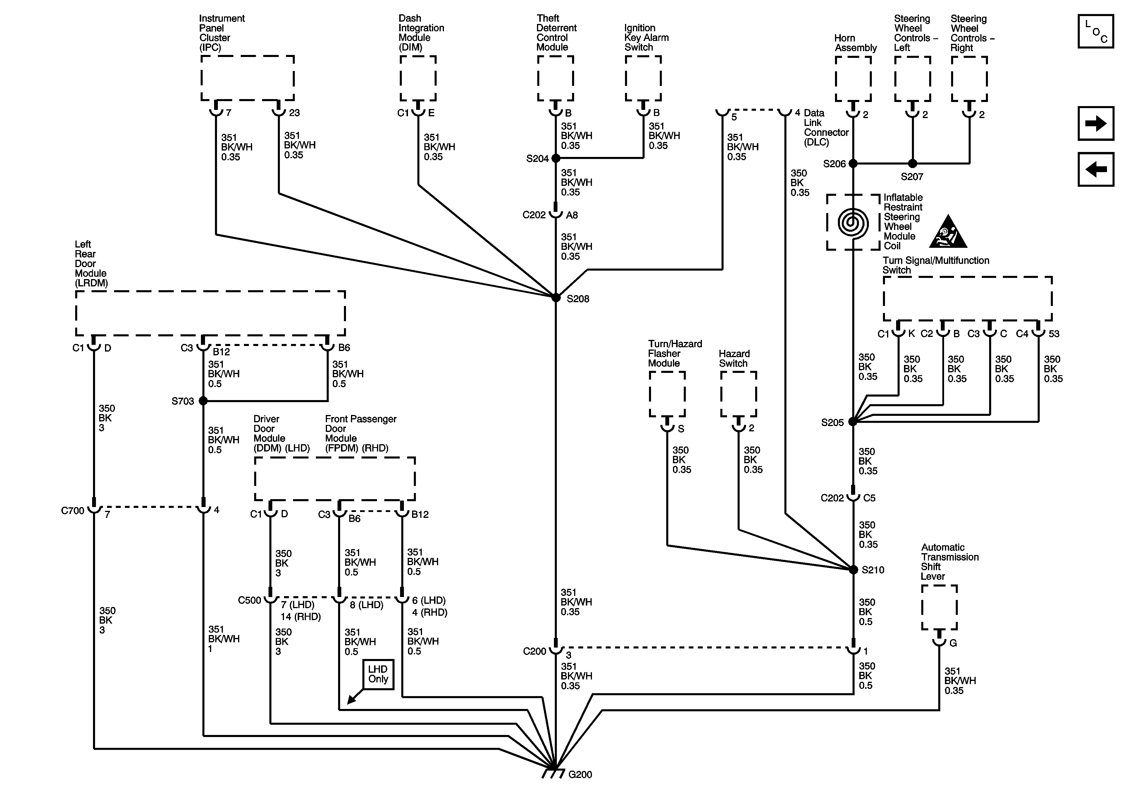
🢒 G200
G200
G200
Master Electrical Component List
G201
G104
SIR Caution for Zoning