GM Service Manual Online
For 1990-2009 cars only
Makes
🢒
Cadillac
🢒
2004
🢒
SRX
🢒 Seat Belt
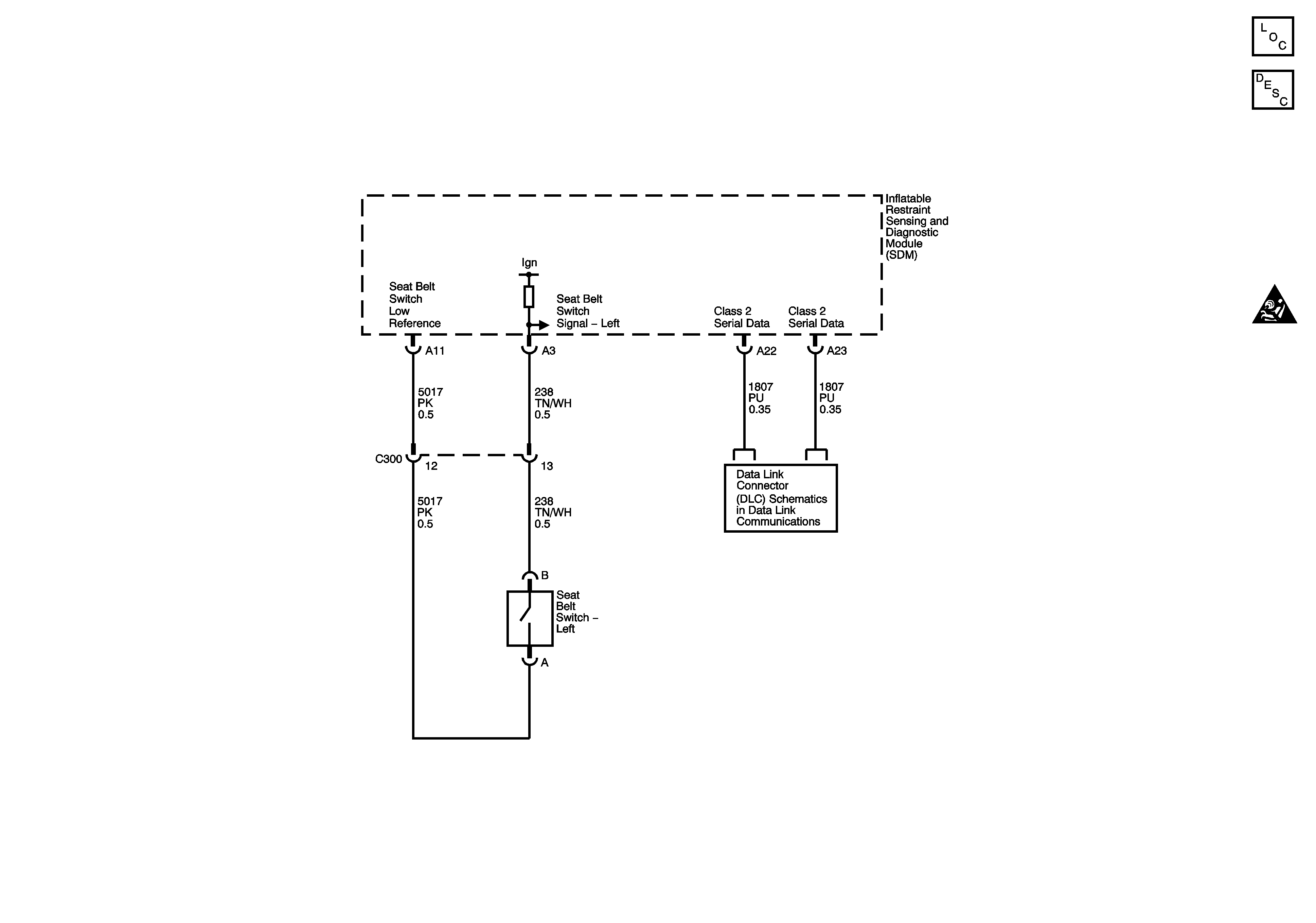
Seat Belt
Master Electrical Component List
Seat Belt System Description and Operation
SIR Caution for Zoning
Class 2 Serial Data - 2 of 2