GM Service Manual Online
For 1990-2009 cars only
Makes
🢒
Cadillac
🢒
2004
🢒
SRX
🢒 Heated and Automatic Day/Night Outside Mirrors
Heated and Automatic Day/Night Outside Mirrors
Heated and Automatic Day/Night Outside Mirrors
Master Electrical Component List
Outside Mirror Description and Operation
Front Passenger Power Outside Mirror (A45)
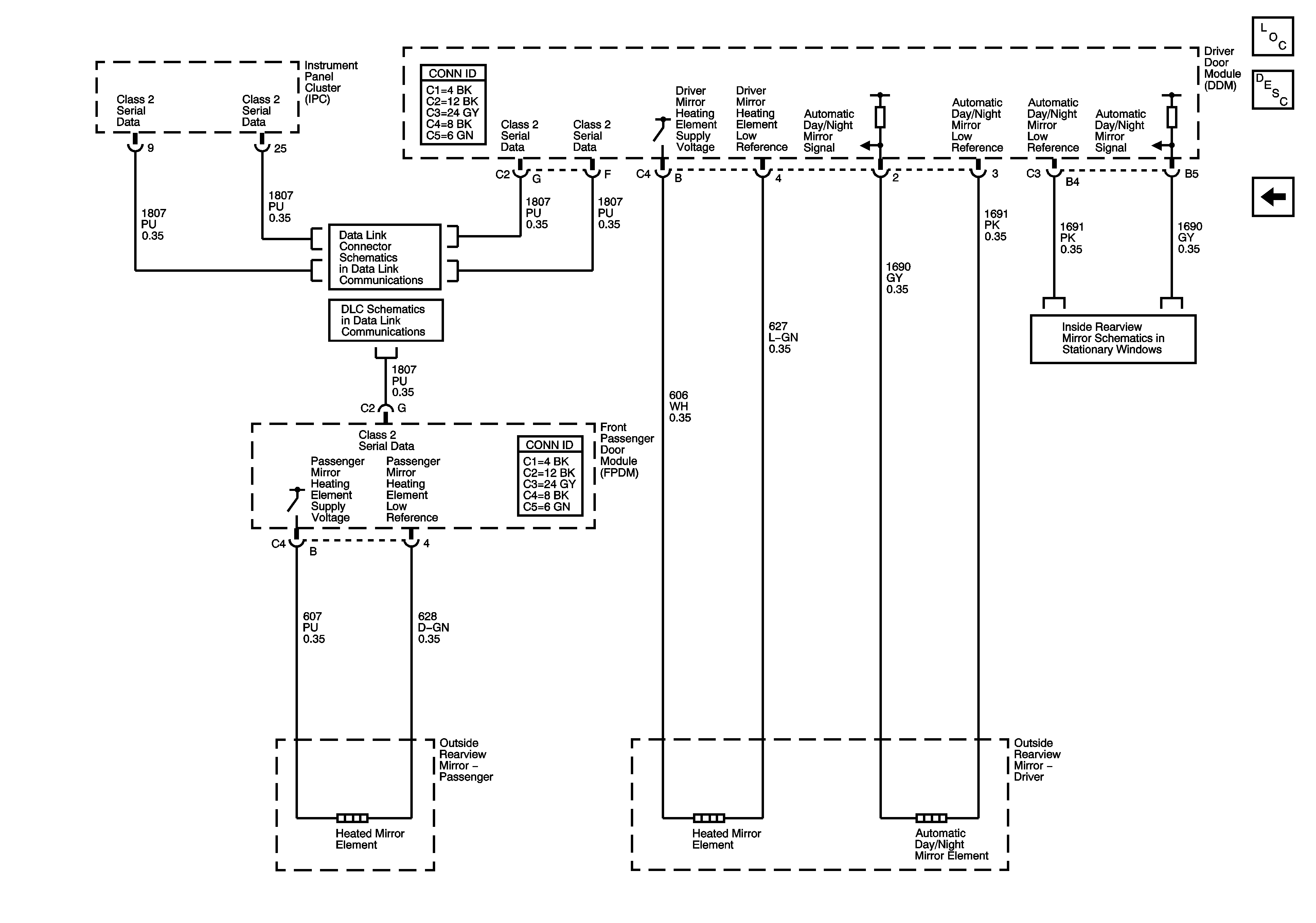
Class 2 Serial Data - 1 of 2
Class 2 Serial Data - 2 of 2
Inside Rearview Mirror Schematic