GM Service Manual Online
For 1990-2009 cars only
Makes
🢒
Cadillac
🢒
2004
🢒
SRX
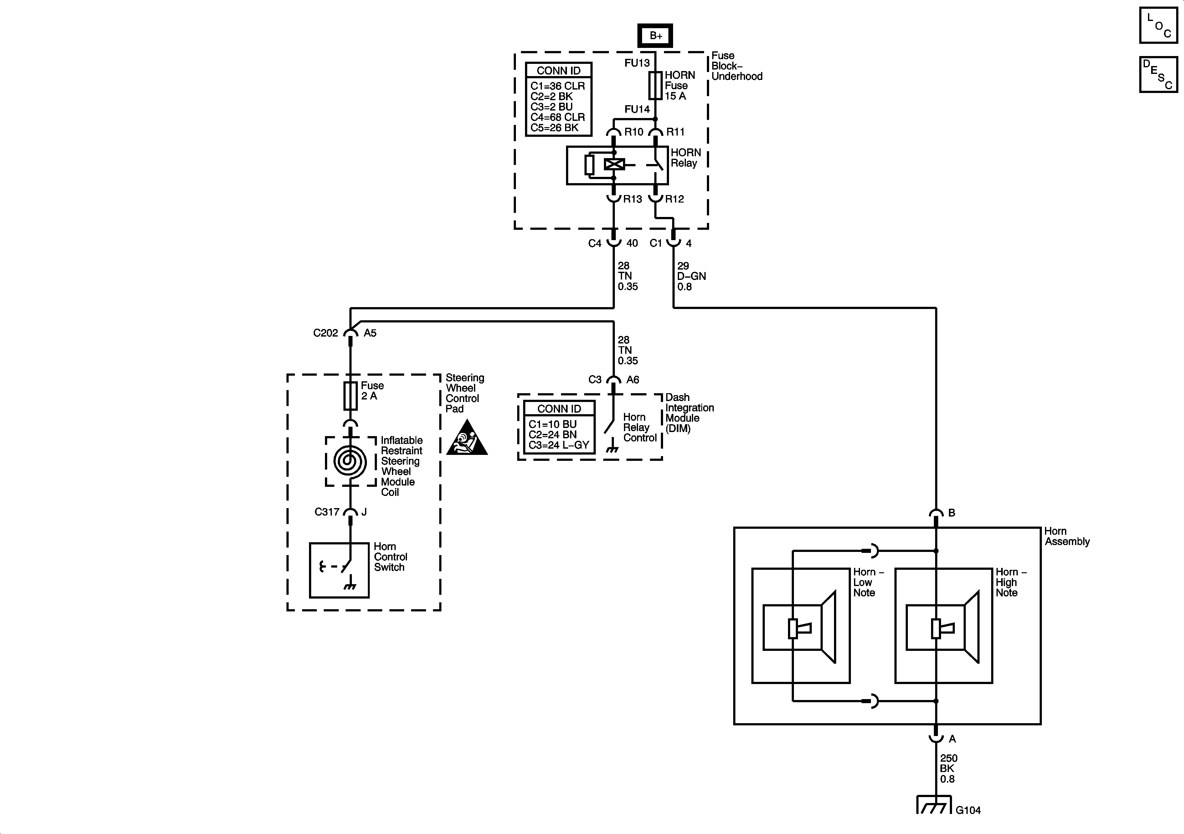
🢒 Horns Schematic
Horns Schematic
Master Electrical Component List
Horns System Description and Operation
SIR Caution for Zoning
G104