GM Service Manual Online
For 1990-2009 cars only
Makes
🢒
Cadillac
🢒
2004
🢒
SRX
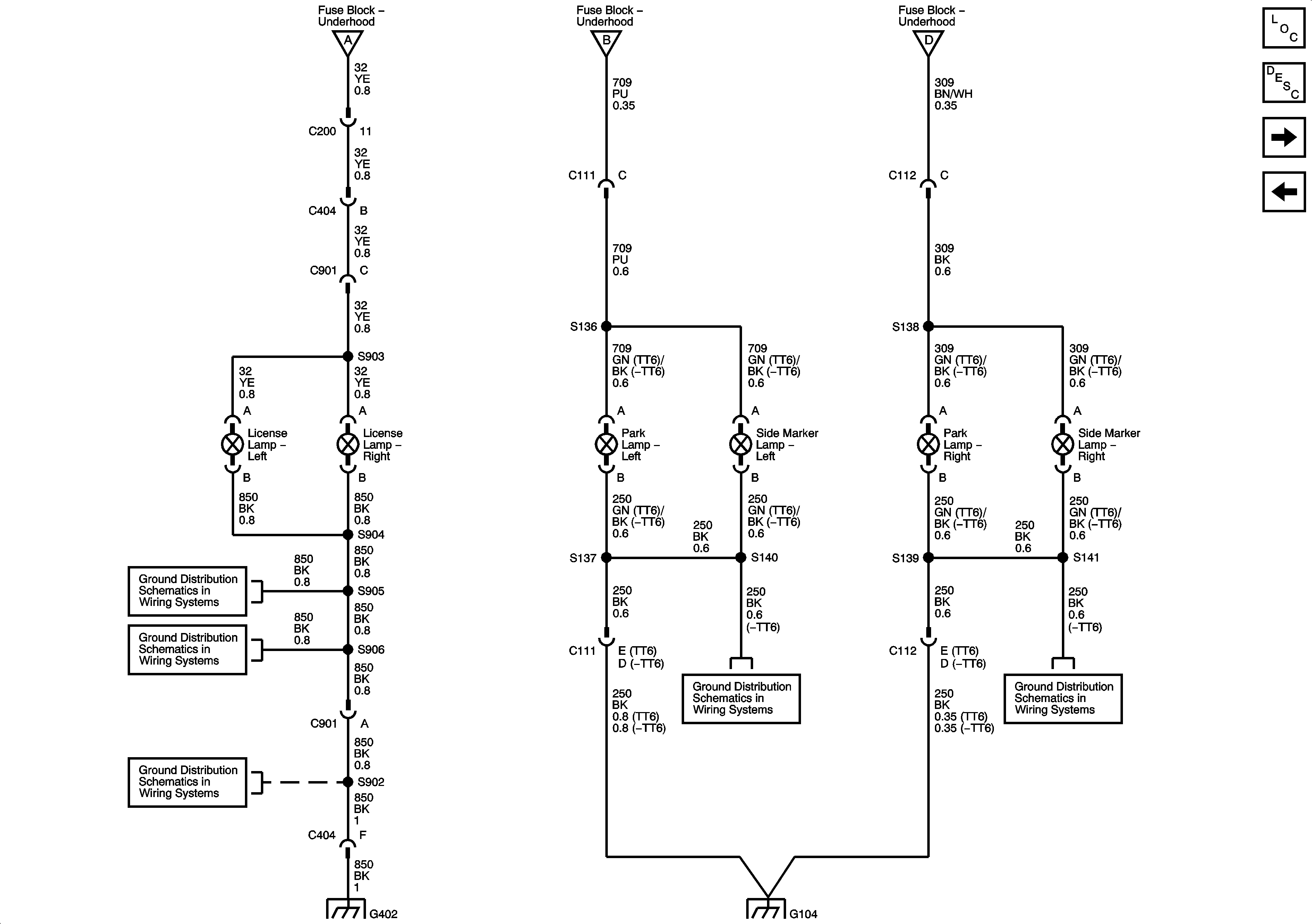
🢒 License, Park and Side MArker Lamp (Domestic) Schematic
License, Park and Side MArker Lamp (Domestic) Schematic
License, Park and Side Marker Lamp - Domestic
Master Electrical Component List
Exterior Lighting Systems Description and Operation
License, Park and Side Marker Lamps (Export) Schematic
Park Lamp Relay, Switch and Instrument Cluster (Dom, Exp) Schematic
Park Lamp Relay, Switch and Instrument Cluster (Dom, Exp) Schematic
Park Lamp Relay, Switch and Instrument Cluster (Dom, Exp) Schematic
Park Lamp Relay, Switch and Instrument Cluster (Dom, Exp) Schematic
G402 - 1 of 2
G402 - 1 of 2
G402 - 1 of 2
G104
G104
G402 - 1 of 2
G104