GM Service Manual Online
For 1990-2009 cars only
Makes
🢒
Cadillac
🢒
2004
🢒
SRX
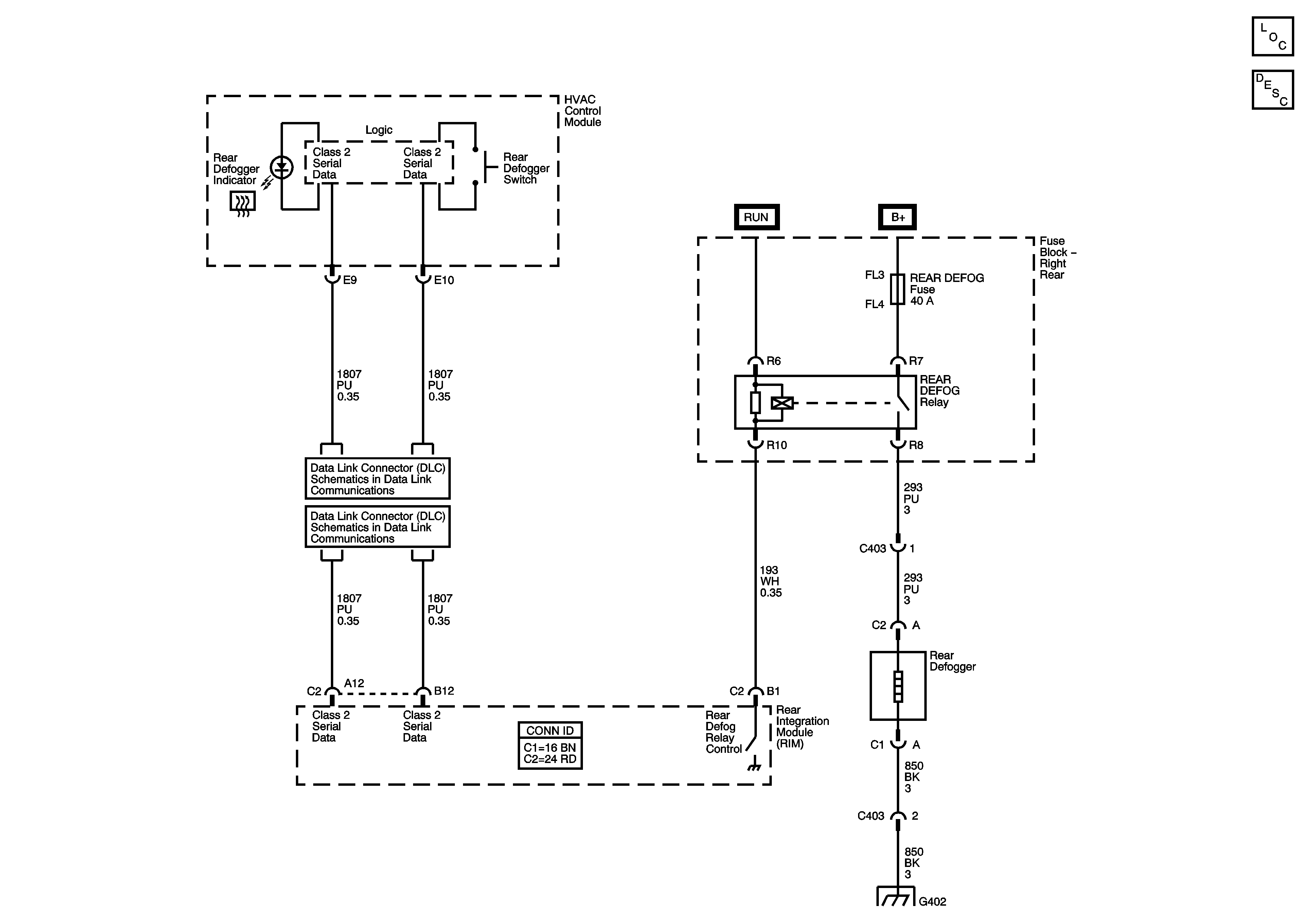
🢒 Defogger Schematic
Defogger Schematic
Master Electrical Component List
Rear Window Defogger Description and Operation
Class 2 Serial Data - 1 of 2
Class 2 Serial Data - 2 of 2
G402 - 1 of 2