GM Service Manual Online
For 1990-2009 cars only
Makes
🢒
Cadillac
🢒
2005
🢒
SRX
🢒
Accessories
🢒
Entertainment
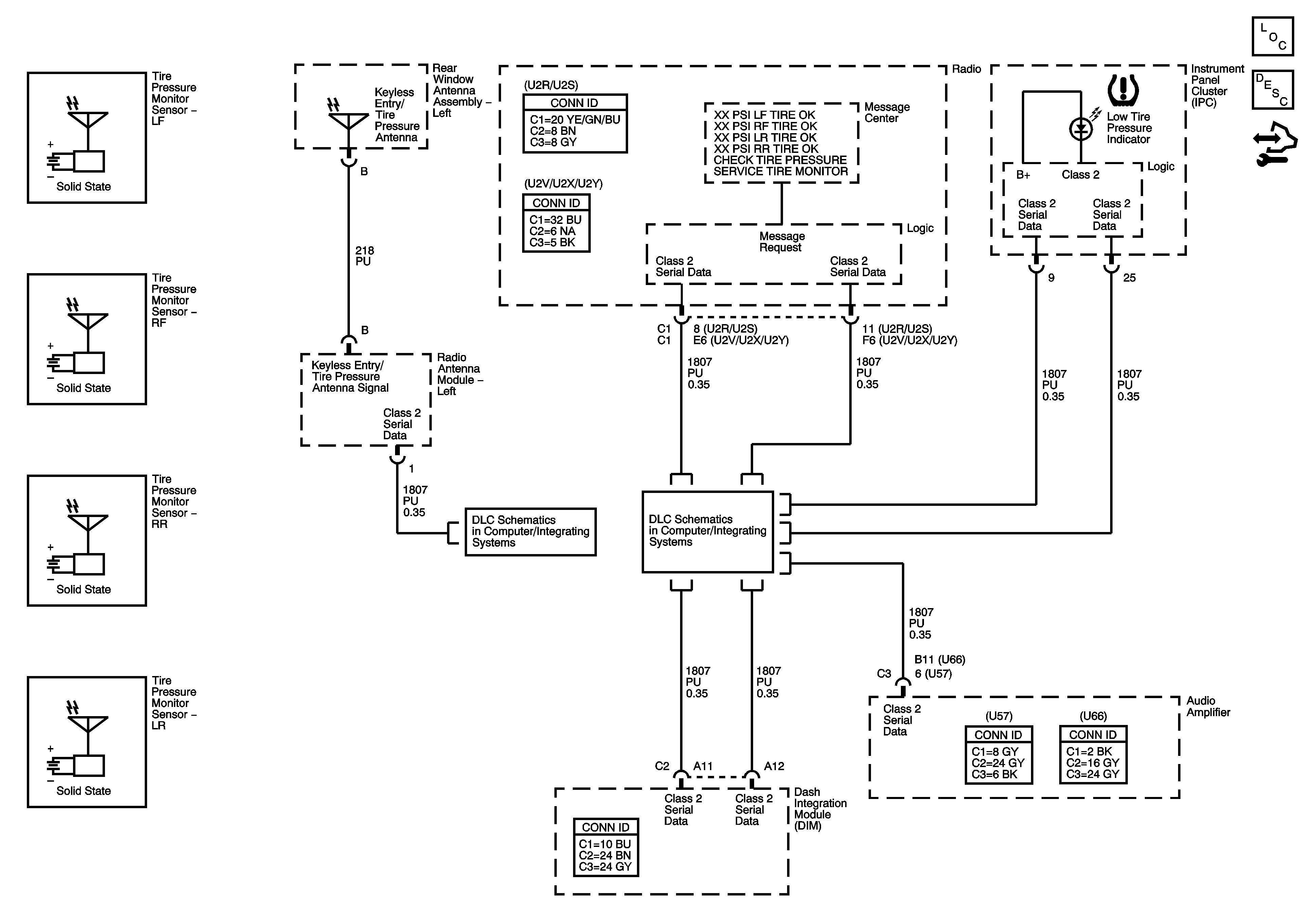
🢒 Tire Pressure Monitoring System Schematics
Master Electrical Component List
Tire Pressure Monitor Description and Operation
Control Module References
Class 2 Serial Data - 2 of 2
Class 2 Serial Data - 1 of 2