GM Service Manual Online
For 1990-2009 cars only
Makes
🢒
Cadillac
🢒
2005
🢒
SRX
🢒
Transmission/Transaxle
🢒
Automatic Transmission - 5L40-E/5L50-E
🢒 Wiper/Washer Component Views
Figure
1:
Lighting Switches and Flasher Module
(1)
Turn Signal/Multifunction Switch
(2)
Steering Column
(3)
Windshield Wiper/Washer Switch
(4)
Hazard Switch Connector
(5)
Hazard Switch
(6)
I/P Air Deflector - Center
(7)
Turn Signal/Hazard Flasher Module
(8)
Data Link Connector (DLC)
(9)
Park Brake Switch Connector
(10)
Turn Signal/Hazard Flasher Module Connector
Figure
2:
Wiper Washer Components
(1)
Heated Washer Nozzle - Right (XA7)
(2)
Heated Washer Nozzle - Left (XA7)
(3)
Windshield Wiper Motor
(4)
Headlamp - Left
(5)
Headlamp Washer Nozzle - Left (CE4)
(6)
Headlamp Washer Nozzle - Right (CE4)
(7)
Washer Fluid Container
Figure
3:
Center of the Liftgate
(1)
Rear Window Defogger Grid
(2)
Rear Wiper Motor
(3)
Liftgate Latch
Figure
4:
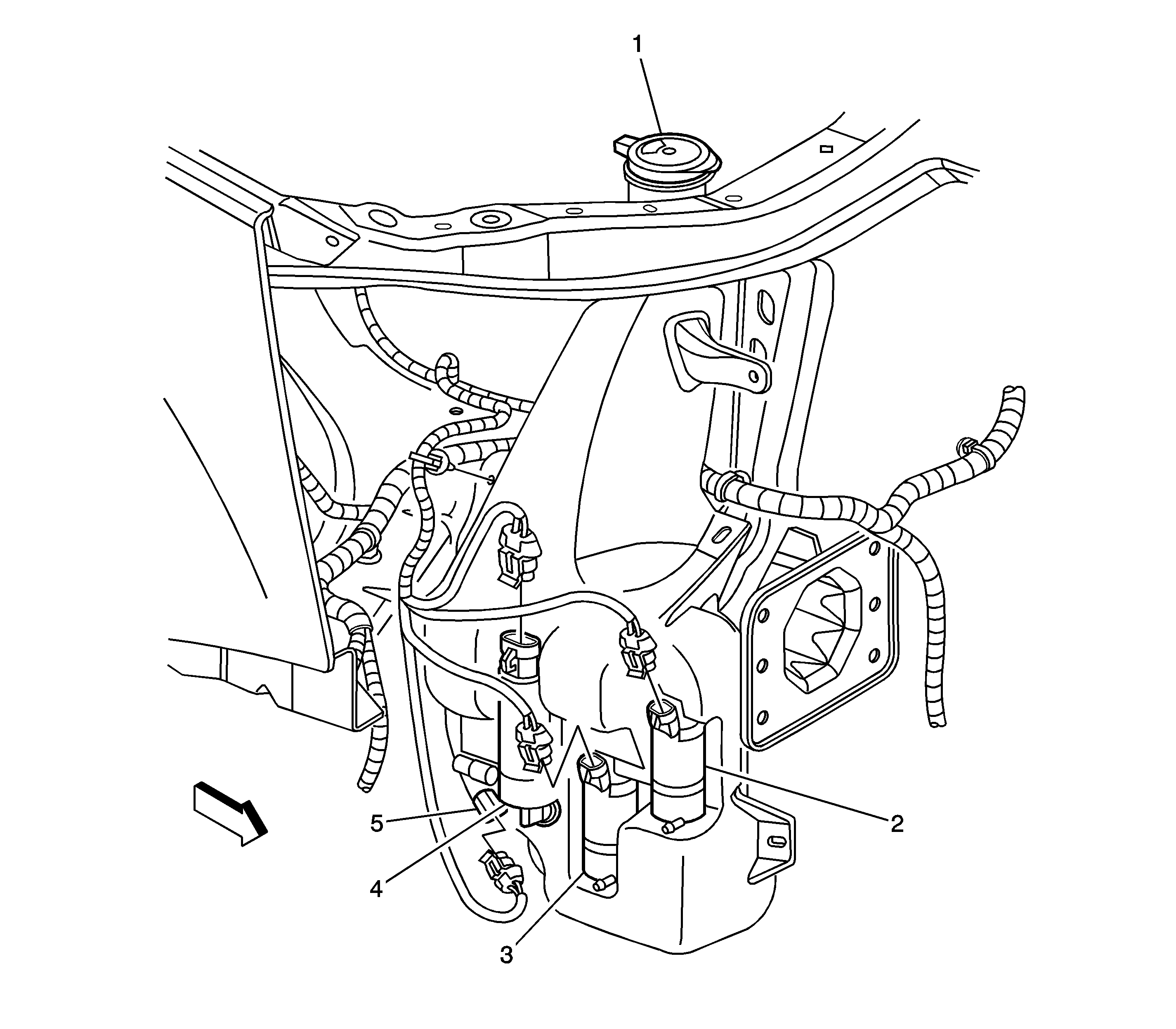
Lower Right Side of the Fascia
(1)
Washer Solvent Container
(2)
Rear Window Washer Fluid Pump
(3)
Windshield Washer Fluid Pump
(4)
Headlamp Washer Fluid Pump (CE4)
(5)
Washer Fluid Level Switch
Figure
5:
Overhead Console
(1)
Rear Wiper/Washer Switch
(2)
Blower Motor Switch - Auxiliary (C57)
(3)
Not Used
(4)
Rear Sunshade Switch (C3B)
(5)
Front Sunshade Switch (CF5/C3B)
(6)
Sunroof Switch (CF5/C3B)
(7)
I/P Lamps Dimmer Switch
(8)
Noise Compensation Microphone (UQS)