GM Service Manual Online
For 1990-2009 cars only
Makes
🢒
Cadillac
🢒
2005
🢒
SRX
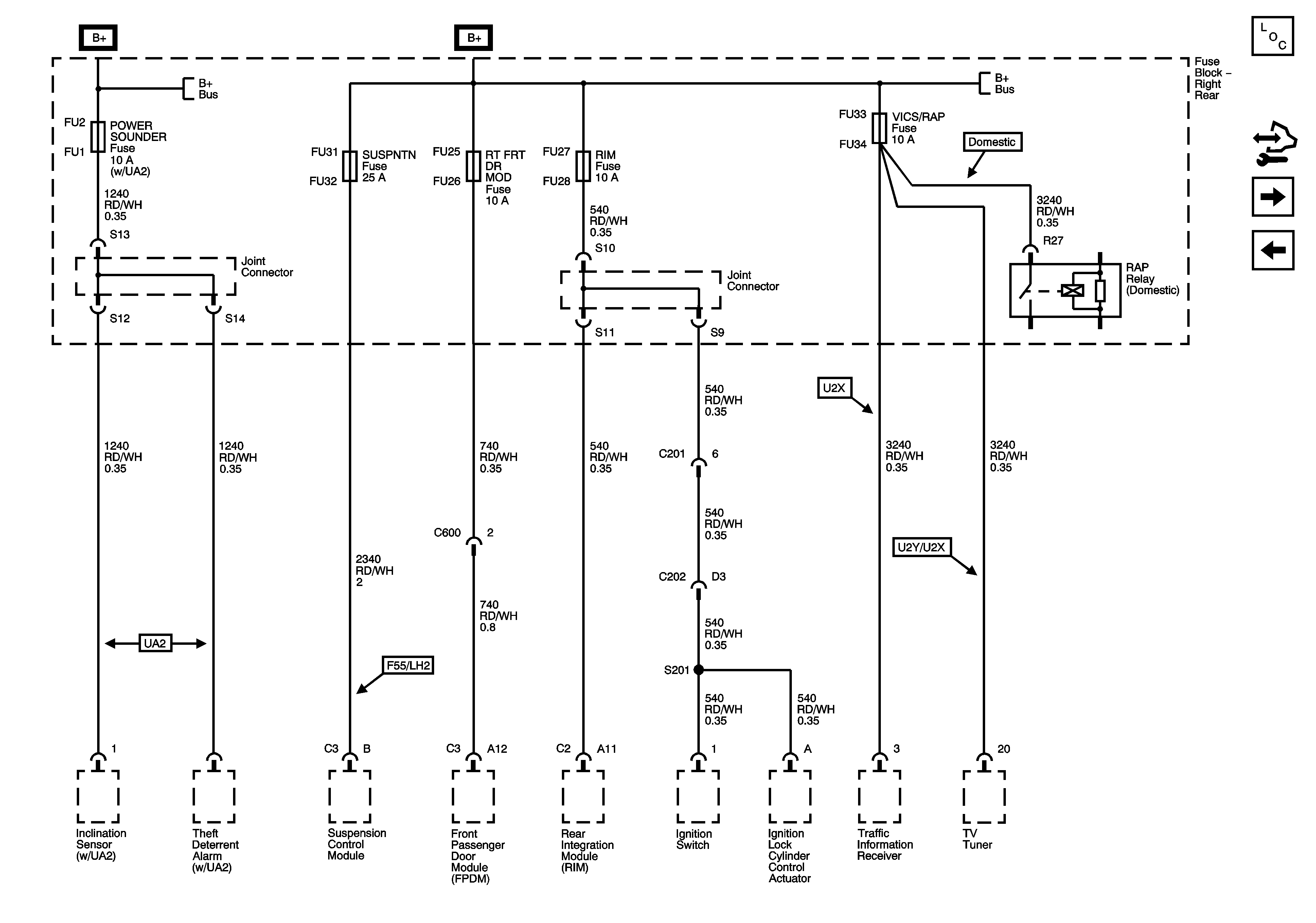
🢒 POWER SOUNDER, RIM, RT FRT DR MOD, SUSPNTN, and VICS/RAP Fuses
POWER SOUNDER, RIM, RT FRT DR MOD, SUSPNTN, and VICS/RAP Fuses
POWER SOUNDER, RIM, RT FRT DR MOD, SUSPNTN, and VICS/RAP Fuses
Master Electrical Component List
Control Module References
AMP, AUDIO, DRIVER DR MOD, ELC COMP, L FRT HTD SEAT MOD, MEM/ADAPT SEAT, and REAR DR MOD Fuses
CANISTER VENT, DR MOD PWR, REAR HATCH, R FRT HTD SEAT MOD, and SUNROOF MOD Fuses
Fuse Block - Underhood B+ Bus Schematic
Fuse Block - Underhood B+ Bus Schematic