GM Service Manual Online
For 1990-2009 cars only
Makes
🢒
Cadillac
🢒
2005
🢒
SRX
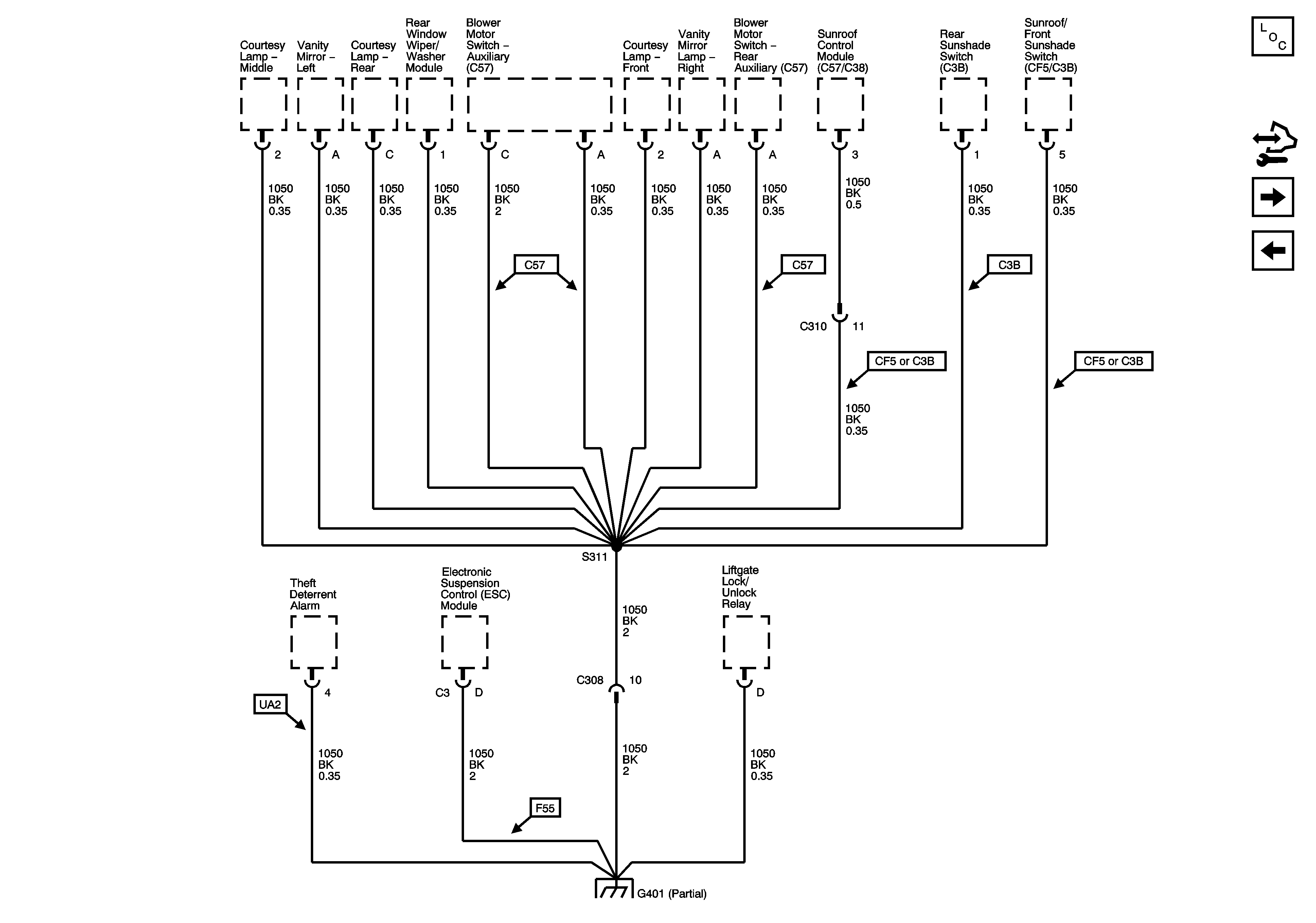
🢒 G401 - 2 of 2
G401 - 2 of 2
G401 - 2 of 2
Master Electrical Component List
Control Module References
G402 - 1 of 2
G401 - 1 of 2