GM Service Manual Online
For 1990-2009 cars only
Makes
🢒
Cadillac
🢒
2005
🢒
SRX
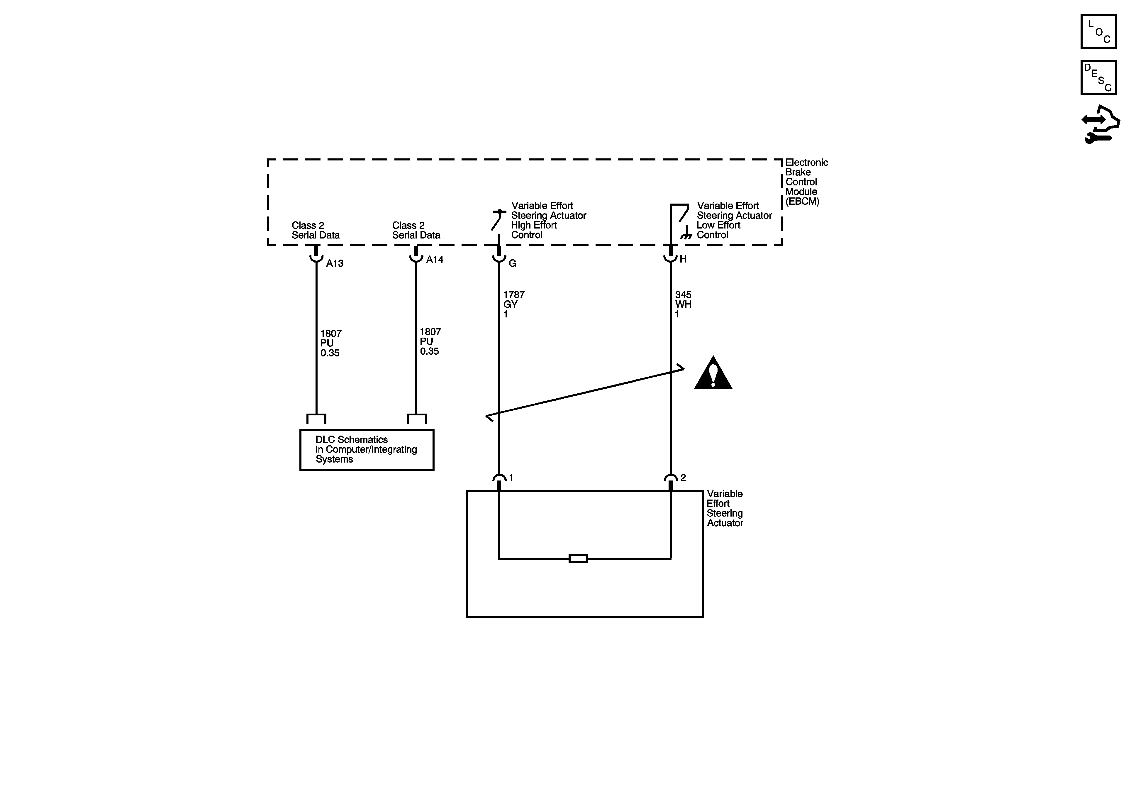
🢒 Variable Effort Steering Schematic
Variable Effort Steering Schematic
Master Electrical Component List
Variable Effort Steering System Description and Operation
Control Module References
Class 2 Serial Data - 1 of 2
Steering Assist Schematic Icons