GM Service Manual Online
For 1990-2009 cars only
Makes
🢒
Cadillac
🢒
2005
🢒
SRX
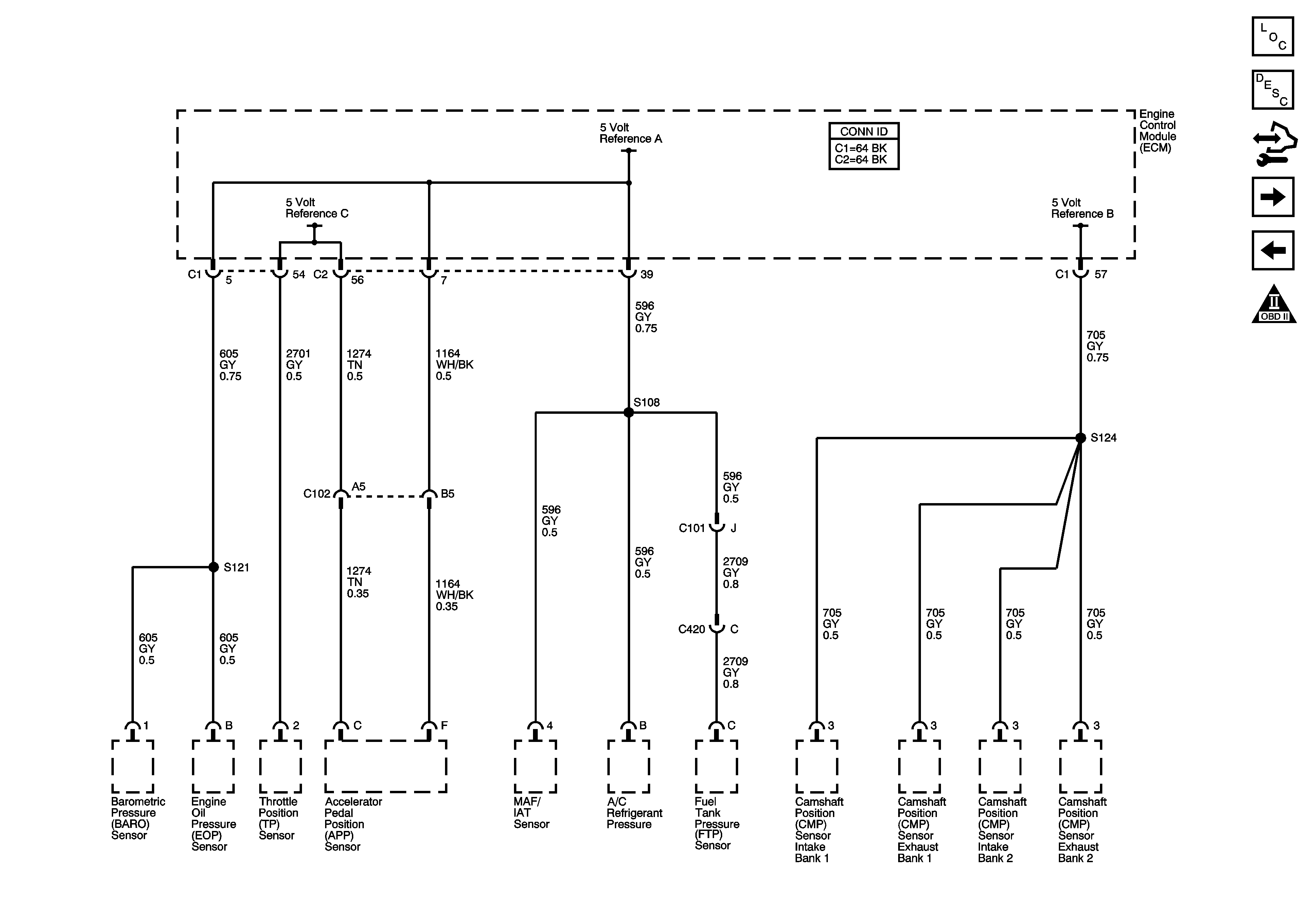
🢒 Engine Data Sensors - 5-Volt Reference
Engine Data Sensors - 5-Volt Reference
Engine Data Sensors - 5-Volt Reference
Master Electrical Component List
Engine Control Module Description
Control Module References
Engine Data Sensors - Low Reference
Module Power, Ground, Serial Data and MIL
Engine Controls Schematic Icons