GM Service Manual Online
For 1990-2009 cars only
Makes
🢒
Cadillac
🢒
2005
🢒
SRX
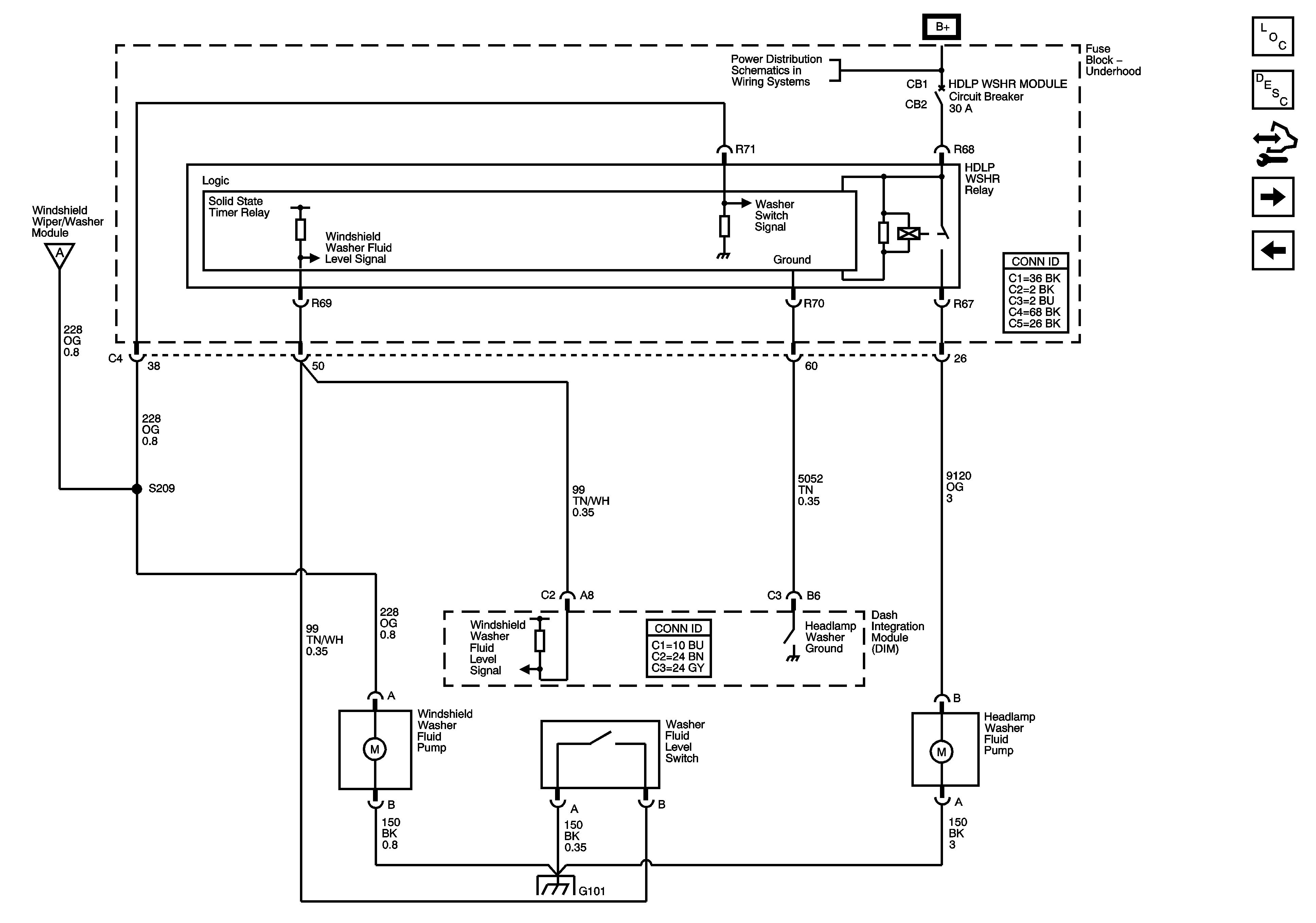
🢒 Front Washer (CE4)
Front Washer (CE4)
Front Washer (CE4)
Master Electrical Component List
Wiper/Washer System Description and Operation
Control Module References
Front Wiper (w/o CE4)
Front Wiper/Washer Controls
Front Wiper/Washer Controls
Fuse Block - Right Rear B+ Bus
G101