GM Service Manual Online
For 1990-2009 cars only
Makes
🢒
Cadillac
🢒
2005
🢒
SRX
🢒 Vehicle Theft Deterrent (VTD)
Vehicle Theft Deterrent (VTD)
Vehicle Theft Deterrent (VTD)
Master Electrical Component List
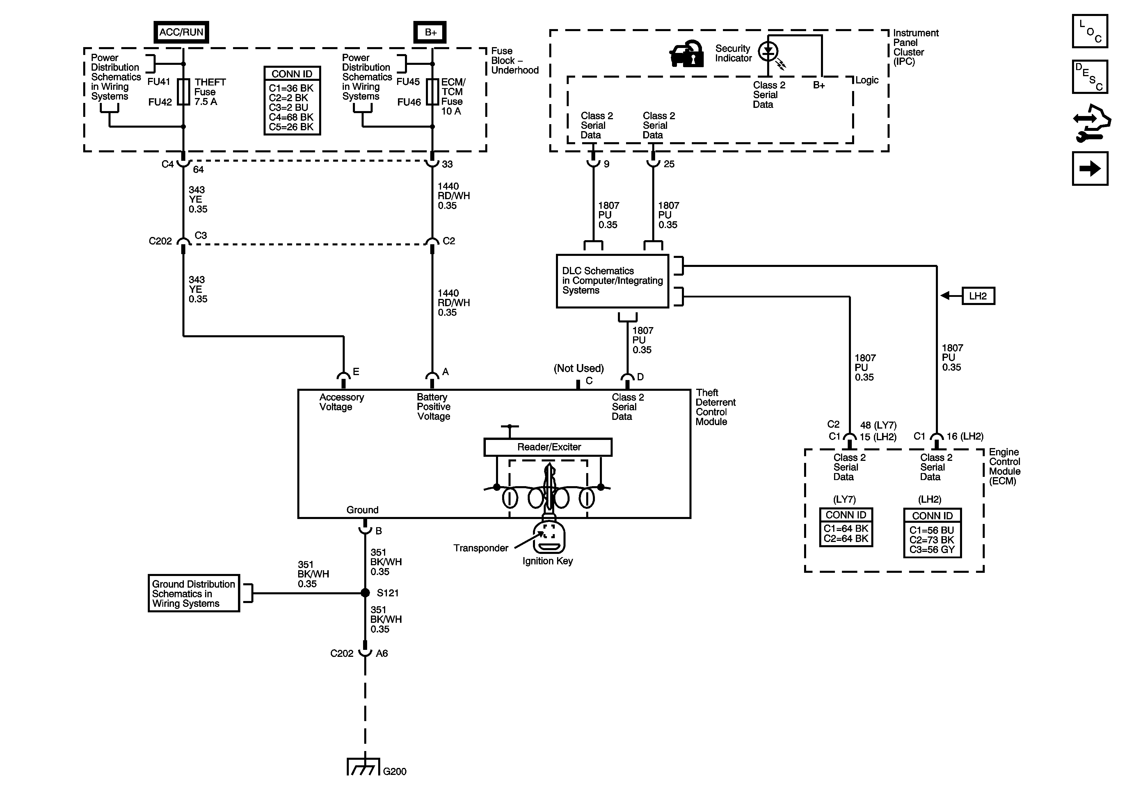
Vehicle Theft Deterrent (VTD) Description and Operation
Control Module References
Content Theft Deterrent (CTD) Sensors and Sirens (UA2)
RIM and THEFT Fuses and Ignition Switch - 2 of 2
CCP (B+), DIM/ALDL, EBCM (B+), ECM/TCM, Flasher, and VOLT CHECK Fuses
Class 2 Serial Data - 1 of 2
G200
G200