GM Service Manual Online
For 1990-2009 cars only
Makes
🢒
Cadillac
🢒
2005
🢒
SRX
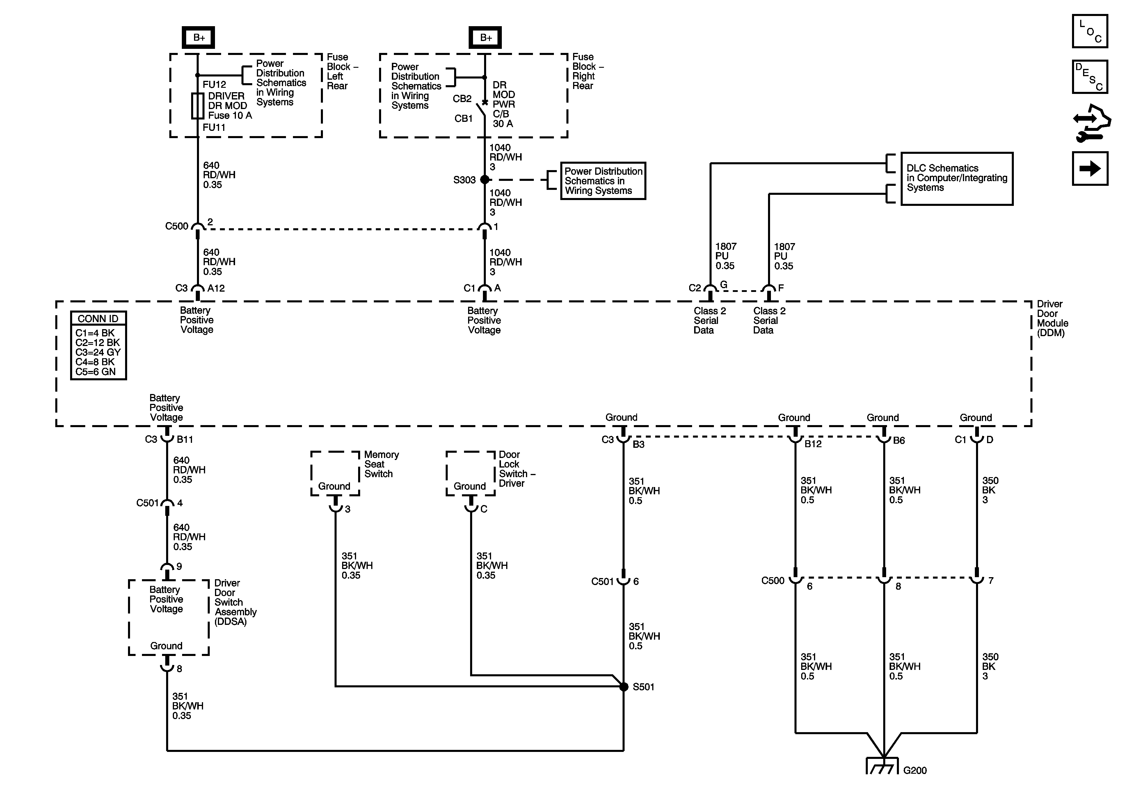
🢒 DDM Power, Ground and Serial Data
DDM Power, Ground and Serial Data
DDM Power, Ground and Serial Data
Master Electrical Component List
Power Windows Description and Operation
Control Module References
DDM Signals/Controls - 1 of 2
Fuse Block - Left Rear B+ Bus
Fuse Block - Right Rear B+ Bus
CANISTER VENT, DR MOD PWR, REAR HATCH, R FRT HTD SEAT MOD, and SUNROOF MOD Fuses
Class 2 Serial Data - 1 of 2
G200