GM Service Manual Online
For 1990-2009 cars only
Makes
🢒
Cadillac
🢒
2005
🢒
SRX
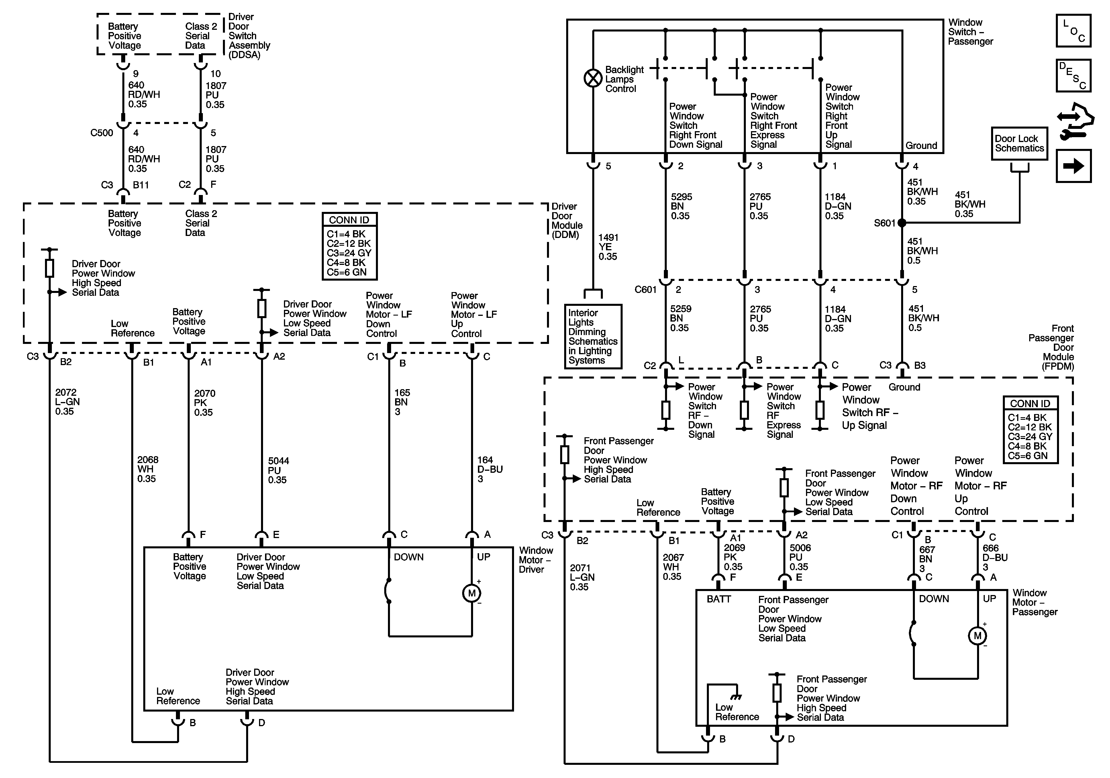
🢒 Front Power Windows
Front Power Windows
Front Power Windows
Master Electrical Component List
Power Windows Description and Operation
Control Module References
Rear Power Windows
Front Passenger Door Lock
Dimming Lamps - 2 of 2