GM Service Manual Online
For 1990-2009 cars only
Makes
🢒
Cadillac
🢒
2005
🢒
SRX
🢒 Sunroof and Front Sunshade
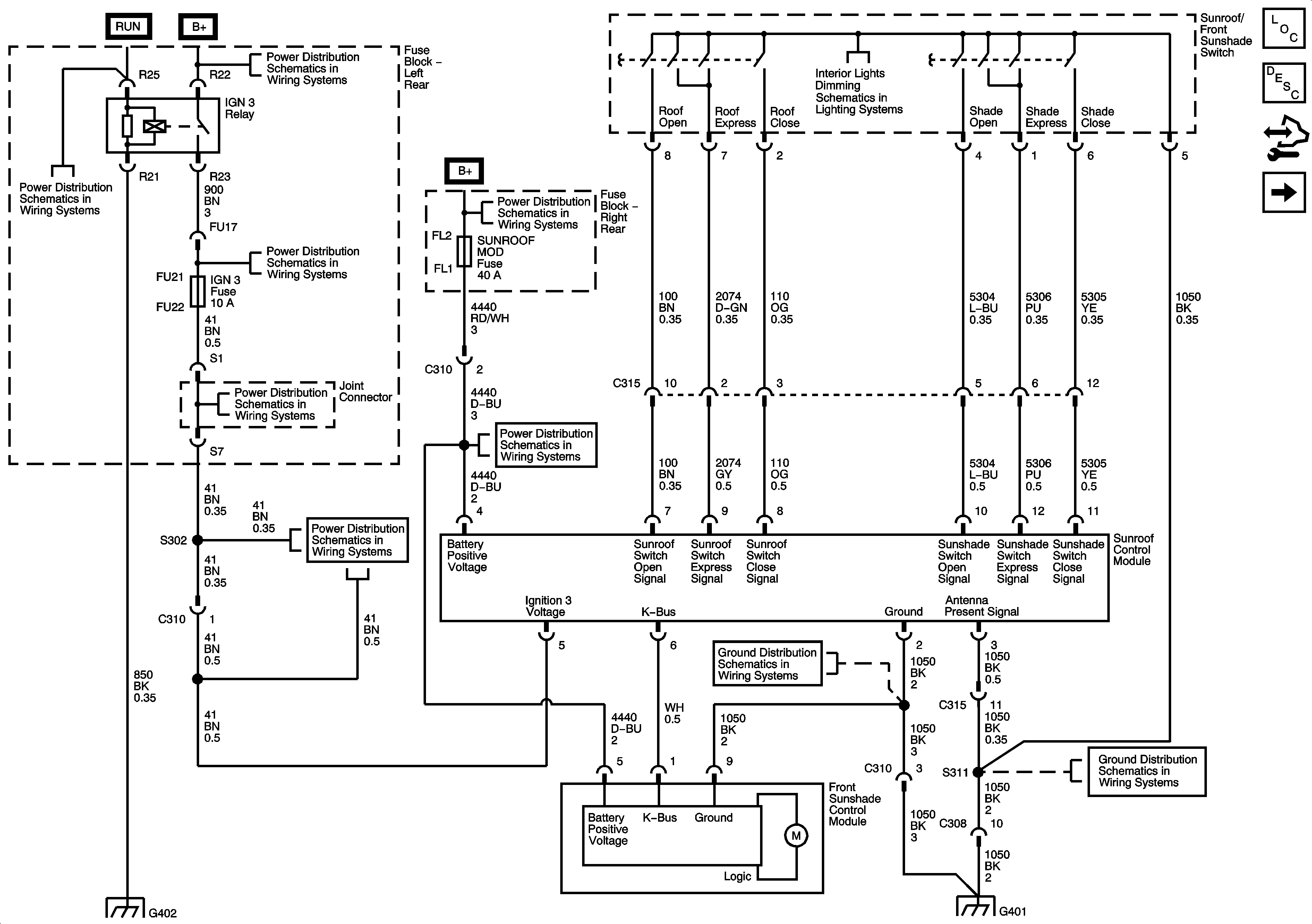
Sunroof and Front Sunshade
Sunroof and Front Sunshade
Master Electrical Component List
Sunroof Description and Operation
Control Module References
Rear Sunshade
IGN SW Fuse and Ignition Switch - 1 of 2
Fuse Block - Left Rear B+ Bus
AIR BAG, CCP (RUN), EBCM (RUN), HDLP LEVELING, IGN 1, and IGN 3 Fuses
AIR BAG, CCP (RUN), EBCM (RUN), HDLP LEVELING, IGN 1, and IGN 3 Fuses
AIR BAG, CCP (RUN), EBCM (RUN), HDLP LEVELING, IGN 1, and IGN 3 Fuses
Fuse Block - Right Rear B+ Bus
CANISTER VENT, DR MOD PWR, REAR HATCH, R FRT HTD SEAT MOD, and SUNROOF MOD Fuses
Dimming Lamps - 2 of 2
G401 - 1 of 2
G401 - 1 of 2
G402 - 1 of 2
G401 - 1 of 2