GM Service Manual Online
For 1990-2009 cars only
Makes
🢒
Cadillac
🢒
2005
🢒
SRX
🢒 Power Seat
Power Seat
Power Seat
Master Electrical Component List
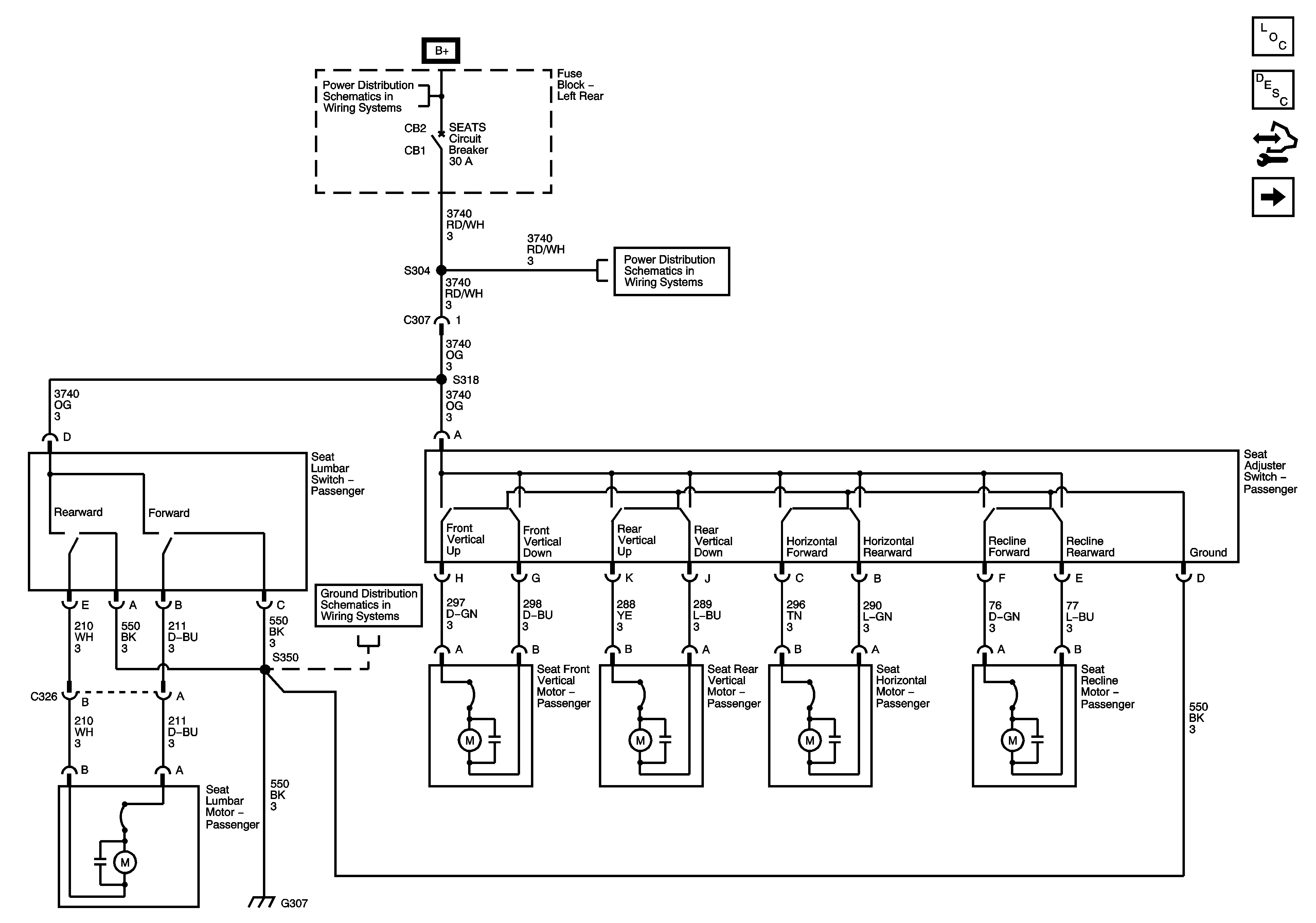
Power Seats System Description and Operation Front Seat
Control Module References
Heated Seat
Fuse Block - Left Rear B+ Bus
FFSM, FFS SW, and THEFT Fuses and SEAT Circuit Breaker
G307
G307