GM Service Manual Online
For 1990-2009 cars only

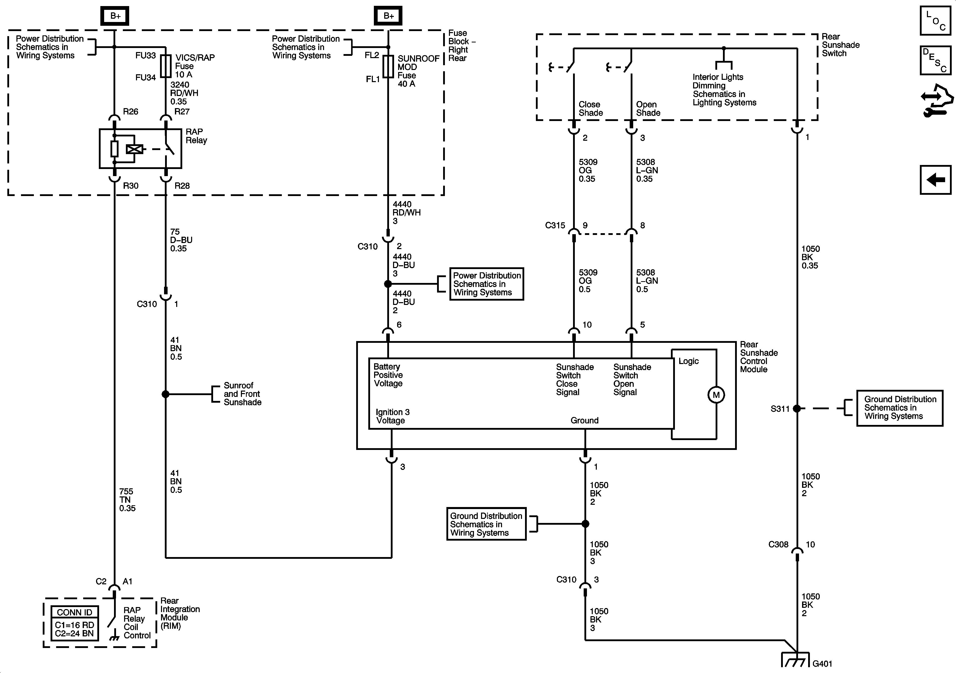
Rear Sunshade

Rear Sunshade


Object Number: 1542868  Size: FS
Master Electrical Component List
Sunroof Description and Operation
Control Module References
Sunroof and Front Sunshade
Fuse Block - Right Rear B+ Bus
Fuse Block - Right Rear B+ Bus
Dimming Lamps - 2 of 2
Sunroof and Front Sunshade
CANISTER VENT, DR MOD PWR, REAR HATCH, R FRT HTD SEAT MOD, and SUNROOF MOD Fuses
G401 - 1 of 2
G401 - 1 of 2
G401 - 1 of 2