GM Service Manual Online
For 1990-2009 cars only
Makes
🢒
Cadillac
🢒
2006
🢒
SRX
🢒 Power, Ground, Serial Data and Controls
Power, Ground, Serial Data and Controls
Power, Ground, Serial Data, and Controls
Master Electrical Component List
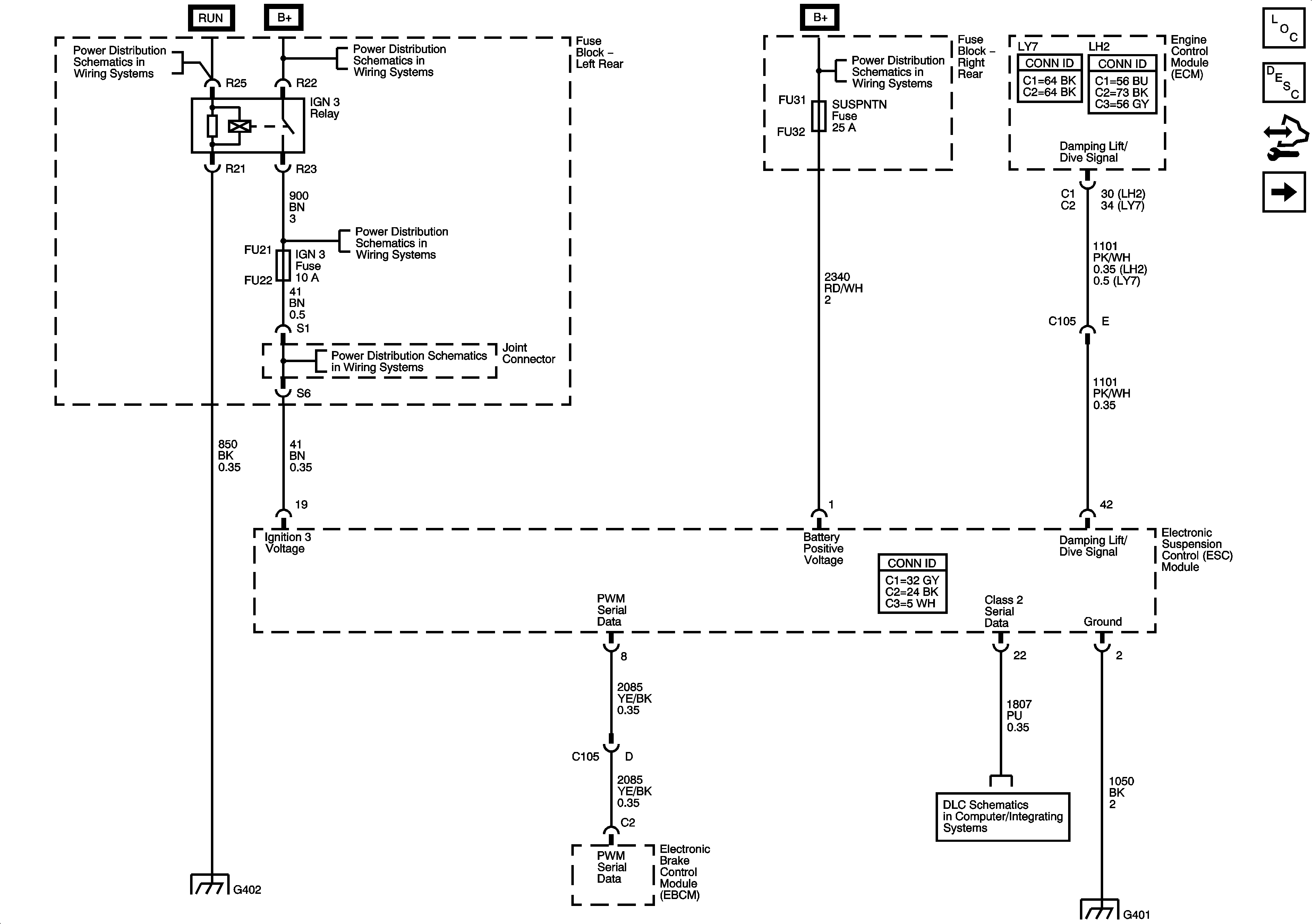
Electronic Suspension Control Description and Operation
Control Module References
Sensors and Dampers
IGN SW Fuse and Ignition Switch 1 of 2
06 ESUV-Fuse Block Left Rear B+ Bus
AIR BAG, CCP (RUN), EBCM (RUN), HDLP LEVELING, IGN 1 AND IGN 3 FUSES
AIR BAG, CCP (RUN), EBCM (RUN), HDLP LEVELING, IGN 1 AND IGN 3 FUSES
Fuse Block Right Rear B+ Bus
G402 1 of 2
Class 2 Serial Data 2 of 2
G401 2 of 2