GM Service Manual Online
For 1990-2009 cars only
Makes
🢒
Cadillac
🢒
2006
🢒
SRX
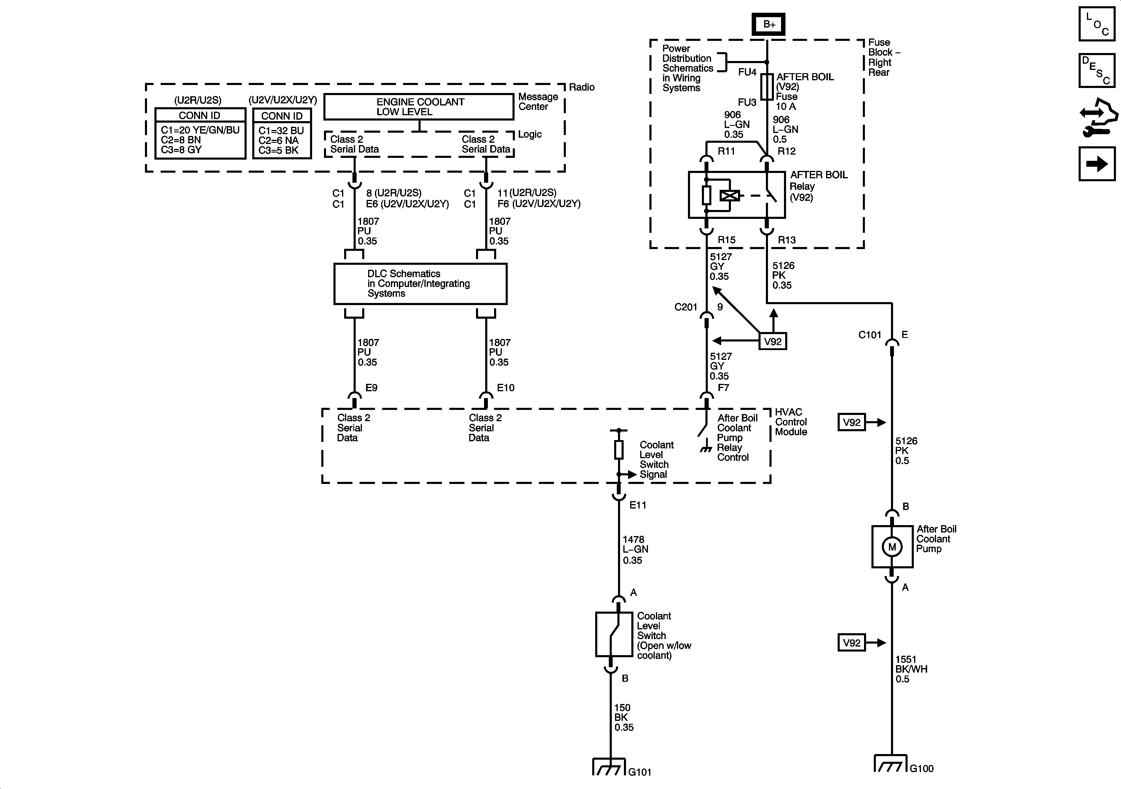
🢒 Indicators and Pump
Indicators and Pump
Indicators and Pump
Master Electrical Component List
Cooling System Description and Operation
Control Module References
Cooling Fans
06 ESUV-Fuse Block Left Rear B+ Bus
Class 2 Serial Data 1 of 2
G101
0G100-LH2