GM Service Manual Online
For 1990-2009 cars only

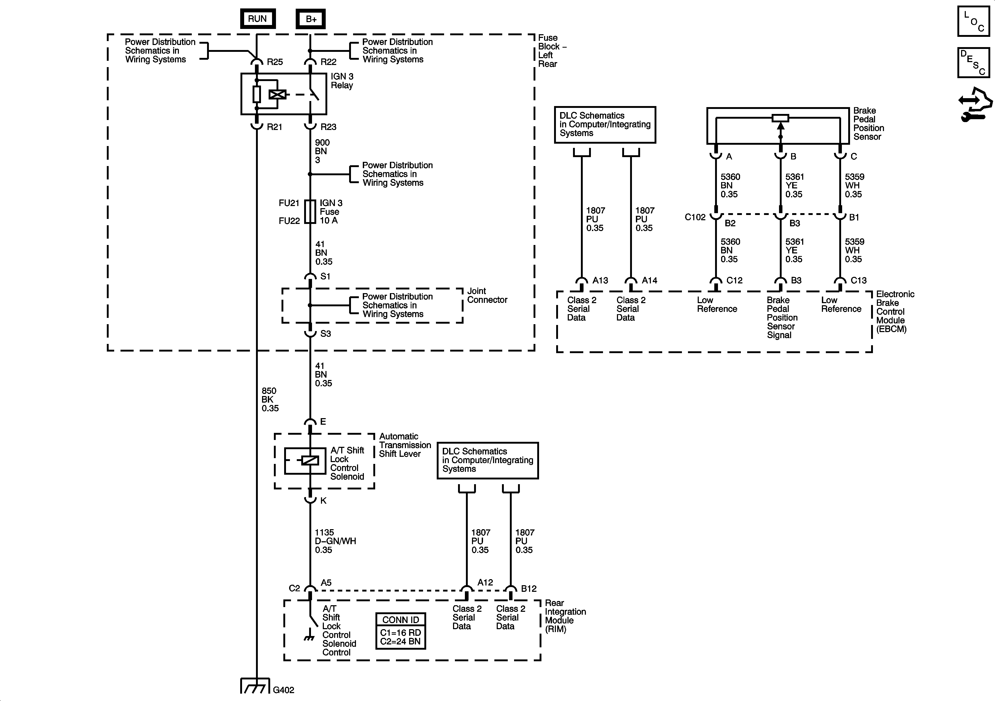
Shift Lock Schematics


Object Number: 1613995  Size: FS
Master Electrical Component List
Automatic Transmission Shift Lock Control Description and Operation
Control Module References
IGN SW Fuse and Ignition Switch 1 of 2
06 ESUV-Fuse Block Left Rear B+ Bus
Class 2 Serial Data 1 of 2
AIR BAG, CCP (RUN), EBCM (RUN), HDLP LEVELING, IGN 1 AND IGN 3 FUSES
AIR BAG, CCP (RUN), EBCM (RUN), HDLP LEVELING, IGN 1 AND IGN 3 FUSES
Class 2 Serial Data 2 of 2
G402 1 of 2