GM Service Manual Online
For 1990-2009 cars only

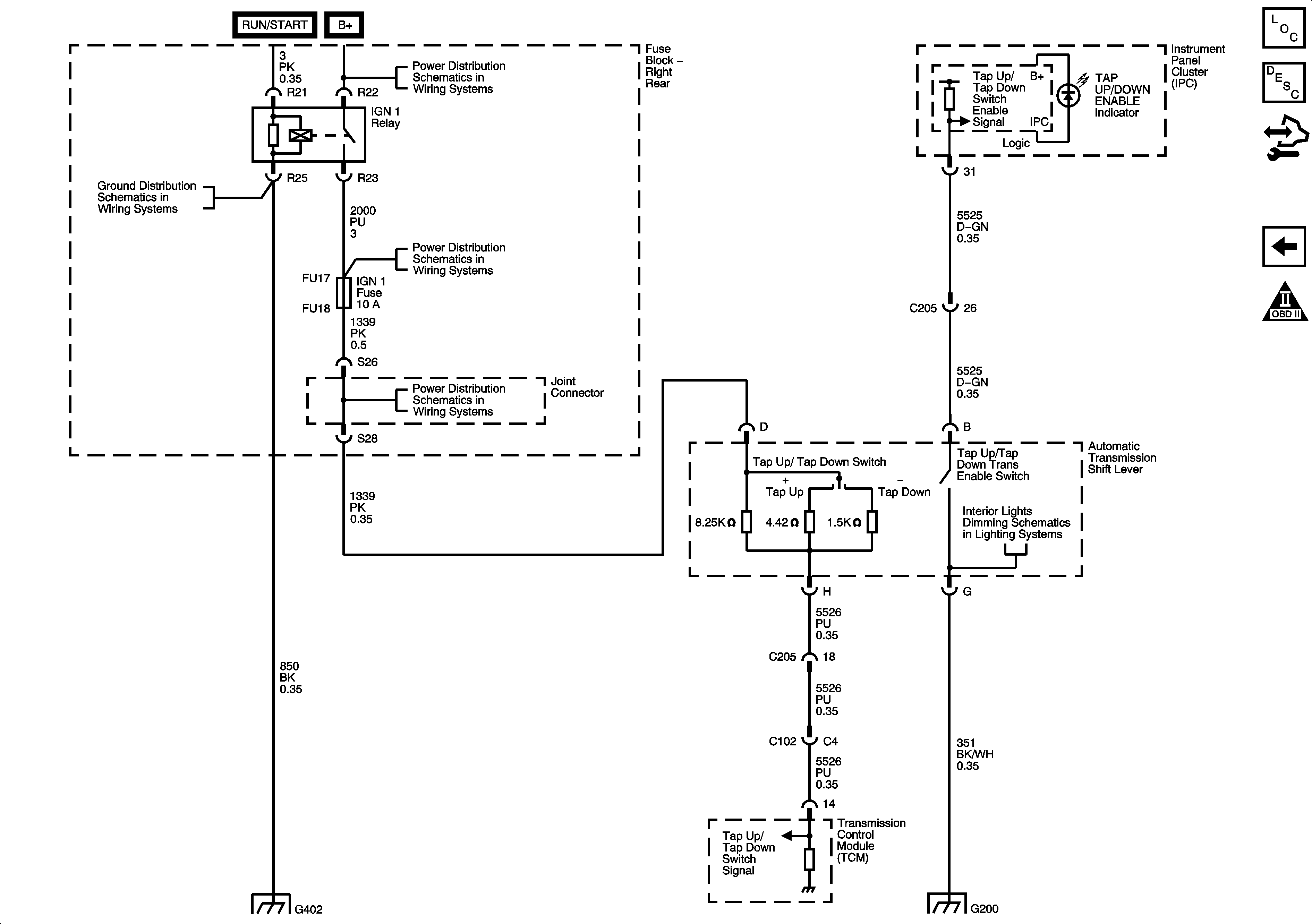
Shift Lever

Shift Lever


Object Number: 1614001  Size: FS
Master Electrical Component List
Electronic Component Description
Control Module References
Sensors and Solenoids
Automatic Transmission Schematic Icons
G402 1 of 2
06 ESUV-Fuse Block Left Rear B+ Bus
CCP B+, DIM/ALDL, EBCM B+, ECM/TCM, Flasher, and VOLT CHECK Fuses
CCP B+, DIM/ALDL, EBCM B+, ECM/TCM, Flasher, and VOLT CHECK Fuses
Dimming Lamps 1 of 2
G402 1 of 2
G200