GM Service Manual Online
For 1990-2009 cars only

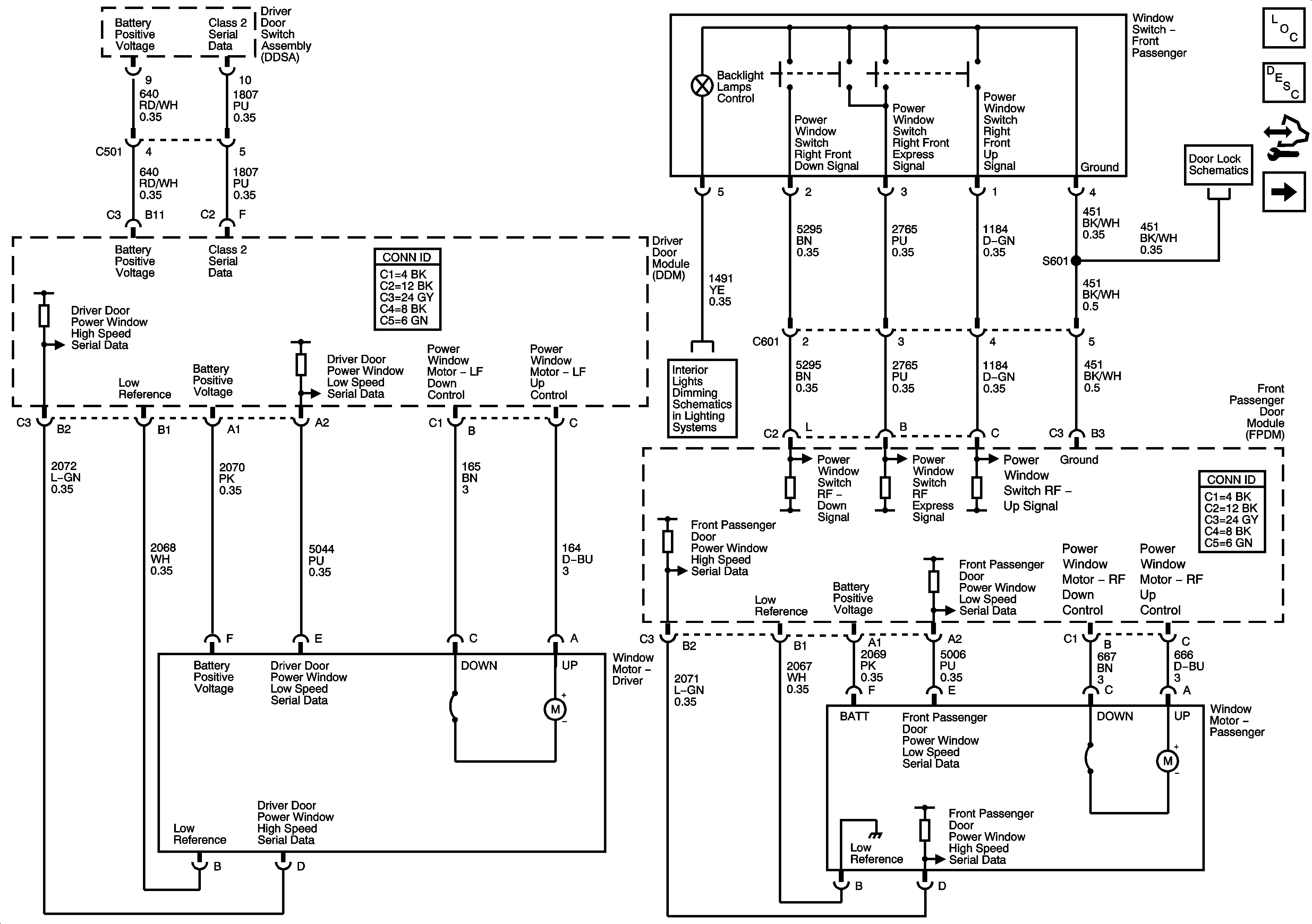
Front Power Windows

Front Power Windows


Object Number: 1614006  Size: FS
Master Electrical Component List
Power Windows Description and Operation
Control Module References
Rear Power Windows
Front Passenger Door Lock
Dimming Lamps 2 of 2