GM Service Manual Online
For 1990-2009 cars only

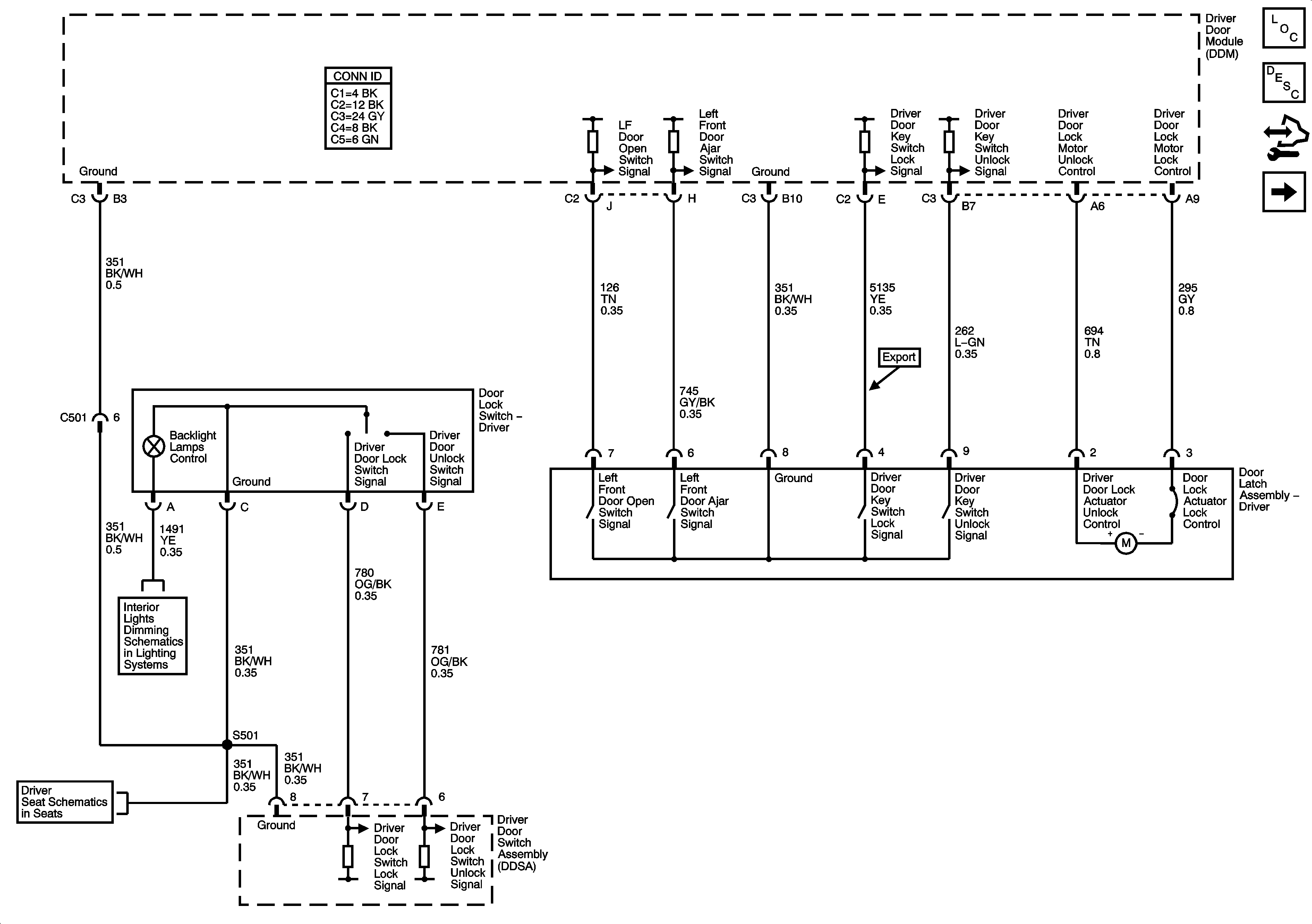
Driver Door Lock Schematics

Driver Door Lock


Object Number: 1614056  Size: FS
Master Electrical Component List
Power Door Locks Description and Operation
Control Module References
Front Passenger Door Lock
Dimming Lamps 2 of 2
Memory Seat Controls (A45)