GM Service Manual Online
For 1990-2009 cars only

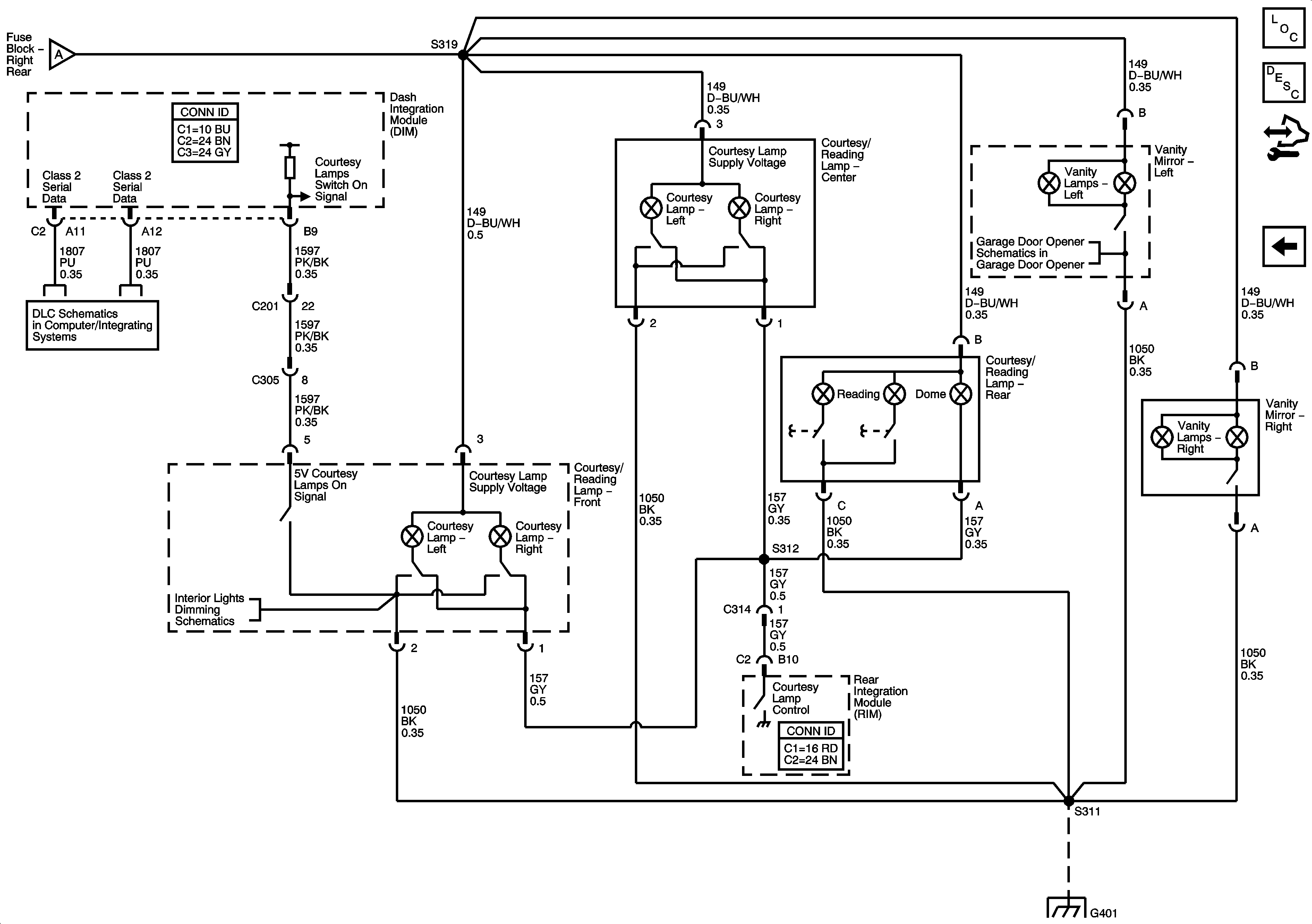
Courtesy/Reading Lamps

Courtesy/Reading Lamps


Object Number: 1614363  Size: FS
Master Electrical Component List
Interior Lighting Systems Description and Operation
Control Module References
Courtesy Lamps
Courtesy Lamps
Class 2 Serial Data 1 of 2
Interior Lamps Dimming Controls
G401 2 of 2