GM Service Manual Online
For 1990-2009 cars only

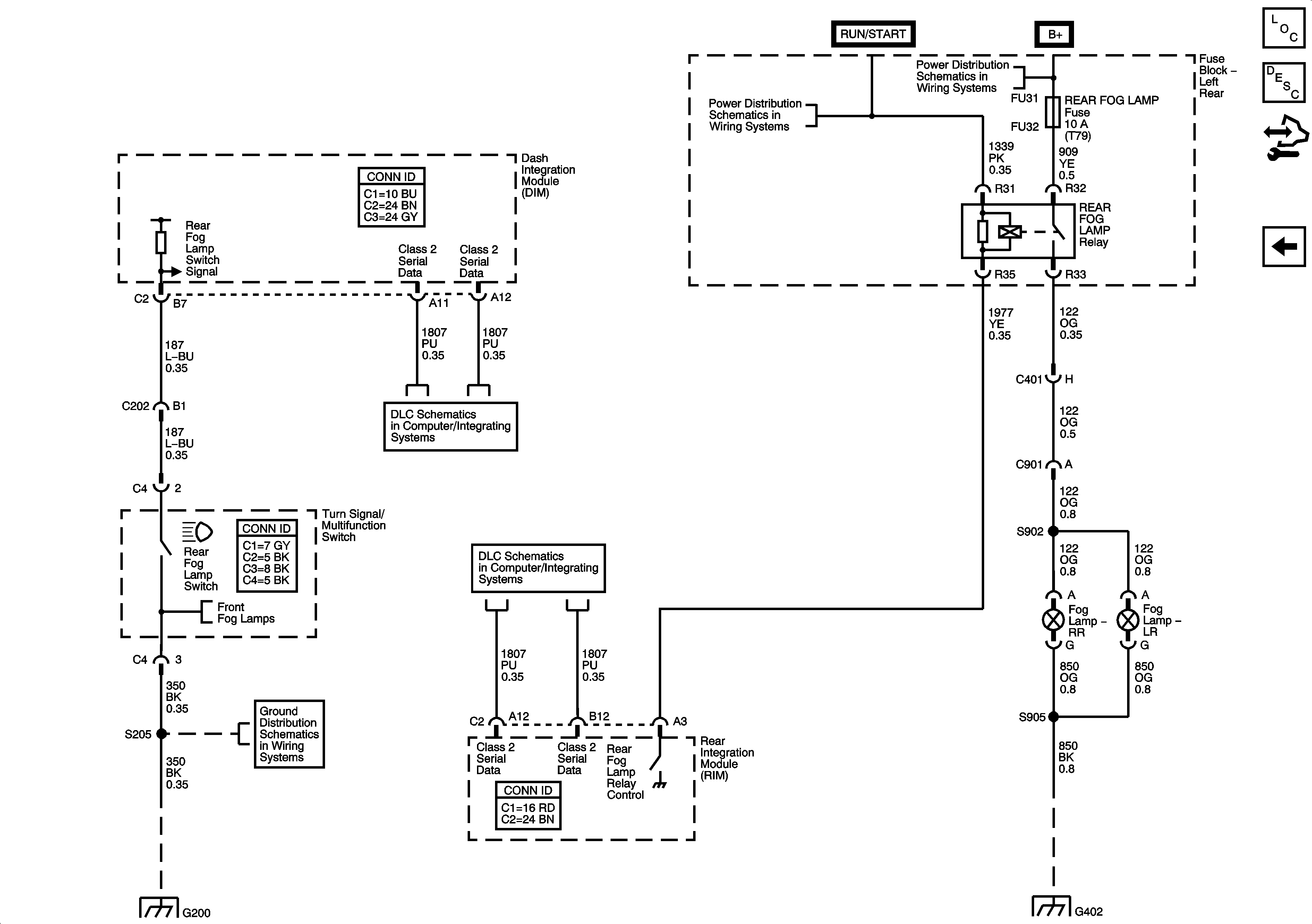
Rear Fog Lamps

Rear Fog Lamps


Object Number: 1614379  Size: FS
Master Electrical Component List
Exterior Lighting Systems Description and Operation
Control Module References
Front Fog Lamps
RIM and THEFT Fuses and Ignition Switch 2 of 2
Fuse Block Right Rear B+ Bus
Class 2 Serial Data 1 of 2
Class 2 Serial Data 2 of 2
G200
G200
G402 2 of 2