GM Service Manual Online
For 1990-2009 cars only

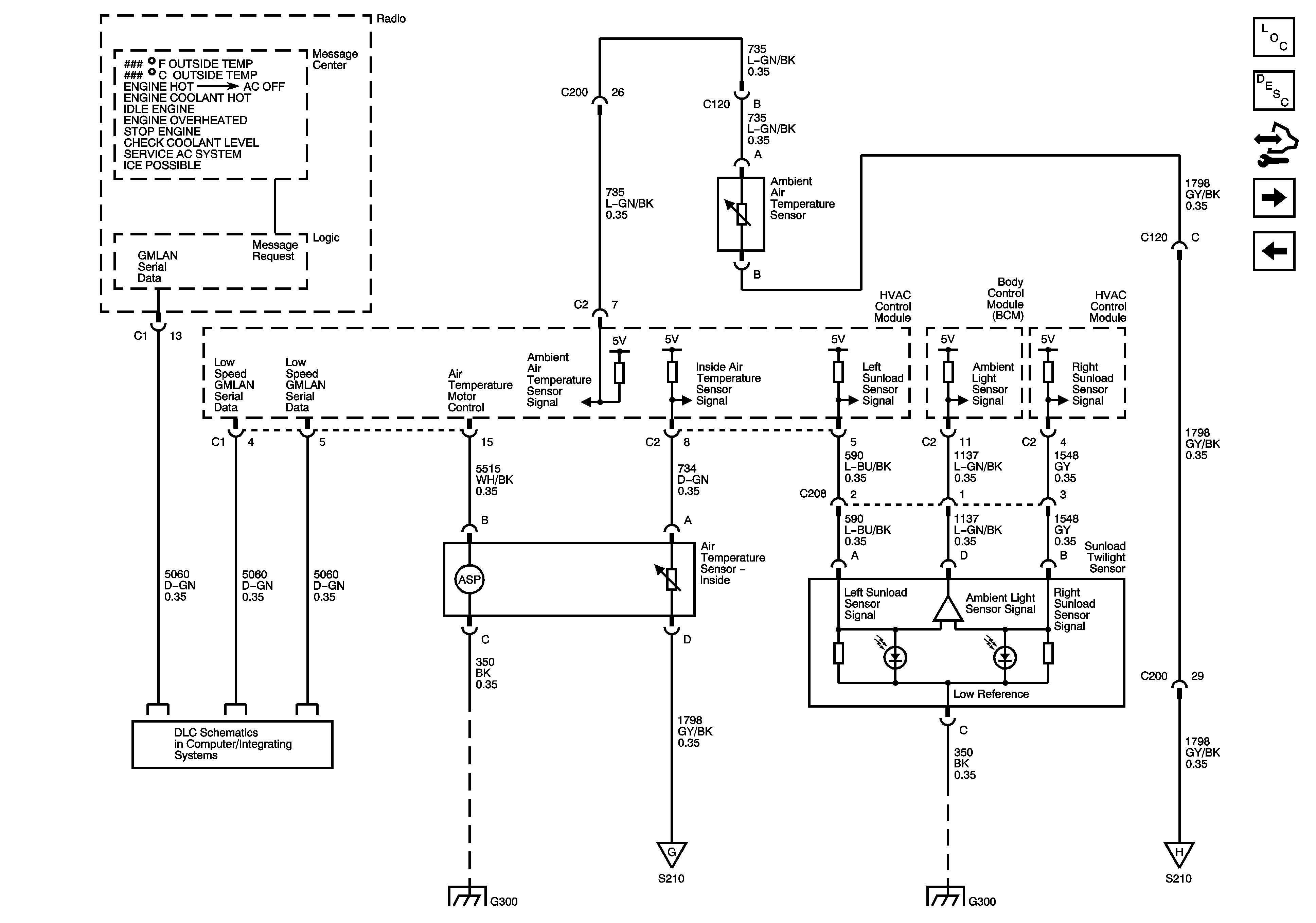
Air Temperature Sensors

Air Temperature Sensors


Object Number: 1614745  Size: FS
Master Electrical Component List
Air Temperature Description and Operation
Control Module References
Auxiliary HVAC CJ4
Compressor Controls
DLC Power, Ground, and Low Speed GMLAN
G300
Power, Ground, Blower Motor Control
G300
Power, Ground, Blower Motor Control