GM Service Manual Online
For 1990-2009 cars only
Makes
🢒
Cadillac
🢒
2006
🢒
SRX
🢒 Seat Belt Schematucs
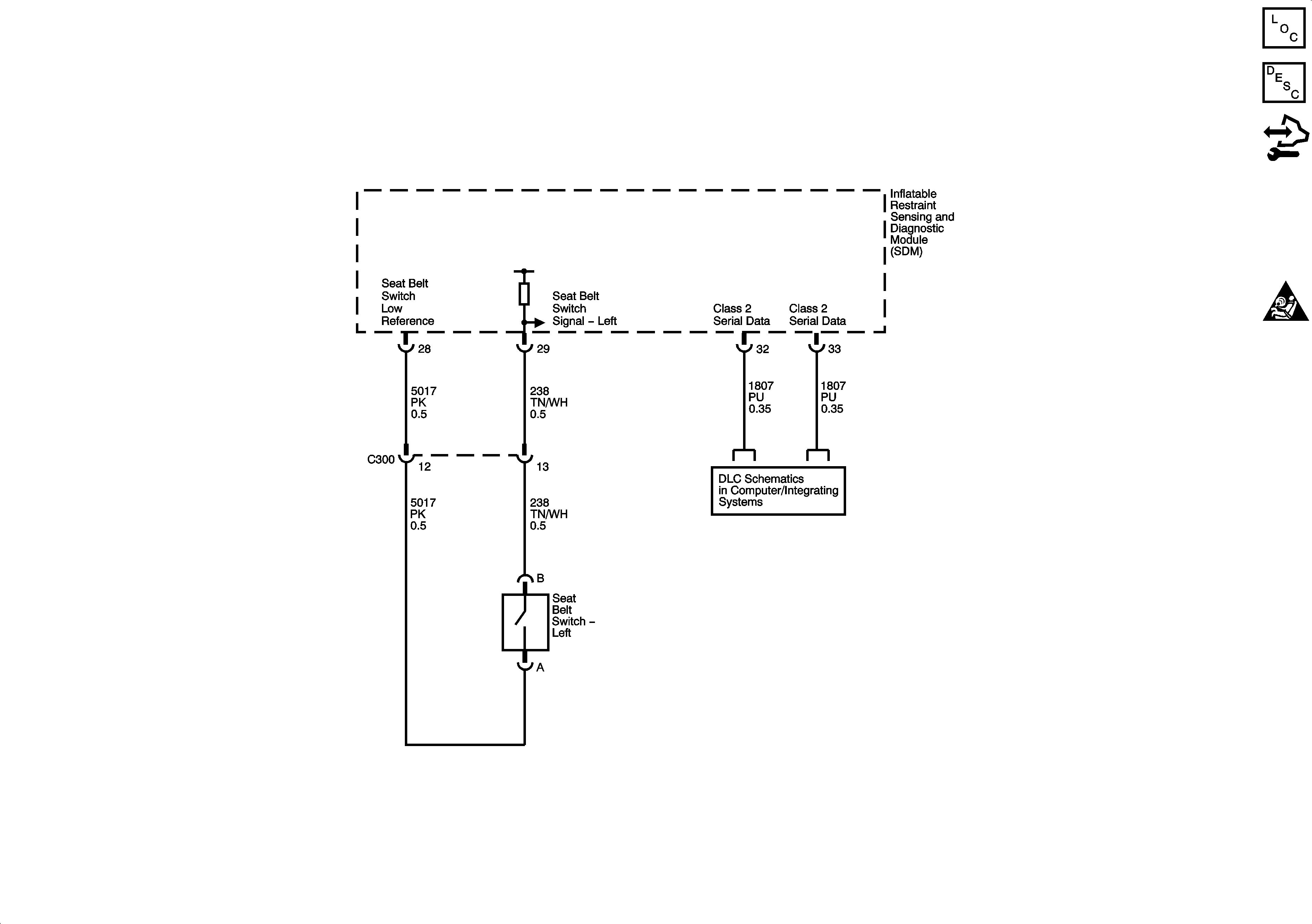
Seat Belt Schematucs
Master Electrical Component List
Seat Belt System Description and Operation
Control Module References
SIR Schematic Icons
Class 2 Serial Data 2 of 2