GM Service Manual Online
For 1990-2009 cars only
Makes
🢒
Cadillac
🢒
2006
🢒
SRX
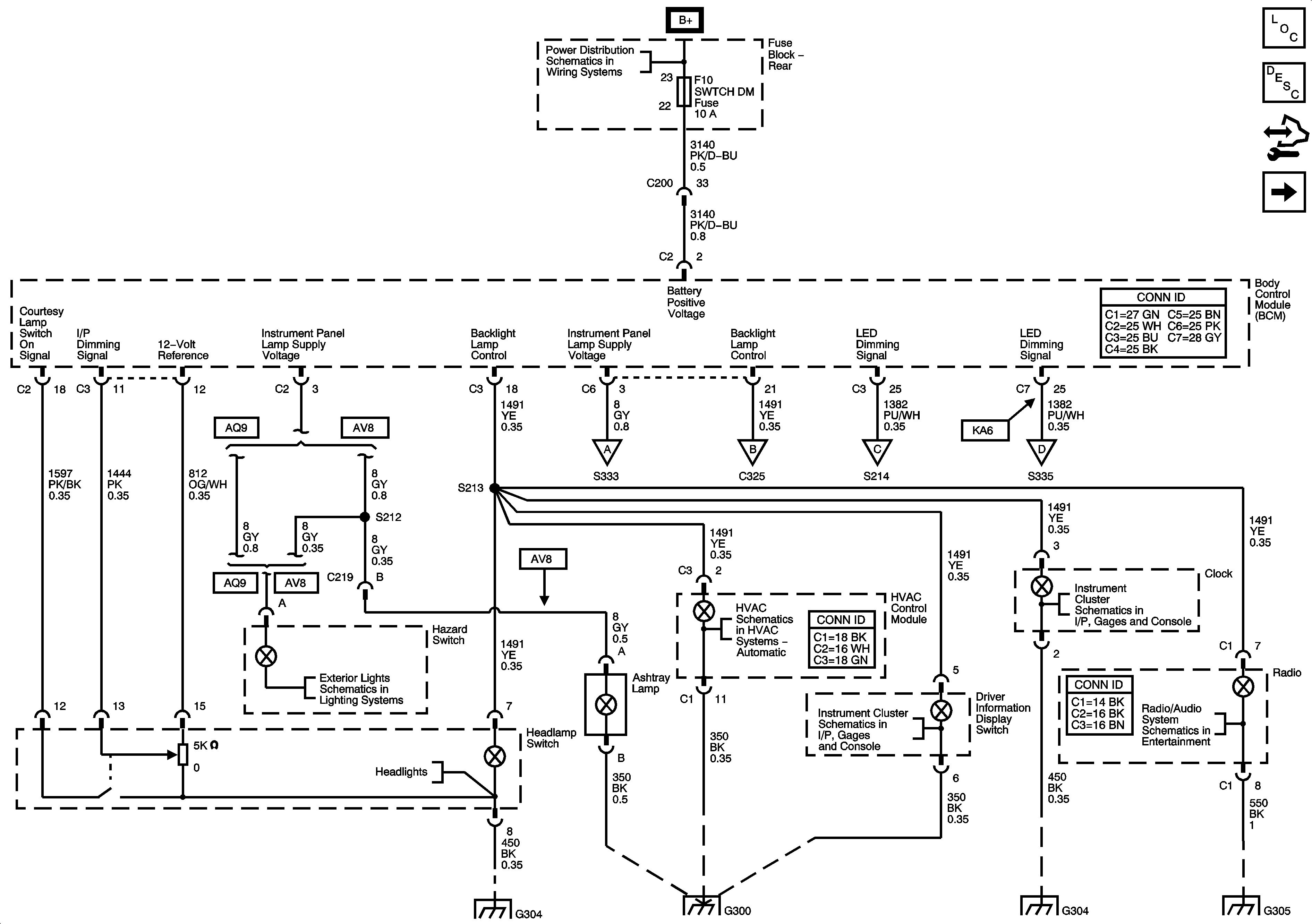
🢒 Hazard, Headlamp, Driver Information Display Switches, Ashtray, HVAC Control Module, Radio, Clock
Hazard, Headlamp, Driver Information Display Switches, Ashtray, HVAC Control Module, Radio, Clock
Hazard, Headlamp, Driver Information Display Switches, Ashtray, HVAC Control Module, Radio, Clock
Master Electrical Component List
Interior Lighting Systems Description and Operation
Control Module References
Window, Traction Control, Sun Shade, Sunroof Switches, Reverse Lockout Solenoid, Garage Door Opener, Rear Compartment Courtesy Lamp
Rear Fuse Block B+ Bus
Window, Traction Control, Sun Shade, Sunroof Switches, Reverse Lockout Solenoid, Garage Door Opener, Rear Compartment Courtesy Lamp
HVAC Control Module, Steering Wheel, Heated Seat KA6, Telltale Assembly Info Center
HVAC Control Module, Steering Wheel, Heated Seat KA6, Telltale Assembly Info Center
HVAC Control Module, Steering Wheel, Heated Seat KA6, Telltale Assembly Info Center
Front Turn Signal/Hazard Lamps
Power, Ground, Blower Motor Control
Power, Ground, Clock
Inflatable Restraint I/P Module Indicator, Telltale Assembly Info Center, Driver Information Display
Power, Ground, Digital Radio Receiver (U2K), Antennas
G300
G304
G304
G305
Headlamp Switch