GM Service Manual Online
For 1990-2009 cars only
Makes
🢒
Cadillac
🢒
2006
🢒
SRX
🢒 Vehicle Theft Deterrent (VTD)
Vehicle Theft Deterrent (VTD)
Vehicle Theft Deterrent (VTD)
Master Electrical Component List
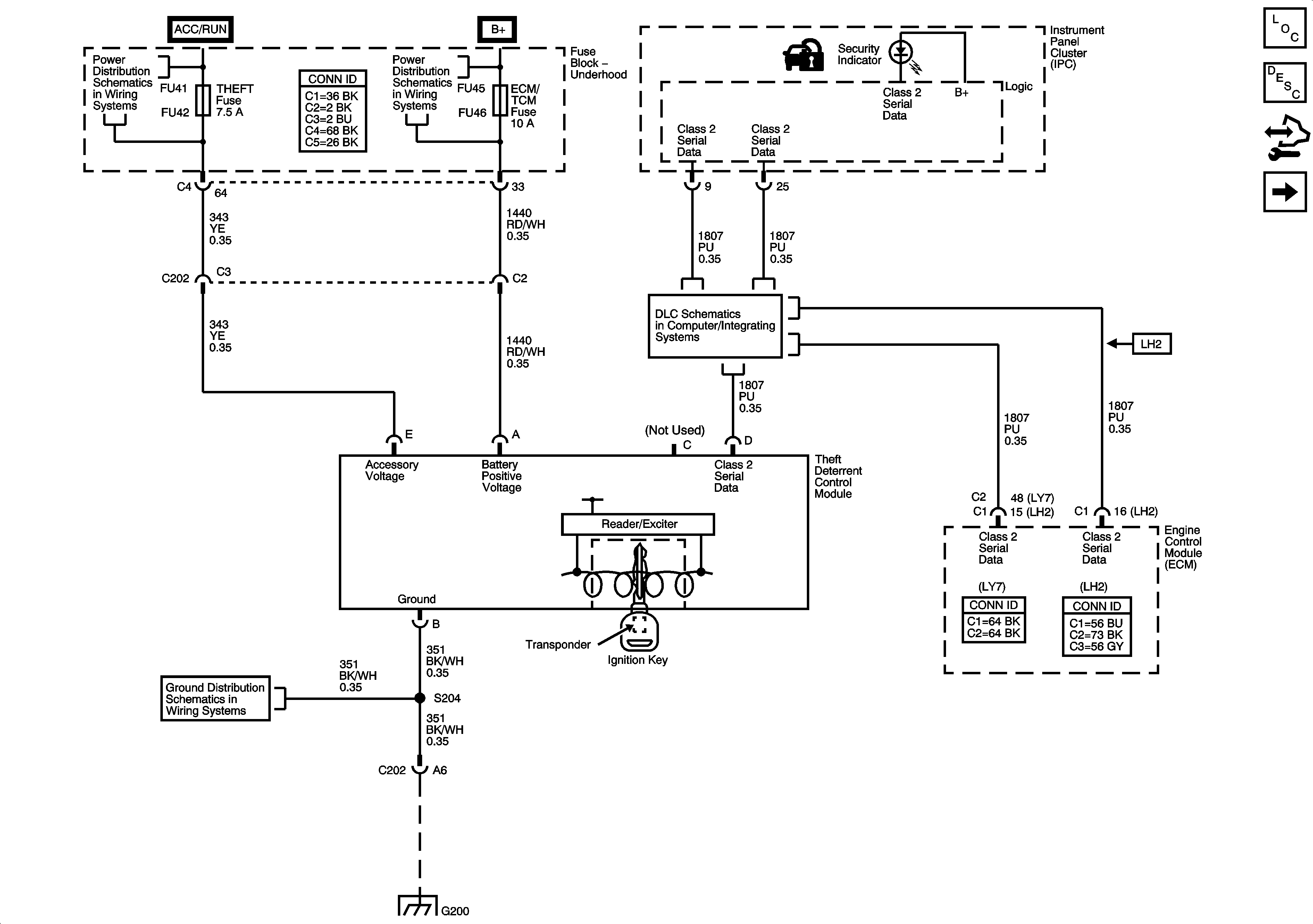
Vehicle Theft Deterrent (VTD) Description and Operation
Control Module References
CTD Sensors and Sirens (UA2)
RIM and THEFT Fuses and Ignition Switch 2 of 2
Class 2 Serial Data 1 of 2
G200
G200