GM Service Manual Online
For 1990-2009 cars only

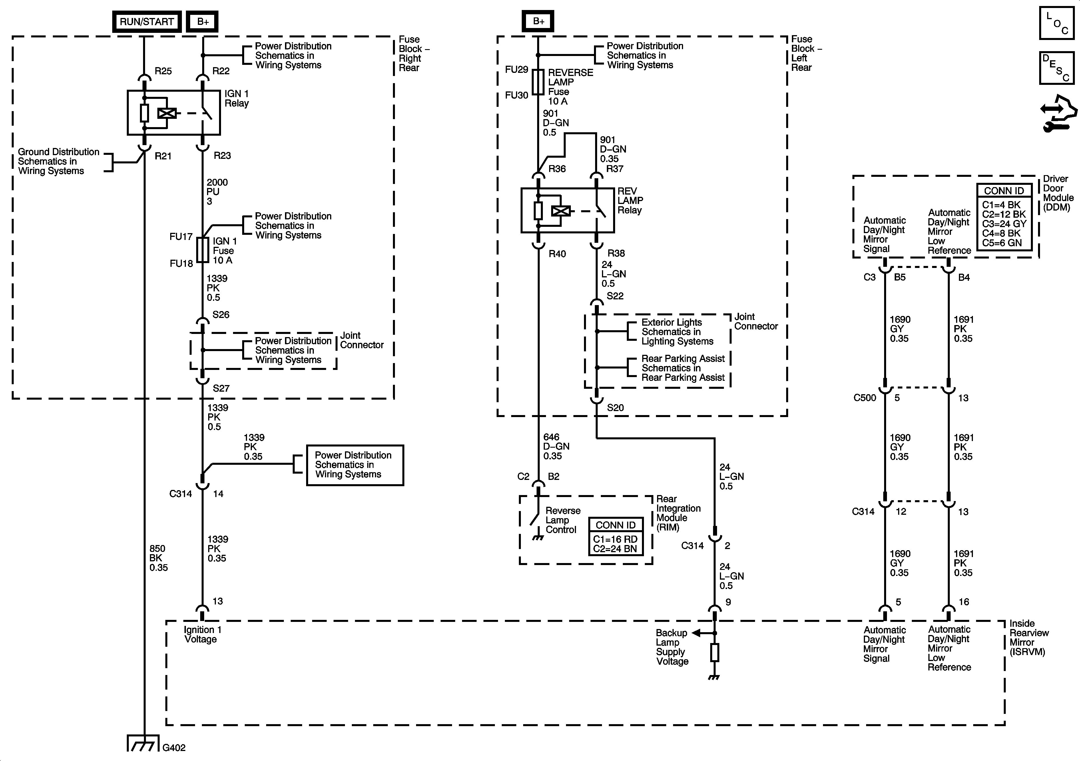
Inside Rearview Mirror Schematics


Object Number: 1621108  Size: FS
Master Electrical Component List
Automatic Day-Night Mirror Description and Operation
Control Module References
G402 1 of 2
Fuse Block Right Rear B+ Bus
AIR BAG, CCP (RUN), EBCM (RUN), HDLP LEVELING, IGN 1 AND IGN 3 FUSES
AIR BAG, CCP (RUN), EBCM (RUN), HDLP LEVELING, IGN 1 AND IGN 3 FUSES
AIR BAG, CCP (RUN), EBCM (RUN), HDLP LEVELING, IGN 1 AND IGN 3 FUSES
G402 1 of 2
06 ESUV-Fuse Block Left Rear B+ Bus
Backup Lamps
Rear Parking Assist Schematics