GM Service Manual Online
For 1990-2009 cars only

Battery Negative Cable Replacement LY7 (LHD)

Removal Procedure

Important: 

   • Always use replacement cables that are of the same type, diameter and length of the cables that you are replacing.
   • Always route the replacement cable the same as the original cable.


    Object Number: 1863294  Size: SH
  1. Disconnect the negative battery cable. Refer to Battery Negative Cable Disconnection and Connection .
  2. Disconnect the instrument panel (I/P) wiring harness electrical connector (1) from the negative battery cable electrical connector (4).
  3. Disconnect the I/P wiring harness electrical connector (3) from the battery current sensor (2).

  4. Object Number: 1863299  Size: SH
  5. Remove the negative battery cable ground bolt (3).
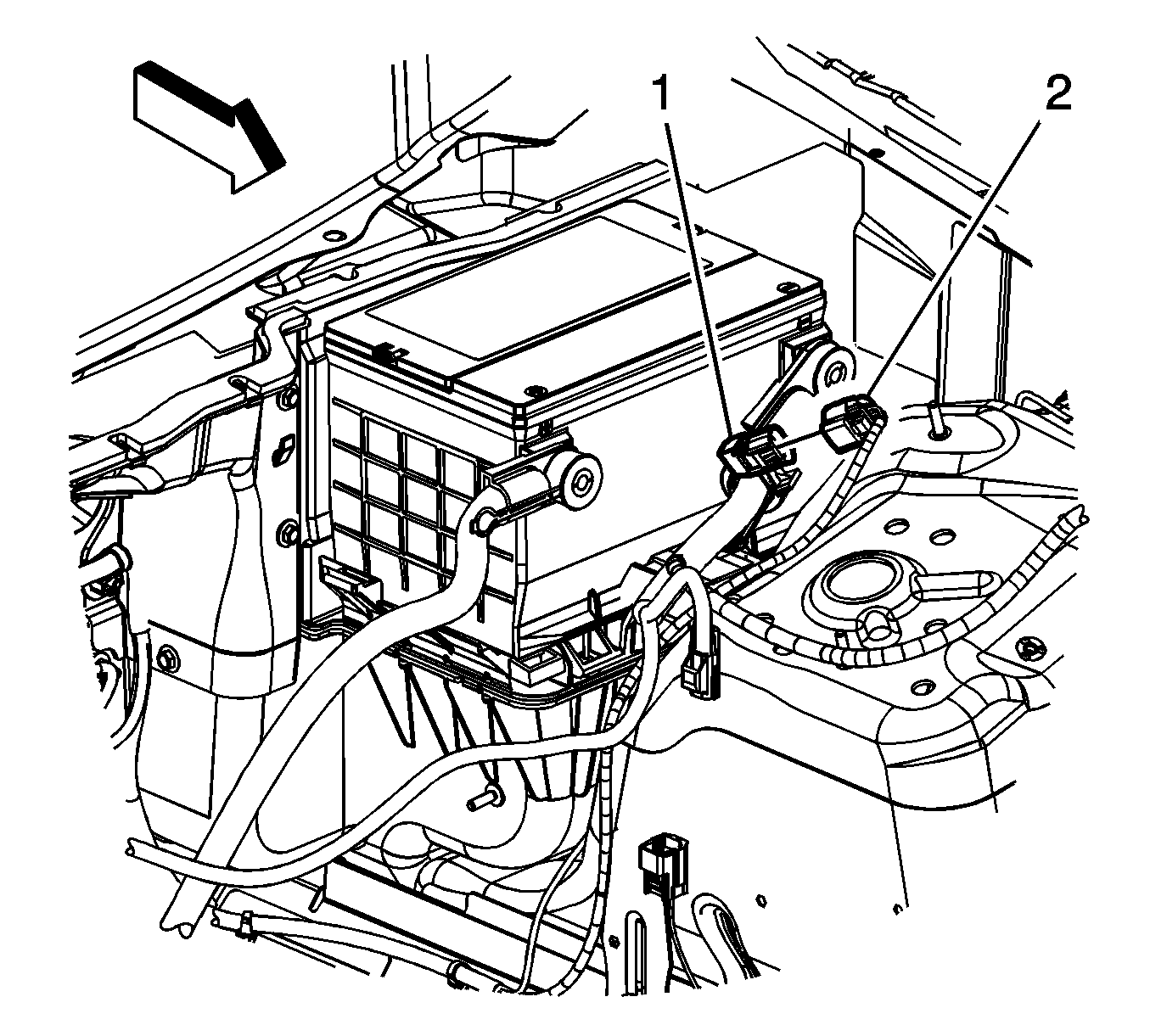
  6. Remove the negative battery cable clip (1) from the strut tower stud.

  7. Object Number: 1522523  Size: SH
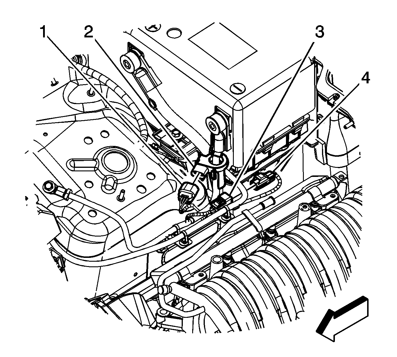
  8. Remove the negative cable ground stud at the cylinder head.
  9. Remove the negative battery cable from the vehicle.

Installation Procedure


    Object Number: 1522523  Size: SH
  1. Position the negative cable to the cylinder head.
  2. Notice: Refer to Fastener Notice in the Preface section.

  3. Install the negative battery cable ground stud.
  4. Tighten
    Tighten the stud to 50 N·m (37 lb ft).


    Object Number: 1863299  Size: SH
  5. Install the negative battery cable clip (1) to the strut tower stud and position the cable ground.
  6. Install the negative battery cable ground bolt (3).
  7. Tighten
    Tighten the bolt to 25 N·m (18 lb ft).


    Object Number: 1863294  Size: SH
  8. Connect the I/P wiring harness electrical connector (3) to the battery current sensor (2).
  9. Connect the I/P wiring harness electrical connector (1) to the negative battery cable electrical connector (4).
  10. Connect the negative battery cable. Refer to Battery Negative Cable Disconnection and Connection .

Battery Negative Cable Replacement LY7 (RHD)

Removal Procedure

Important: 

   • Always use replacement cables that are of the same type, diameter and length of the cables that you are replacing.
   • Always route the replacement cable the same as the original cable.


    Object Number: 1863313  Size: SH
  1. Remove the fuel injector sight shield. Refer to Fuel Injector Sight Shield Replacement .
  2. Disconnect the negative battery cable. Refer to Battery Negative Cable Disconnection and Connection .
  3. Disconnect the instrument panel (I/P) wiring harness electrical connector (2) from the negative battery cable electrical connector (1).

  4. Object Number: 1863281  Size: SH
  5. Disconnect the I/P wiring harness electrical connector (2) from the battery current sensor.

  6. Object Number: 1863316  Size: SH
  7. Remove the negative battery cable ground bolt (2).

  8. Object Number: 1863322  Size: SH
  9. Remove the negative cable ground bolt (1) at the cylinder head.
  10. Remove the negative battery cable from the vehicle.

Installation Procedure


    Object Number: 1863322  Size: SH
  1. Position the negative cable to the cylinder head.
  2. Notice: Refer to Fastener Notice in the Preface section.

  3. Install the negative battery cable ground bolt (1).
  4. Tighten
    Tighten the bolt to 45 N·m (33 lb ft).


    Object Number: 1863316  Size: SH
  5. Position the negative battery cable (1) to the strut tower.
  6. Install the negative battery cable ground bolt (2).
  7. Tighten
    Tighten the bolt to 25 N·m (18 lb ft).


    Object Number: 1863281  Size: SH
  8. Connect the I/P wiring harness electrical connector (2) to the battery current sensor.

  9. Object Number: 1863313  Size: SH
  10. Connect the I/P wiring harness electrical connector (2) to the negative battery cable electrical connector (1).
  11. Connect the negative battery cable. Refer to Battery Negative Cable Disconnection and Connection .
  12. Install the fuel injector sight shield. Refer to Fuel Injector Sight Shield Replacement .

Battery Negative Cable Replacement LH2 (LHD)

Removal Procedure

Important: 

   • Always use replacement cables that are of the same type, diameter and length of the cables that you are replacing.
   • Always route the replacement cable the same way as the original cable.


    Object Number: 1863299  Size: SH
  1. Disconnect the negative battery cable. Refer to Battery Negative Cable Disconnection and Connection .
  2. Remove the fuel injector sight shield. Refer to Fuel Injector Sight Shield Replacement .
  3. Remove the negative battery cable ground bolt (3).
  4. Remove the negative battery cable clip (1) from the strut tower stud.

  5. Object Number: 1863292  Size: SH
  6. Disconnect the instrument panel (I/P) wiring harness electrical connector (1) from the battery current sensor (2).
  7. Disconnect the I/P wiring harness electrical connector (4) from the negative battery cable electrical connector (3).

  8. Object Number: 1863599  Size: SH
  9. Remove the negative battery cable ground bolt (1) from the cylinder head.

  10. Object Number: 1863704  Size: SH
  11. Remove the negative battery cable clip from the engine wiring harness bracket.
  12. Remove the negative battery cable from the vehicle.

Installation Procedure


    Object Number: 1863704  Size: SH
  1. Install the negative battery cable to the vehicle.
  2. Install the negative battery cable clip to the engine wiring harness bracket.

  3. Object Number: 1863599  Size: SH
  4. Position the negative battery cable to the cylinder head.
  5. Notice: Refer to Fastener Notice in the Preface section.

  6. Install the negative battery cable ground bolt (1) to the cylinder head.
  7. Tighten
    Tighten the bolt to 45 N·m (33 lb ft).


    Object Number: 1863292  Size: SH
  8. Connect the I/P wiring harness electrical connector (4) to the negative battery cable electrical connector (3).
  9. Connect the I/P wiring harness electrical connector (1) to the battery current sensor (2).

  10. Object Number: 1863299  Size: SH
  11. Install the negative battery cable clip (1) to the strut tower stud.
  12. Install the negative battery cable ground bolt (3).
  13. Tighten
    Tighten the bolt to 20 N·m (15 lb ft).

  14. Install the fuel injector sight shield. Refer to Fuel Injector Sight Shield Replacement .
  15. Connect the negative battery cable. Refer to Battery Negative Cable Disconnection and Connection .

Battery Negative Cable Replacement LH2 (RHD)

Removal Procedure

Important: 

   • Always use replacement cables that are of the same type, diameter and length of the cables that you are replacing.
   • Always route the replacement cable the same way as the original cable.


    Object Number: 1863316  Size: SH
  1. Disconnect the negative battery cable. Refer to Battery Negative Cable Disconnection and Connection .
  2. Remove the negative battery cable ground bolt (2).

  3. Object Number: 1863281  Size: SH
  4. Disconnect the instrument panel (I/P) wiring harness electrical connector (2) from the battery current sensor (1).

  5. Object Number: 1863313  Size: SH
  6. Disconnect the I/P wiring harness electrical connector (2) from the negative battery cable electrical connector (1).

  7. Object Number: 1863707  Size: SH
  8. Remove the negative battery cable ground bolt from the cylinder head.
  9. Remove the negative battery cable from the vehicle.

Installation Procedure


    Object Number: 1863707  Size: SH
  1. Install the negative battery cable to the vehicle.
  2. Notice: Refer to Fastener Notice in the Preface section.

  3. Position the negative battery cable to the cylinder head and install the ground bolt.
  4. Tighten
    Tighten the bolt to 45 N·m (33 lb ft).


    Object Number: 1863313  Size: SH
  5. Connect the I/P wiring harness electrical connector (2) to the negative battery cable electrical connector (1).

  6. Object Number: 1863281  Size: SH
  7. Connect the I/P wiring harness electrical connector (2) to the battery current sensor (1).

  8. Object Number: 1863316  Size: SH
  9. Position the negative battery cable and install the negative battery cable ground bolt (2).
  10. Tighten
    Tighten the bolt to 20 N·m (15 lb ft).

  11. Connect the negative battery cable. Refer to Battery Negative Cable Disconnection and Connection .