GM Service Manual Online
For 1990-2009 cars only
Makes
🢒
Cadillac
🢒
2007
🢒
SRX
🢒
Diagnostic Navigation
🢒
Vehicle Diagnostic Information
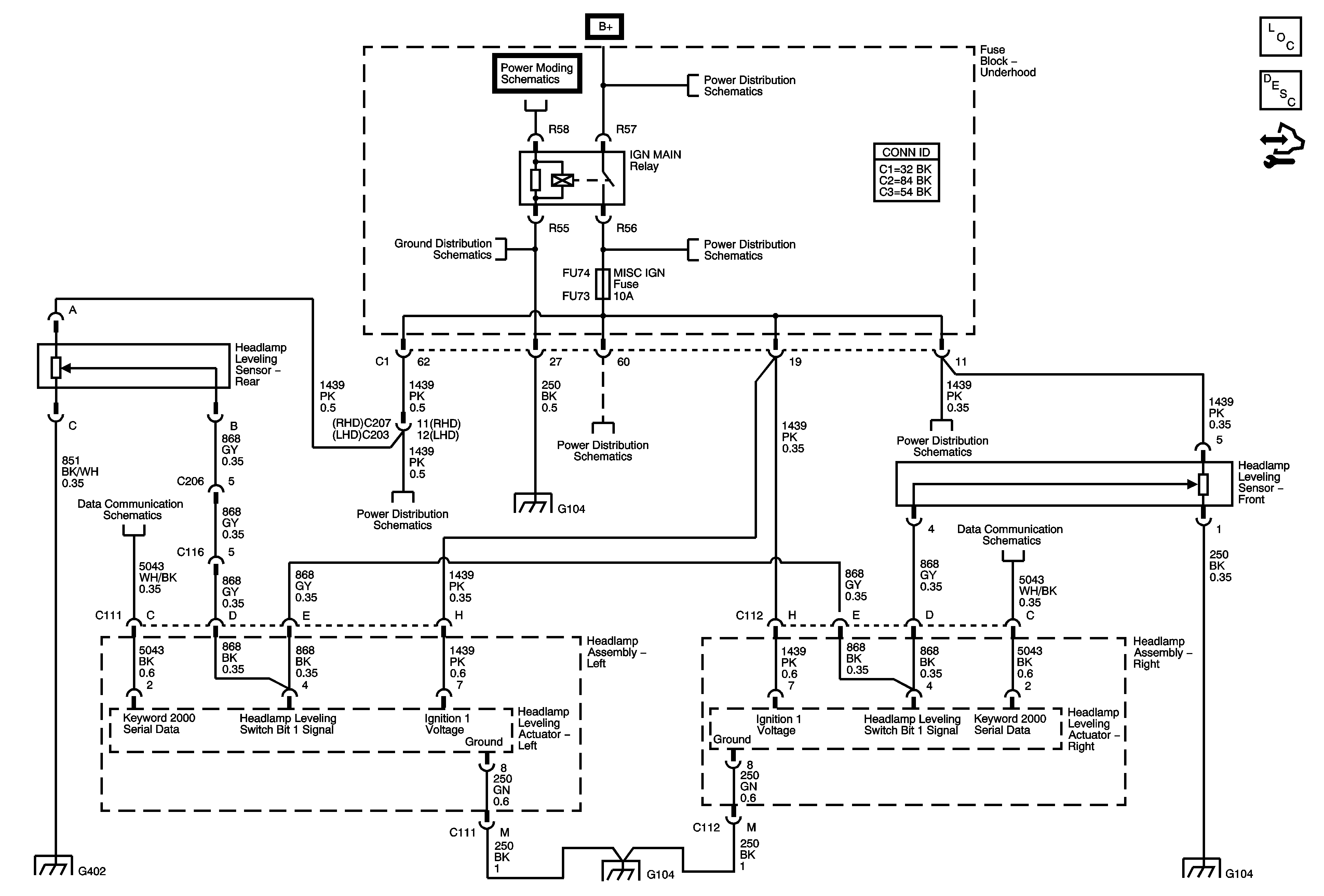
🢒 Headlight Leveling Schematics
Master Electrical Component List
Exterior Lighting Systems Description and Operation
Control Module References
Ignition Power Modes - RUN
Underhood Fuse Block B+ Bus - 2 of 2
G104 (2 of 2)
Underhood Fuse Block B+ Bus - 2 of 2
Power, Ground, and Key Word 2000 Serial Data
IGN MAIN Relay, ABS IGN Fuse, AIRBAG Fuse, ECM TCM IGN Fuse, and MISC IGN Fuse
G104 (2 of 2)
IGN MAIN Relay, ABS IGN Fuse, AIRBAG Fuse, ECM TCM IGN Fuse, and MISC IGN Fuse
IGN MAIN Relay, ABS IGN Fuse, AIRBAG Fuse, ECM TCM IGN Fuse, and MISC IGN Fuse
Power, Ground, and Key Word 2000 Serial Data
G402 (1 of 2)
G104 (1 of 2)
G104 (2 of 2)