GM Service Manual Online
For 1990-2009 cars only
Makes
🢒
Cadillac
🢒
2007
🢒
SRX
🢒
Suspension
🢒
Automatic Level Control
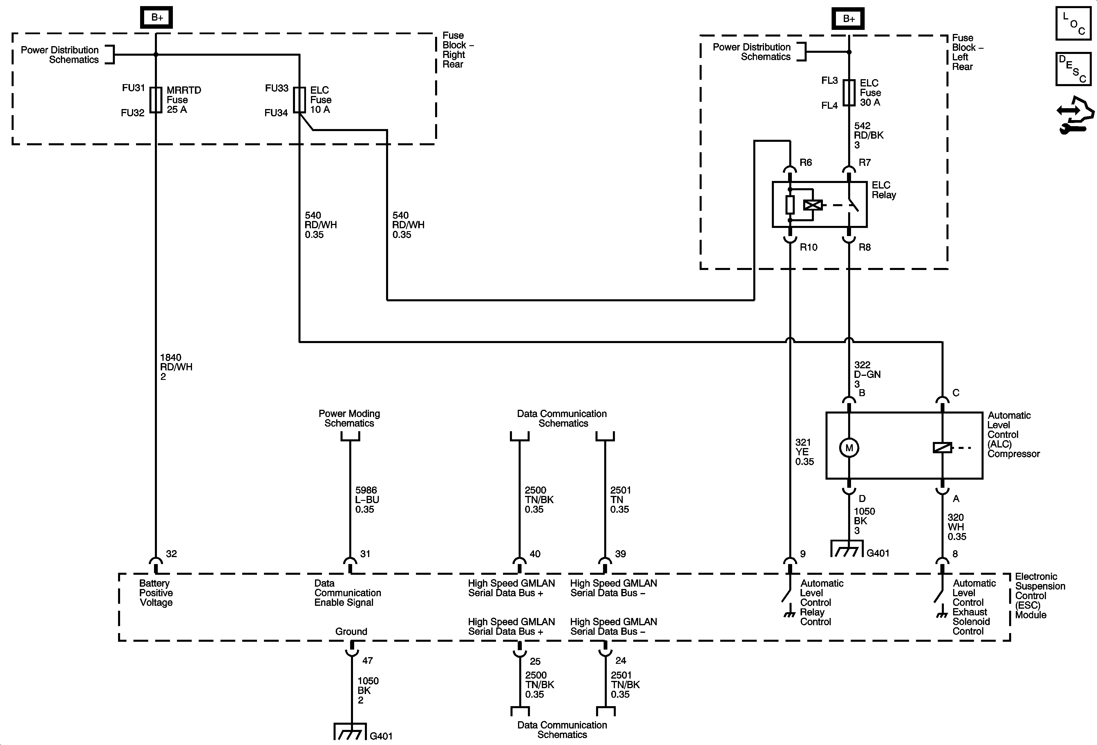
🢒 Automatic Level Control Schematics
Master Electrical Component List
Automatic Level Control Description and Operation
Control Module References
Right Rear Fuse Block B+ Bus
Left Rear Fuse Block B+ Bus
Power Modes - ACCY and RAP
High Speed GMLAN
G401 (1 of 3)
G401 (2 of 3)
High Speed GMLAN