GM Service Manual Online
For 1990-2009 cars only
Makes
🢒
Cadillac
🢒
2007
🢒
SRX
🢒
Suspension
🢒
Tire Pressure Monitoring
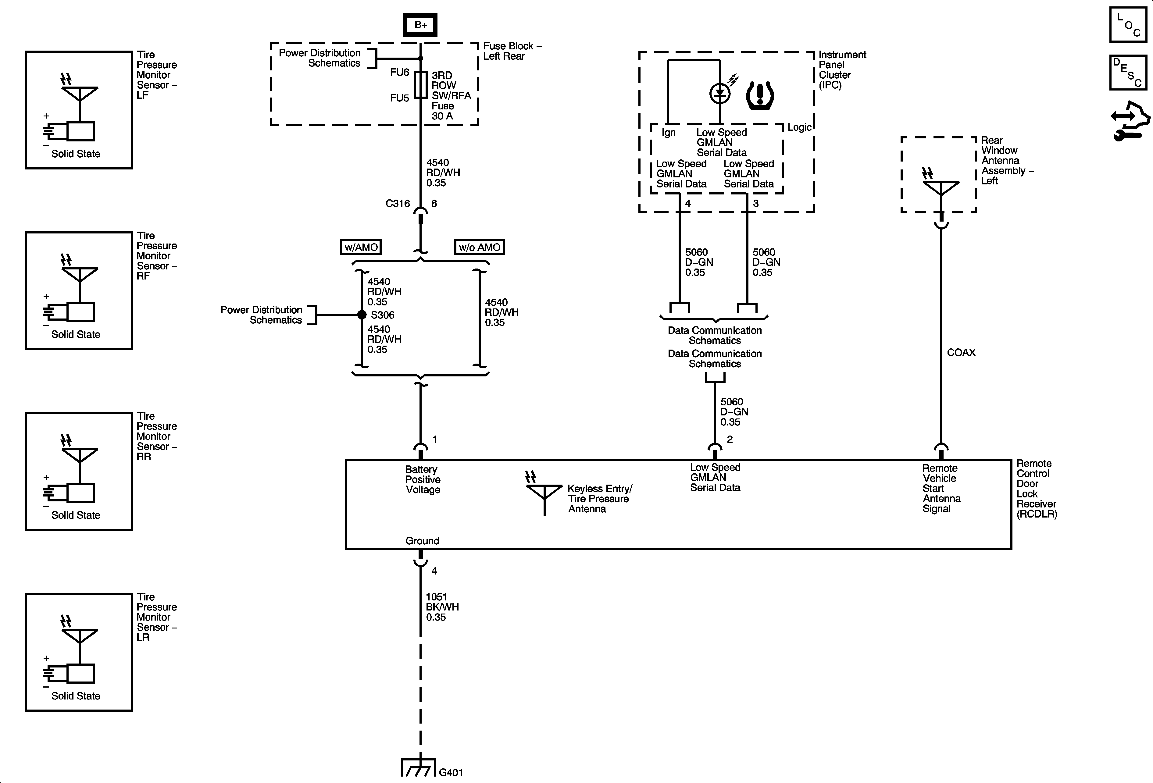
🢒 Tire Pressure Monitoring System Schematics
Master Electrical Component List
Control Module References
Left Rear Fuse Block B+ Bus
3RD ROW SW/RFA Fuse, AMP Fuse, ONSTAR TV/XM Fuse, RSA/RSE Fuse, and RSM Fuse
Low Speed GMLAN Serial Data 1 of 2
Low Speed GMLAN Serial Data 2 of 2
G401 (1 of 3)