GM Service Manual Online
For 1990-2009 cars only
Makes
🢒
Cadillac
🢒
2007
🢒
SRX
🢒
Body Systems
🢒
Lighting
🢒 Interior Lights Schematics
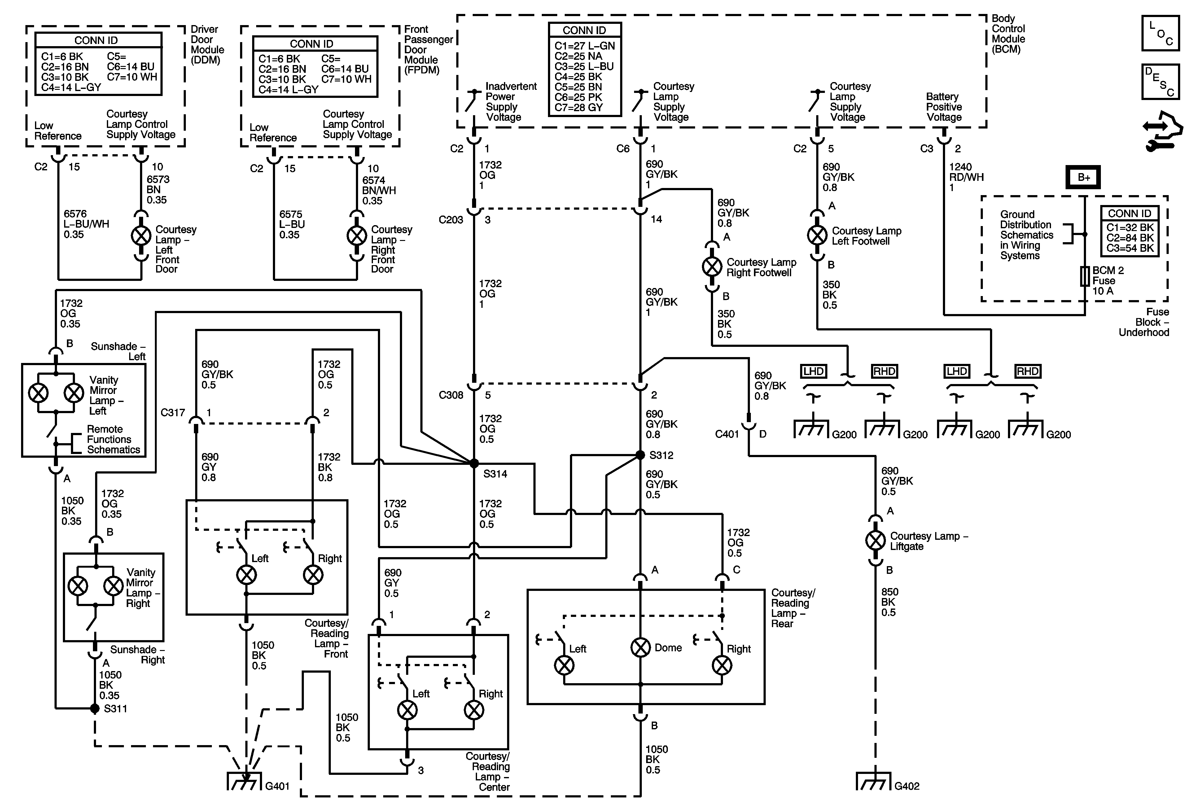
Courtesy Lamps
Master Electrical Component List
Interior Lighting Systems Description and Operation
Control Module References
Garage Door Opener Schematics
G200 (1 of 2) LHD
G200 2 OF 2 (RHD)
G200 (1 of 2) LHD
G200 2 OF 2 (RHD)
G401 (1 of 3)
G402 (2 of 2)