GM Service Manual Online
For 1990-2009 cars only

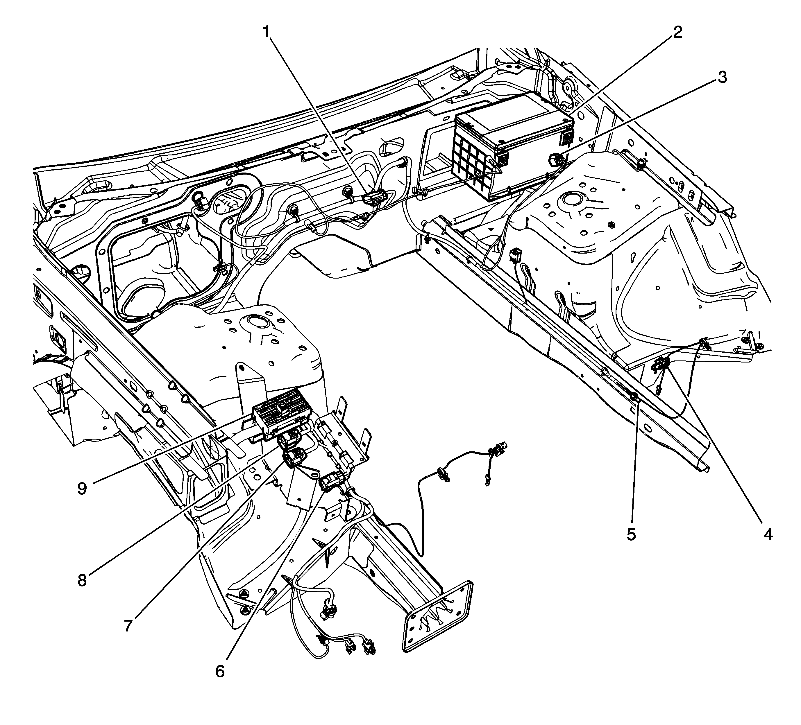
Harness Routing Views LHD

Figure 1:

Forward Lamp Harness


Object Number: 1827830  Size: LF
(1)S104 (TR7)
(2)C112
(3)C114 (T90)
(4)C109
(5)S105 (K14)
(6)Fuse Block - Underhood Bracket
(7)C116
(8)G104
(9)G110 (LH2)
(10)C113 (LH2)
(11)C110
(12)C115 (T90)
(13)C111
Figure 2:

Front Engine Compartment (LH2)


Object Number: 1827828  Size: LF
(1)S118
(2)C140
(3)S122
(4)S123
(5)C139
(6)S115
(7)S114
(8)S101
(9)C113
(10)S100
(11)C105
(12)C101
Figure 3:

Rear of Engine Compartment (LH2)


Object Number: 1827826  Size: LF
(1)C104
(2)Fuse Block - Underhood C3
(3)G100
(4)G107
(5)C175
(6)C107
(7)Heated Oxygen Sensor (HO2S) Bank 1 Sensor 1
(8)C102
Figure 4:

Front of Engine Compartment (LY7)


Object Number: 1827812  Size: LF
(1)C108
(2)S108
(3)S109
(4)G110
(5)C105
(6)C101
Figure 5:

Right Side of Engine (LY7)


Object Number: 1827800  Size: LF
(1)S111
(2)S114
(3)G106
(4)S118
(5)S100
(6)S101
(7)C175
(8)G109
(9)S112
Figure 6:

Left Side of Engine (LY7)


Object Number: 1827821  Size: LF
(1)S102
(2)S112
(3)G111
(4)C102
Figure 7:

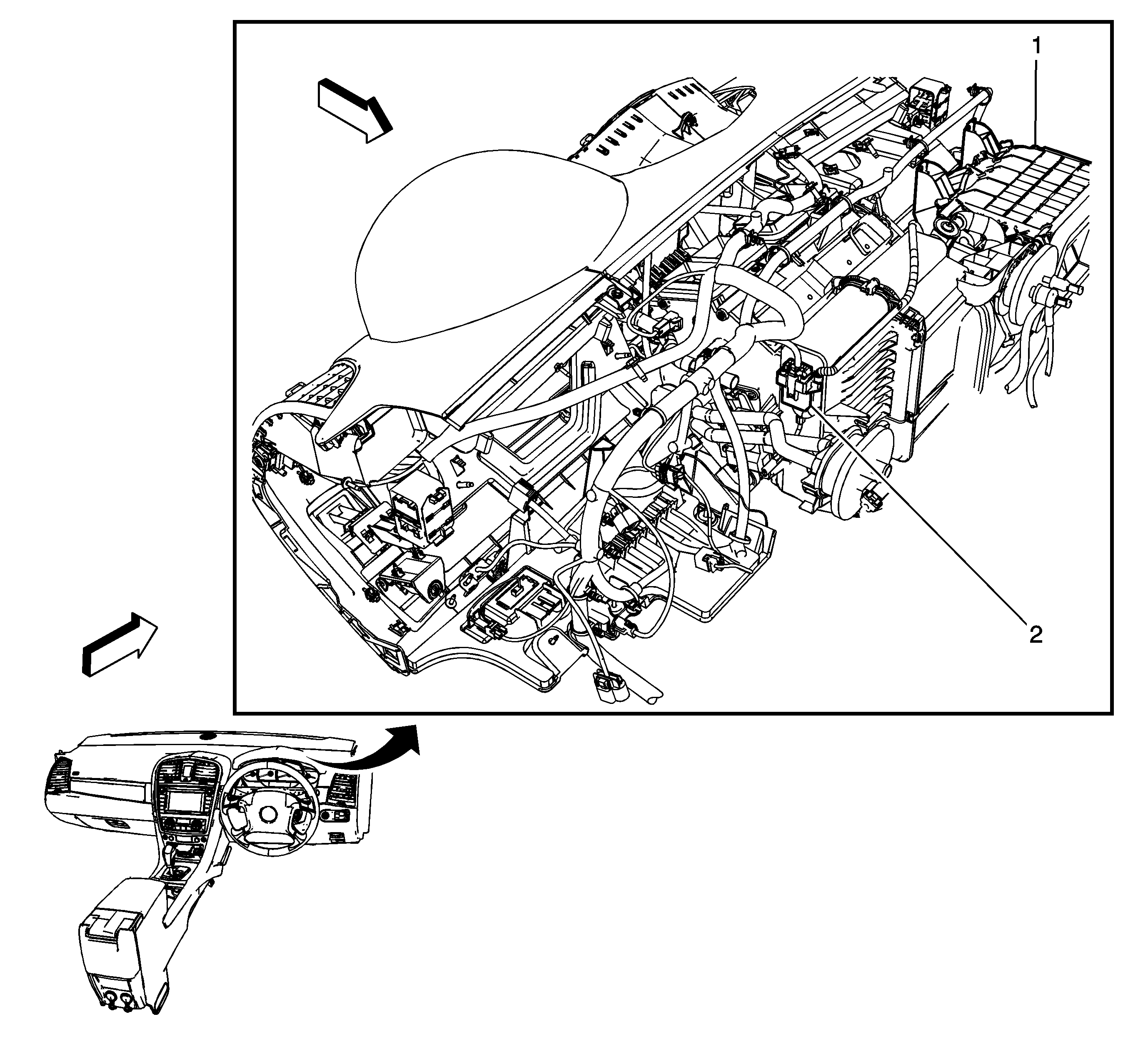
I/P Harness Routing - Front Engine Compartment


Object Number: 1827853  Size: LF
(1)C116
(2)C118
(3)C117
(4)Fuse Block - Underhood C2
(5)C103
(6)C102
(7)G101
(8)Front Fascia
Figure 8:

I/P Harness Routing - Passenger Compartment


Object Number: 1827863  Size: LF
(1)Steering Column
(2)C202
(3)Splice Pack SP200
(4)C321
(5)C204
(6)Upper Dash Panel
(7)C205
(8)Inflatable Restraint I/P Module Indicator (AQS)
(9)C210
(10)C304
(11)C313
(12)C302
(13)C200
(14)C201
(15)C203
(16)C207
(17)C206
Figure 9:

I/P Harness Splices


Object Number: 1827882  Size: LF
(1)S200
(2)S201
(3)S211
(4)S210
(5)S204
Figure 10:

HVAC Module Components


Object Number: 1843375  Size: LF
(1)C321
(2)Recirculation Actuator
(3)Blower Motor
(4)Blower Motor Control Module
(5)Air Temperature Actuator - Right
(6)Mode Actuator
(7)Air Temperature Actuator - Left
(8)Inside Air Temperature Sensor
Figure 11:

Body Harness Routing - Engine Compartment


Object Number: 1827890  Size: LF
(1)C118
(2)C105 (F55)
(3)C101
(4)C117
Figure 12:

Body Harness Routing - Passenger Compartment


Object Number: 1827895  Size: LF
(1)C201
(2)C203
(3)C600
(4)G201
(5)C307
(6)C800
(7)C306
(8)Rollover Sensor
(9)Inflatable Restraint Sensing and Diagnostic Module (SDM)
(10)G306
(11)C301
(12)C700
(13)Splice Pack SP300
(14)Floor Pan
(15)C300
(16)C200
(17)G200
(18)C500
(19)C209 (LHD)
(20)C207
(21)C206
(22)C205
(23)C312
Figure 13:

Body Harness Routing - Left Rear Cargo Area


Object Number: 1827916  Size: LF
(1)Audio Amplifier (UQA/UQS)
(2)G402
(3)C403
(4)C404
(5)C401
Figure 14:

Body Harness Routing - Right Rear Cargo Area


Object Number: 1827955  Size: LF
(1)C308
(2)C401
(3)C310
(4)Terminator Resistor
(5)G401
(6)Digital Radio Receiver (U2K)
(7)Vehicle Communication Interface Module (VCIM) - (UE1)
(8)Speaker - Rear Subwoofer
(9)C311
(10)Electronic Suspension Control (ESC) Module (F55)
(11)Splice Pack SP304
(12)C314
(13)C316
Figure 15:

C402 and C420


Object Number: 1827925  Size: LF
(1)C402
(2)Liftgate
(3)C420
(4)Fuel Tank
Figure 16:

Body Harness Routing - Splices


Object Number: 1827988  Size: LF
(1)S404
(2)S410
(3)S403
(4)S303
(5)S304 (AH8)
(6)S305
(7)S406 (C57)
(8)S402
(9)S401
Figure 17:

Rear Compartment Components - Right Side


Object Number: 1828007  Size: LF
(1)Folding Seat Recline Switch (AM0)
(2)C316
(3)Auxiliary Power Outlet - Rear
(4)Remote Control Door Lock Receiver (RCDLR)
(5)S306 (AM0)
(6)Speaker - Right D-Pillar (UQS)
(7)Folding Seat Stow Switch - Front (AM0)
(8)Folding Seat Stow Switch - Rear (AM0)
(9)Rear Quarter Trim Panel - RH
(10)Speaker - Rear Subwoofer
Figure 18:

Steering Column Components - 1 of 2


Object Number: 1379391  Size: LF
(1)Inflatable Restraint Steering Wheel Module Coil Connector
(2)Inflatable Restraint Steering Wheel Module Coil Connector
(3)C208
(4)Ignition Lock Cylinder Solenoid
(5)Windshield Wiper Washer Switch
(6)Ignition Lock Cylinder Case
(7)Theft Deterrent Module (TDM)
(8)Ignition Switch Connector
(9)C202
(10)C203
(11)Fuse Block - Steering Column
(12)Adjustable Pedal Switch (JF4)
(13)Steering Tilt Lever
(14)Turn Signal/Multifunction Switch
Figure 19:

Steering Column Components - 2 of 2


Object Number: 1828336  Size: LF
(1)Inflatable Restraint Steering Wheel Module
(2)C208
(3)Horn Ground
(4)Horn Ground
(5)Horn Contact Plate
(6)Steering Wheel
(7)Inflatable Restraint Steering Wheel Module Coil
(8)Inflatable Restraint Steering Wheel Module Coil C1 and C2
(9)C208
Figure 20:

Floor Console Harness Routing


Object Number: 1828132  Size: LF
(1)C313
(2)C312
(3)C304
(4)Auxilliary Power Outlets - Rear
(5)Video Display Connector
(6)Rear Seat Audio Module Connectors (AMO)
Figure 21:

Headliner/Sunroof Harness Routing (CF5)


Object Number: 1828141  Size: LF
(1)Sunroof Harness
(2)C308
(3)C310 (C3B/CF5)
(4)C315 (C3B/CF5)
(5)Splice Pack SP304
(6)Body Harness
(7)C314
(8)C316
(9)Headliner Harness
Figure 22:

Headliner Harness Routing - Standard


Object Number: 1828144  Size: LF
(1)Overhead Console
(2)S312
(3)S314
(4)S311
(5)S319 (CF5/C3B/C57)
(6)S408 (C57)
(7)S308 (C57)
(8)S307 (C57)
(9)Rear Window Antenna Module - Right
(10)Rear Window Antenna Module - Left
Figure 23:

Headliner/Sunroof Harness Routing - Mega (C3B/CF5)


Object Number: 1828164  Size: LF
(1)Overhead Console
(2)C317
(3)S312
(4)S314
(5)S311
(6)S319 (CF5/C3B/C57)
(7)Headliner Harness
(8)S308 (C57)
(9)S408(C57)
(10)Sunroof Harness
(11)S307(C57)
(12)Rear Window Antenna Module - Right
(13)Rear Window Antenna Module - Left
Figure 24:

Driver Door Components 2 of 2


Object Number: 1828201  Size: LF
(1)Driver Door Module (DDM)
(2)Heated Seat Switch - Driver (KA1)
(3)Memory Seat Switch (A45)
(4)Window Motor - Driver
(5)S501
(6)C500
(7)Speaker - LF Door
(8)C501
(9)C502
(10)Courtesy Lamp - Left Front Door
(11)Outside Rearview Mirror (OSRVM) - Driver Side C1
(12)Outside Rearview Mirror (OSRVM) - Driver Side C2
(13)Door Latch Assembly - Driver
Figure 25:

Passenger Door Components


Object Number: 1828240  Size: LF
(1)Window Motor - Passenger
(2)Outside Rearview Mirror (OSRVM) - Passenger Side
(3)Door Latch Assembly - Passenger
(4)Courtesy Lamp - Right Front Door
(5)C602
(6)C601
(7)Speaker - RF Door
(8)S601
(9)C600
(10)Front Passenger Door Module (FPDM)
Figure 26:

Left Rear Door Components


Object Number: 1828264  Size: LF
(1)Window Switch - Left Rear
(2)S701
(3)C700
(4)Speaker - Left Rear Door
(5)Window Motor - Left Rear
(6)C701
(7)Door Latch Assembly - Left Rear
Figure 27:

Right Rear Door Components


Object Number: 1828269  Size: LF
(1)C801
(2)Door Latch Assembly - Right Rear
(3)Window Motor - RR
(4)Speaker - RR Door
(5)C800
(6)S800
(7)Window Switch - RR
Figure 28:

Liftgate Components


Object Number: 1828275  Size: LF
(1)Center High Mounted Stop Lamp (CHMSL)
(2)C404
(3)C403
(4)Rear Window Defogger Grid C2
(5)Rear Window Wiper Motor
(6)S902
(7)License Lamp/Backup Lamp Harness
(8)S904
(9)S903
(10)S909
(11)Liftgate Handle Switch
(12)Liftgate Latch
(13)S901
(14)License Lamps
(15)Courtesy Lamp - Rear Liftgate
(16)Rear Window Defogger Grid C1
(17)C401
Figure 29:

Rear Fascia Harness Routing


Object Number: 1828191  Size: LF
(1)Rear Object Sensors
(2)S414
(3)S413
(4)C402
(5)Rear Fascia

Harness Routing Views RHD

Figure 1:

Forward Lamp Harness


Object Number: 1827830  Size: LF
(1)S104 (TR7)
(2)C112
(3)C114 (T90)
(4)C109
(5)S105 (K14)
(6)Fuse Block - Underhood Bracket
(7)C116
(8)G104
(9)G110 (LH2)
(10)C113 (LH2)
(11)C110
(12)C115 (T90)
(13)C111
Figure 2:

Front Engine Compartment (LH2)


Object Number: 1827828  Size: LF
(1)S118
(2)C140
(3)S122
(4)S123
(5)C139
(6)S115
(7)S114
(8)S101
(9)C113
(10)S100
(11)C105
(12)C101
Figure 3:

Rear of Engine Compartment (LH2)


Object Number: 1827826  Size: LF
(1)C104
(2)Fuse Block - Underhood C3
(3)G100
(4)G107
(5)C175
(6)C107
(7)Heated Oxygen Sensor (HO2S) Bank 1 Sensor 1
(8)C102
Figure 4:

C101 and C105 (LY7)


Object Number: 1842113  Size: LF
(1)Engine - LY7
(2)G110
(3)C105 (F55)
(4)C101
(5)C108
Figure 5:

Right Side of Engine (LY7)


Object Number: 1827800  Size: LF
(1)S111
(2)S114
(3)G106
(4)S118
(5)S100
(6)S101
(7)C175
(8)G109
(9)S112
Figure 6:

Power Steering Harness - C120


Object Number: 1843540  Size: LF
(1)Steering Gear Assembly
(2)C120
Figure 7:

I/P Harness Routing - Front Engine Compartment


Object Number: 1843511  Size: LF
(1)C102
(2)Battery
(3)Battery Current Sensor
(4)C103
(5)G101
(6)C116
(7)C118
(8)C117
(9)Fuse Block - Underhood C2
Figure 8:

I/P Harness Routing - Instrument Panel Inlines


Object Number: 1843535  Size: LF
(1)C207
(2)C206
(3)C204
(4)C203
(5)C201
Figure 9:

I/P Harness Routing - C321


Object Number: 1843549  Size: LF
(1)Steering Column Assembly
(2)C321
(3)HVAC Module
Figure 10:

C321


Object Number: 1856001  Size: LF
(1)HVAC Module
(2)C321
Figure 11:

I/P Harness Routing - C202


Object Number: 1843531  Size: LF
(1)Ignition Switch
(2)C202
Figure 12:

I/P Harness Splices


Object Number: 1827882  Size: LF
(1)S200
(2)S201
(3)S211
(4)S210
(5)S204
Figure 13:

Body Harness Routing - Front Engine Compartment


Object Number: 1856090  Size: LF
(1)C118
(2)C105
(3)C101
(4)C117
(5)Body Harness
Figure 14:

Body Harness Routing - Right Side of Passenger Compartment


Object Number: 1856079  Size: LF
(1)C203
(2)C201
(3)C209
(4)C600
(5)G201
(6)C300
(7)C800
(8)Right C-Pillar
(9)Yaw and Lateral/Long Acceleration Sensor
(10)G306
(11)Inflatable Restraint Sensing and Diagnostic Module (SDM)
(12)Rollover Sensor
(13)C301
Figure 15:

Body Harness Routing - Left Side of Passenger Compartment


Object Number: 1856058  Size: LF
(1)C206
(2)C207
(3)C307
(4)C205
(5)C200
(6)C306
(7)Splice Pack SP300
(8)Left C-Pillar
(9)C700
(10)G200
(11)C500
Figure 16:

Body Harness Routing - Left Rear Cargo Area


Object Number: 1827916  Size: LF
(1)Audio Amplifier (UQA/UQS)
(2)G402
(3)C403
(4)C404
(5)C401
Figure 17:

Body Harness Routing - Right Rear Cargo Area


Object Number: 1827955  Size: LF
(1)C308
(2)C401
(3)C310
(4)Terminator Resistor
(5)G401
(6)Digital Radio Receiver (U2K)
(7)Vehicle Communication Interface Module (VCIM) - (UE1)
(8)Speaker - Rear Subwoofer
(9)C311
(10)Electronic Suspension Control (ESC) Module (F55)
(11)Splice Pack SP304
(12)C314
(13)C316
Figure 18:

C402 and C420


Object Number: 1827925  Size: LF
(1)C402
(2)Liftgate
(3)C420
(4)Fuel Tank
Figure 19:

Body Harness Routing - Splices


Object Number: 1856270  Size: LF
(1)Fuse Block - Left Rear
(2)S305
(3)S309
(4)S310
(5)C205
(6)Inflatable Restraint Sensing and Diagnostic Module (SDM)
(7)Fuse Block - Right Rear
(8)S406
(9)S304
(10)S303
(11)S407
(12)S402
(13)S403
(14)S404
(15)S316
(16)S315
Figure 20:

I/P Harness Routing - Floor Console Inlines


Object Number: 1843522  Size: LF
(1)C205
(2)C304
(3)C313
(4)C302
(5)C200
Figure 21:

Floor Console Harness Routing


Object Number: 1855991  Size: LF
(1)C313
(2)C312
(3)C304
(4)Auxiliary Power Outlets - Center Console
(5)Speaker - Center Console (UQ5)
(6)Rear Video Display (U42)
Figure 22:

Headliner/Sunroof Harness Routing (CF5)


Object Number: 1828141  Size: LF
(1)Sunroof Harness
(2)C308
(3)C310 (C3B/CF5)
(4)C315 (C3B/CF5)
(5)Splice Pack SP304
(6)Body Harness
(7)C314
(8)C316
(9)Headliner Harness
Figure 23:

Headliner Harness Routing - Standard


Object Number: 1828144  Size: LF
(1)Overhead Console
(2)S312
(3)S314
(4)S311
(5)S319 (CF5/C3B/C57)
(6)S408 (C57)
(7)S308 (C57)
(8)S307 (C57)
(9)Rear Window Antenna Module - Right
(10)Rear Window Antenna Module - Left
Figure 24:

Headliner/Sunroof Harness Routing - Mega (C3B/CF5)


Object Number: 1828164  Size: LF
(1)Overhead Console
(2)C317
(3)S312
(4)S314
(5)S311
(6)S319 (CF5/C3B/C57)
(7)Headliner Harness
(8)S308 (C57)
(9)S408(C57)
(10)Sunroof Harness
(11)S307(C57)
(12)Rear Window Antenna Module - Right
(13)Rear Window Antenna Module - Left
Figure 25:

Driver Door Harness Routing Components


Object Number: 1855212  Size: LF
(1)Window Motor
(2)Door Latch Assembly
(3)Outside Rearview Mirror C2
(4)Outside Rearview Mirror C1
(5)C602
(6)C601
(7)S601
(8)C600
Figure 26:

Passenger Door Harness Routing Components


Object Number: 1855204  Size: LF
(1)Outside Rearview Mirror
(2)Window Motor
(3)S501
(4)C500
(5)C501
(6)C502
(7)Outside Rearview Mirror Connector
(8)Door Latch Assembly
Figure 27:

Left Rear Door Components


Object Number: 1828264  Size: LF
(1)Window Switch - Left Rear
(2)S701
(3)C700
(4)Speaker - Left Rear Door
(5)Window Motor - Left Rear
(6)C701
(7)Door Latch Assembly - Left Rear
Figure 28:

Right Rear Door Components


Object Number: 1828269  Size: LF
(1)C801
(2)Door Latch Assembly - Right Rear
(3)Window Motor - RR
(4)Speaker - RR Door
(5)C800
(6)S800
(7)Window Switch - RR
Figure 29:

Liftgate Components


Object Number: 1828275  Size: LF
(1)Center High Mounted Stop Lamp (CHMSL)
(2)C404
(3)C403
(4)Rear Window Defogger Grid C2
(5)Rear Window Wiper Motor
(6)S902
(7)License Lamp/Backup Lamp Harness
(8)S904
(9)S903
(10)S909
(11)Liftgate Handle Switch
(12)Liftgate Latch
(13)S901
(14)License Lamps
(15)Courtesy Lamp - Rear Liftgate
(16)Rear Window Defogger Grid C1
(17)C401
Figure 30:

Rear Fascia Harness Routing


Object Number: 1828191  Size: LF
(1)Rear Object Sensors
(2)S414
(3)S413
(4)C402
(5)Rear Fascia