GM Service Manual Online
For 1990-2009 cars only

Tools Required

    • J 24319-B Steering Linkage and Tie Rod Puller
    • J 39580 Engine Support Stand
    • J 43631 Ball Joint Remover

Removal Procedure

  1. Install the engine support fixture. Refer to Engine Support Fixture for the 3.6L (LY7) engine or Engine Support Fixture for the 4.6L (LH2) engine.
  2. Raise and support the vehicle. Refer to Lifting and Jacking the Vehicle.
  3. Remove the front wheels. Refer to Tire and Wheel Removal and Installation.
  4. Remove the front air deflector. Refer to Front Air Deflector Replacement.

  5. Object Number: 906772  Size: SH
  6. Disconnect the wheel speed sensor harness connectors.
  7. Disconnect the wheel speed sensor harness from the lower control arm.

  8. Object Number: 794579  Size: SH
  9. Remove the outer tie rod to steering knuckle retaining nut.

  10. Object Number: 643351  Size: SH
  11. Using the J 43631 , separate the outer tie rod from the steering knuckle.

  12. Object Number: 909072  Size: SH
  13. Remove the power steering return hose to frame retaining bolts.

  14. Object Number: 874629  Size: SH
  15. Remove the power steering pressure hose to frame retaining bolts.
  16. Remove the engine control module (ECM). Refer to Engine Control Module Replacement for the 3.6L (LY7) engine or Engine Control Module Replacement for the 4.6L (LH2) engine.
  17. Remove the ECM bracket retaining bolts.
  18. Remove the ECM bracket.

  19. Object Number: 908531  Size: SH
  20. Remove the power steering cooler bracket to air conditioning condenser retaining bolts.
  21. Remove the power steering cooler from the air conditioning condenser.
  22. Remove the tie strap from the power steering pressure hose to the electrical harness.

  23. Object Number: 908651  Size: SH
  24. Remove the power steering pipes to steering gear retaining bolt.
  25. Disconnect the power steering pipes from the power steering gear.

  26. Object Number: 909110  Size: SH
  27. Disconnect the variable effort steering electrical connector from the power steering gear.

  28. Object Number: 907408  Size: SH
  29. Remove the intermediate shaft to power steering gear pinch bolt.

  30. Object Number: 907506  Size: SH
  31. Disconnect the intermediate shaft from the power steering gear.

  32. Object Number: 753084  Size: SH
  33. Disconnect the brake lines (1) from the brake hoses (3).

  34. Object Number: 771978  Size: SH
  35. Loosen the ABS module retaining nuts (2, 3).
  36. Disconnect the ABS module harness connector.
  37. Remove the upper ball joint retaining nut.
  38. Notice: Do not free the ball stud by using a pickle fork or a wedge-type tool. Damage to the seal or bushing may result.

  39. Using the J 43631 , separate the ball stud from the steering knuckle.
  40. Remove the yoke to shock retaining nut.
  41. Remove the yoke to shock retaining bolt.
  42. Remove the washer bottle to knuckle retaining bolts.

  43. Object Number: 1067552  Size: SH
  44. Remove the engine mount lower retaining nuts.
  45. Install the J 39580 under the vehicle.
  46. Lower the vehicle to the frame support table.

  47. Object Number: 1577418  Size: SH
  48. Remove the frame mounting bolts (1-3).
  49. With the aid of an assistant, carefully raise the body from the frame.
  50. Ensure when raising the body the following items are clear from the frame:
  51. • The brake pipes
    • The steering knuckle assembly
    • The wheel speed sensor electrical harness
  52. Remove the lower control arms. Refer to Lower Control Arm Replacement.
  53. Remove the stabilizer shaft. Refer to Stabilizer Shaft Replacement.
  54. With the aid of an assistant, remove the frame from the support fixture.

Installation Procedure

  1. With the aid of an assistant, install the frame to the support fixture.
  2. Install the stabilizer shaft. Refer to Stabilizer Shaft Replacement.
  3. Install the lower control arms. Refer to Lower Control Arm Replacement.
  4. Ensure when lowering the body the following items are clear from the frame:
  5. • The brake pipes
    • The steering knuckle assembly
    • The wheel speed sensor electrical harness
  6. With the aid of an assistant, carefully lower the body to the frame.
  7. Notice: Refer to Fastener Notice in the Preface section.


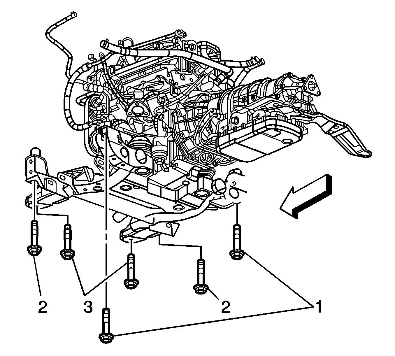
    Object Number: 1577418  Size: SH
  8. Install the frame mounting bolts (1-2).
  9. Tighten
    Tighten the bolts to 191 N·m (141 lb ft).

  10. Install the frame mounting bolts (3).
  11. Tighten
    Tighten the bolts to 250 N·m (185 lb ft).

  12. Raise the vehicle from the support table.

  13. Object Number: 1067552  Size: SH
  14. Install the engine mount lower retaining nuts.
  15. Tighten
    Tighten the nuts to 80 N·m (59 lb ft).

  16. Install the washer bottle to knuckle retaining bolts.
  17. Tighten
    Tighten the bolts to 6 N·m (53 lb ft).

  18. Install the yoke to shock retaining bolt.
  19. Tighten
    Tighten the bolt to 180 N·m (133 lb ft).

  20. Install the yoke to shock retaining nut.
  21. Tighten
    Tighten the nut to 180 N·m (133 lb ft).

  22. Install the upper ball joint retaining nut.
  23. Tighten
    Tighten the nut to 20 N·m (15 lb ft plus 210 degrees).


    Object Number: 771978  Size: SH
  24. Tighten the ABS module retaining nuts (2, 3).
  25. Tighten
    Tighten the nuts to 8 N·m (71 lb in).

  26. Connect the ABS module harness connector.

  27. Object Number: 753084  Size: SH
  28. Connect the brake lines (1) to the brake hoses (3).
  29. Tighten
    Tighten the fittings to 27 N·m (20 lb ft).


    Object Number: 907506  Size: SH
  30. Connect the intermediate shaft to the power steering gear.

  31. Object Number: 907408  Size: SH
  32. Install the intermediate shaft to power steering gear retaining bolt.
  33. Tighten
    Tighten the bolt to 50 N·m (37 lb ft).


    Object Number: 909110  Size: SH
  34. Connect the variable effort steering harness connector to the power steering gear.

  35. Object Number: 908651  Size: SH
  36. Install the power steering pipes to the power steering gear.
  37. Install the power steering pipes to steering gear retaining bolt.
  38. Tighten
    Tighten the bolt to 23 N·m (17 lb ft).

  39. Install a new tie strap to the power steering pressure hose and the electrical harness.

  40. Object Number: 908531  Size: SH
  41. Install the power steering cooler to the air conditioning condenser.
  42. Install the power steering cooler bracket to air conditioning condenser retaining bolts.
  43. Tighten
    Tighten the bolts to 9 N·m (80 lb in).

  44. Install the ECM bracket.
  45. Install the ECM bracket retaining bolts.
  46. Tighten
    Tighten the bolts to 9 N·m (80 lb in).

  47. Install the ECM. Refer to Engine Control Module Replacement for the 3.6L (LY7) engine or Engine Control Module Replacement for the 4.6L (LH2) engine.

  48. Object Number: 874629  Size: SH
  49. Install the power steering pressure hose to frame retaining bolts.
  50. Tighten
    Tighten the bolts to 4 N·m (35 lb in).


    Object Number: 909072  Size: SH
  51. Install the power steering return hose to frame retaining bolts.
  52. Tighten
    Tighten the bolts to 4 N·m (35 lb in).


    Object Number: 794579  Size: SH
  53. Install the outer tie rod to steering knuckle.
  54. Install the outer tie rod to steering knuckle retaining nut.
  55. Tighten
    Tighten the nut to 70 N·m (52 lb ft).


    Object Number: 906772  Size: SH
  56. Connect the wheel speed sensor harness to the lower control arm.
  57. Connect the wheel speed sensor harness connector.
  58. Install the front air deflector. Refer to Front Air Deflector Replacement.
  59. Install the front wheels. Refer to Tire and Wheel Removal and Installation.
  60. Lower the vehicle. Refer to Lifting and Jacking the Vehicle.
  61. Remove the engine support fixture. Refer to Engine Support Fixture for the 3.6L (LY7) engine or Engine Support Fixture for the 4.6L (LH2) engine.