GM Service Manual Online
For 1990-2009 cars only
Figure 1:

Underhood Fuse Block B+ Bus 1 of 2


Object Number: 1749922  Size: FS
Master Electrical Component List
Control Module References
Underhood Fuse Block B+ Bus - 2 of 2
Underhood Fuse Block B+ Bus - 2 of 2
Figure 2:

Underhood Fuse Block B+ Bus 2 of 2


Object Number: 1749925  Size: FS
Master Electrical Component List
Control Module References
Right Rear Fuse Block B+ Bus
Underhood Fuse Block B+ Bus - 1 of 2
Underhood Fuse Block B+ Bus - 1 of 2
Figure 3:

Right Rear Fuse Block B+ Bus


Object Number: 1749923  Size: FS
Master Electrical Component List
Control Module References
Left Rear Fuse Block B+ Bus
Underhood Fuse Block B+ Bus - 2 of 2
Underhood Fuse Block B+ Bus - 1 of 2
Figure 4:

Left Rear Fuse Block B+ Bus


Object Number: 1749924  Size: FS
Master Electrical Component List
Control Module References
IGN SW Fuse and Ignition Switch
Right Rear Fuse Block B+ Bus
Underhood Fuse Block B+ Bus - 1 of 2
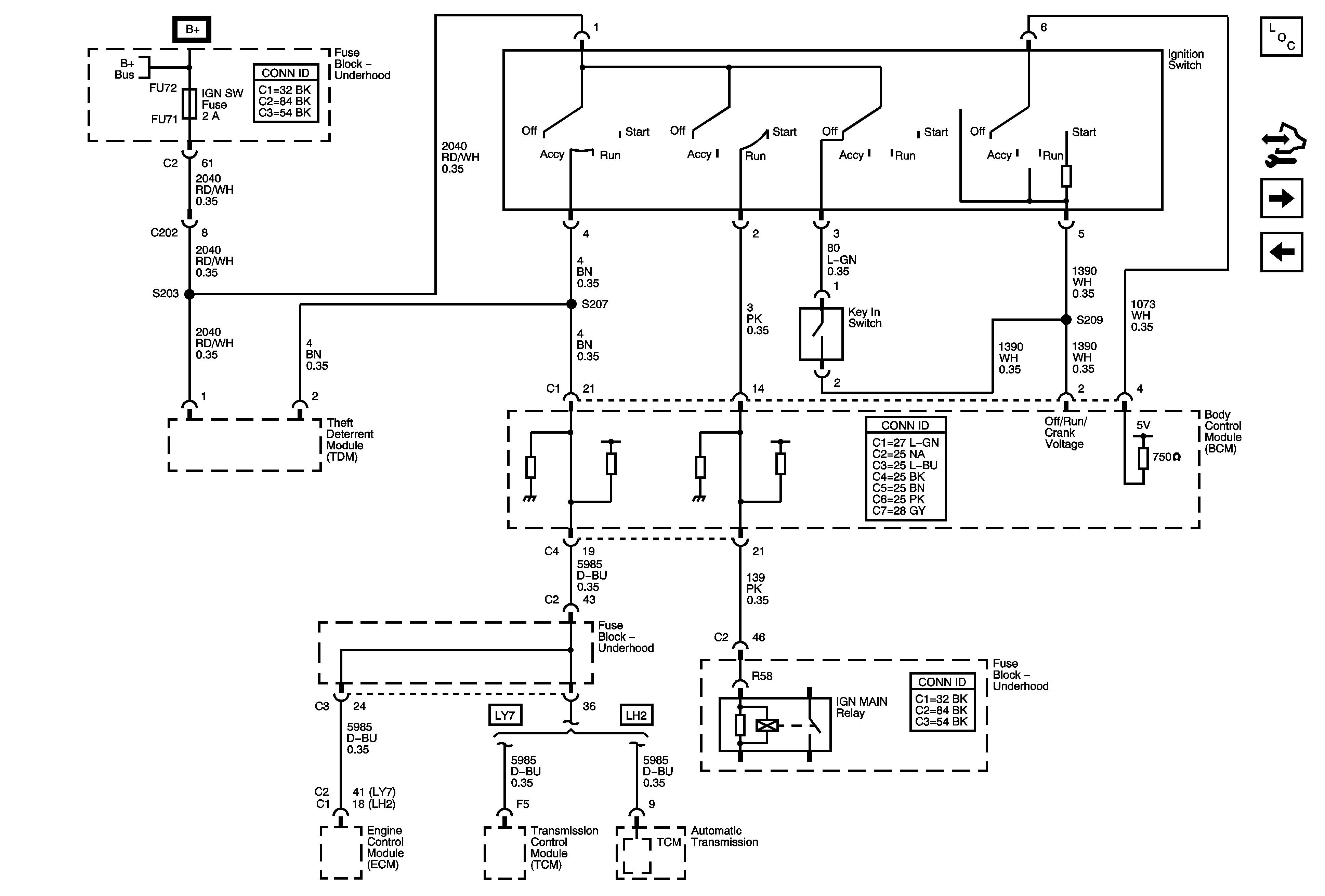
Figure 5:

IGN SW Fuse and Ignition Switch


Object Number: 1749927  Size: FS
Master Electrical Component List
Control Module References
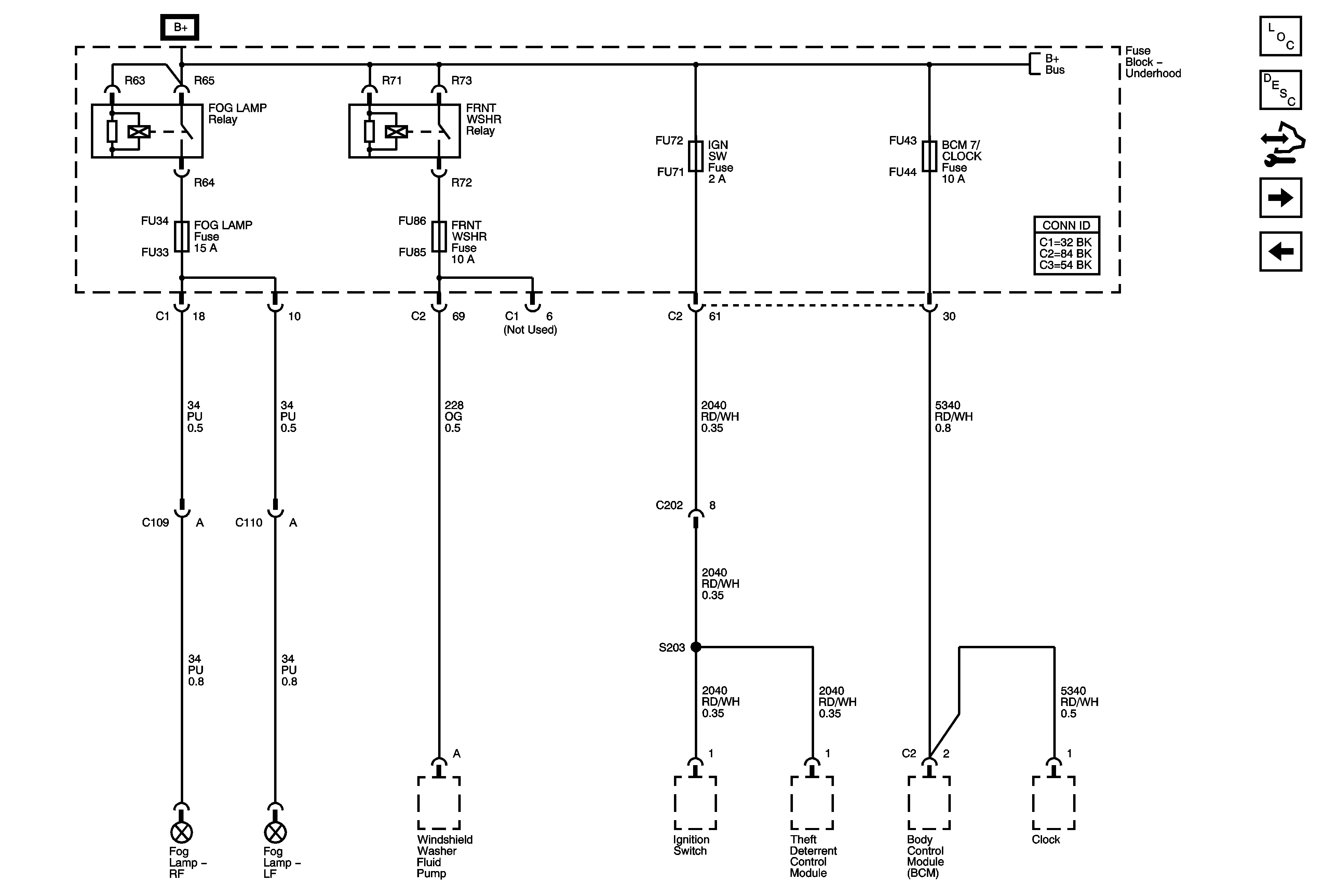
BCM 7/CLOCK Fuse, FOG LAMP Fuse, FRNT WSHR Fuse, and IGN SW Fuse
Left Rear Fuse Block B+ Bus
Underhood Fuse Block B+ Bus - 1 of 2
Figure 6:

BCM 7/CLOCK, FOG LAMP Fuse, FRNT WSHR Fuse, and IGN SW Fuse


Object Number: 1749928  Size: FS
Master Electrical Component List
Control Module References
BCM 1 Fuse, BCM 2 Fuse, BCM 4 Fuse, BCM 5 Fuse, BCM 6 Fuse, RADIO Fuse, and SPARE (V92 w/o T79) Fuse
IGN SW Fuse and Ignition Switch
Underhood Fuse Block B+ Bus - 2 of 2
Figure 7:

BCM 1 Fuse, BCM2 Fuse, BCM 4 Fuse, BCM 5 Fuse, BCM 6 Fuse, RADIO Fuse, and SPARE (V92 w/o T79) Fuse


Object Number: 1749929  Size: FS
Master Electrical Component List
Control Module References
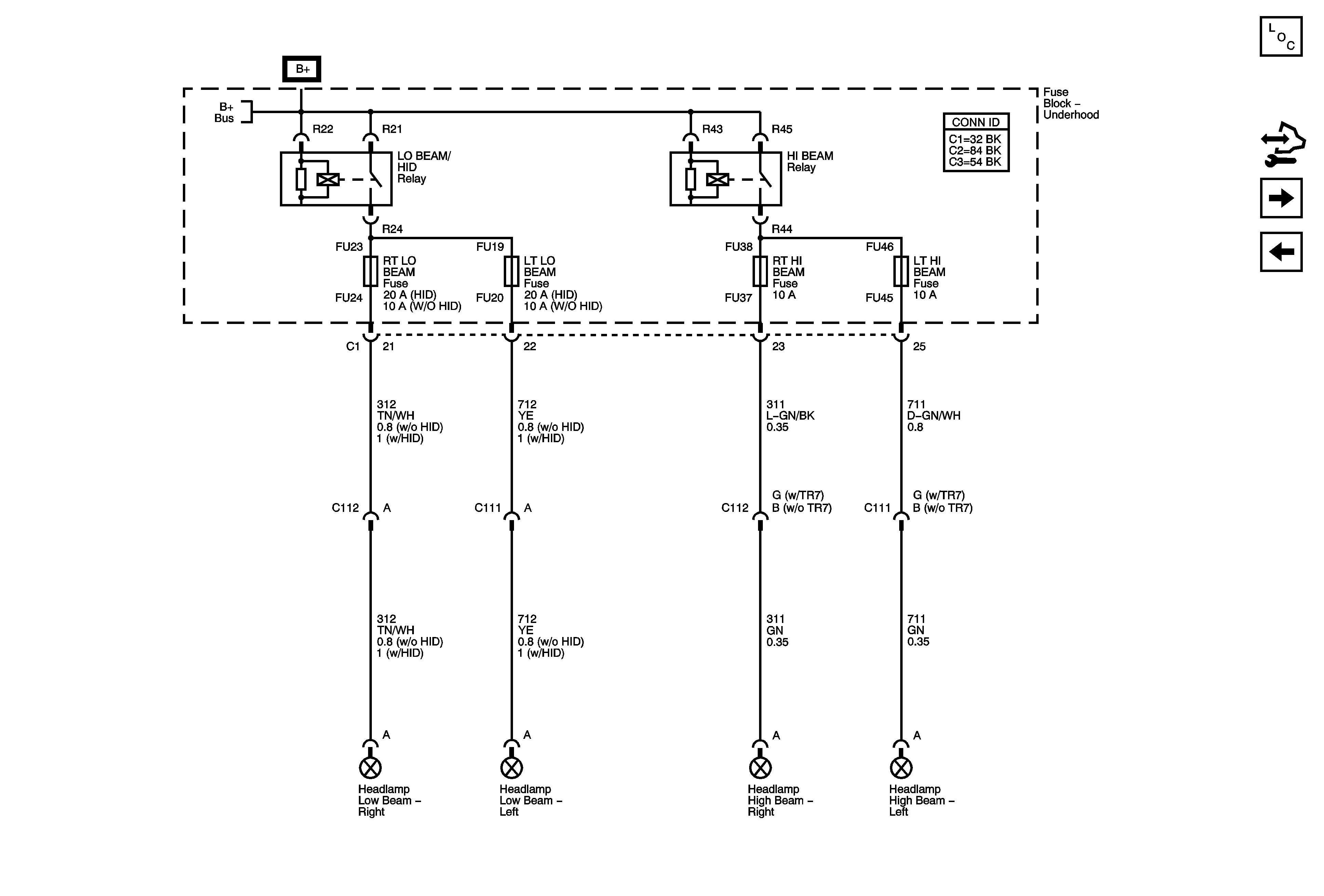
Headlamp Fuses
BCM 7/CLOCK Fuse, FOG LAMP Fuse, FRNT WSHR Fuse, and IGN SW Fuse
Underhood Fuse Block B+ Bus - 1 of 2
Figure 8:

Headlamp Fuses


Object Number: 1749931  Size: FS
Master Electrical Component List
Control Module References
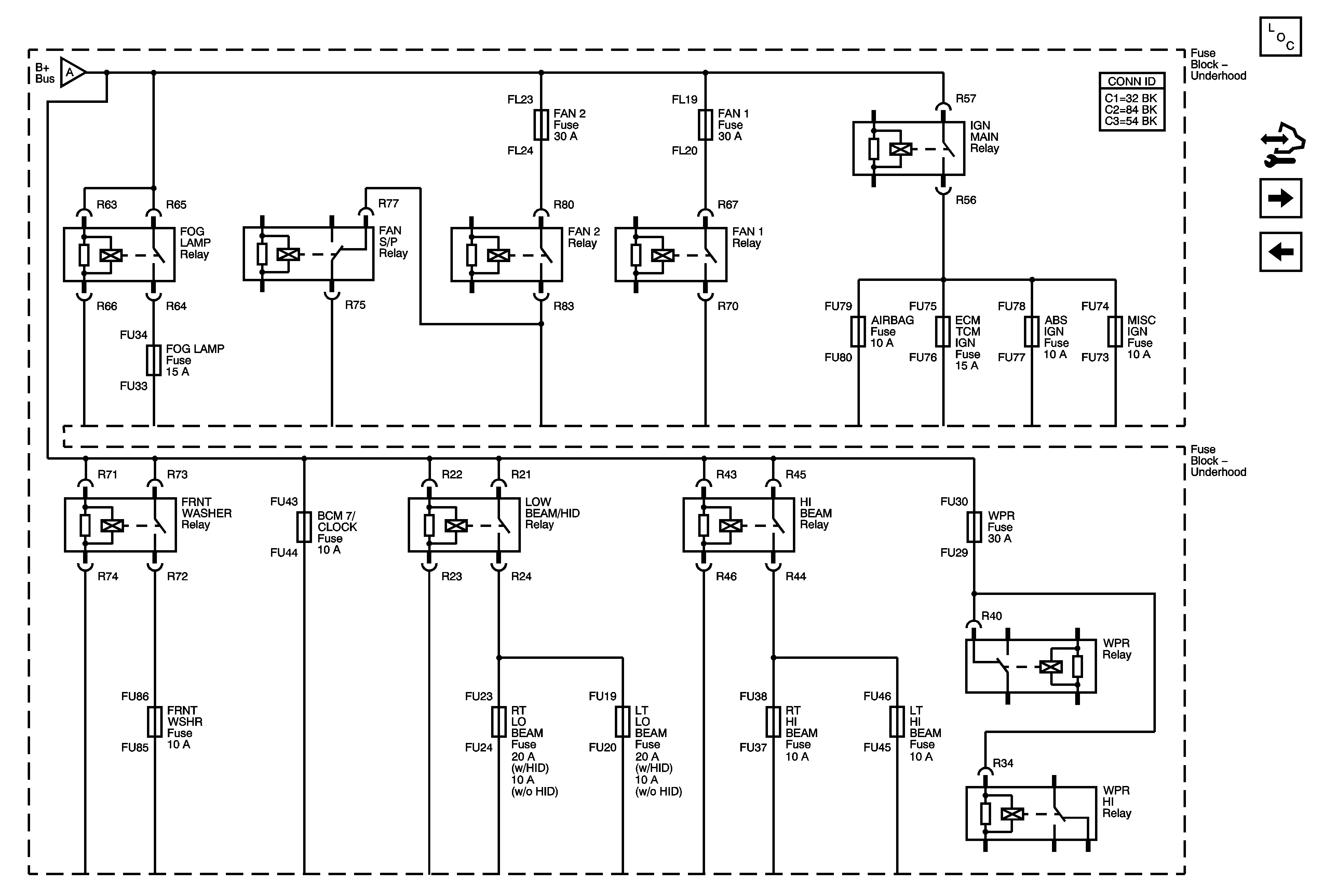
IGN MAIN Relay, ABS IGN Fuse, AIRBAG Fuse, ECM TCM IGN Fuse, and MISC IGN Fuse
BCM 1 Fuse, BCM 2 Fuse, BCM 4 Fuse, BCM 5 Fuse, BCM 6 Fuse, RADIO Fuse, and SPARE (V92 w/o T79) Fuse
Underhood Fuse Block B+ Bus - 2 of 2
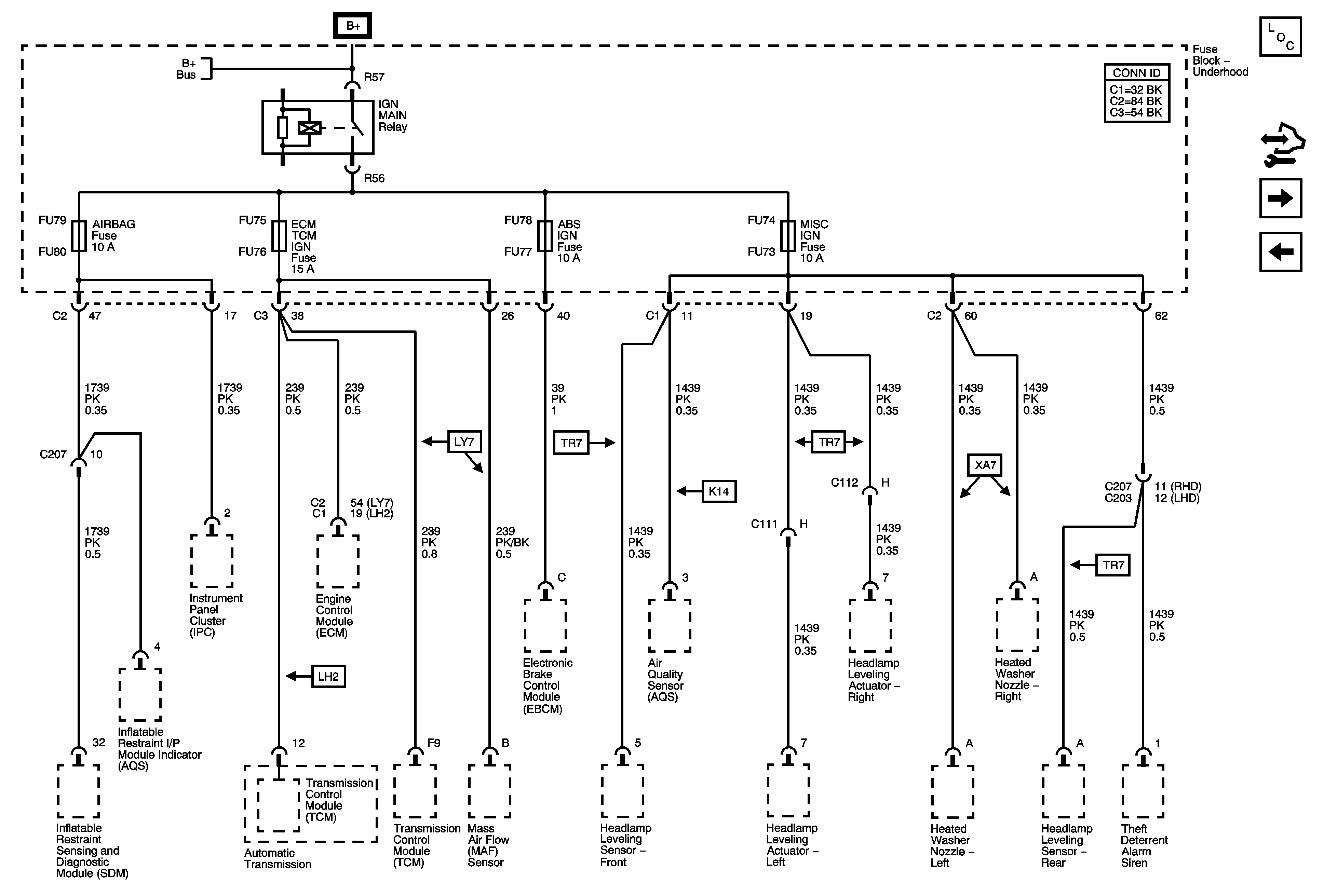
Figure 9:

IGN MAIN Relay, ABS IGN Fuse, AIRBAG Fuse, EBCM TCM IGN Fuse, and MISC IGN Fuse


Object Number: 1749932  Size: FS
Master Electrical Component List
Control Module References
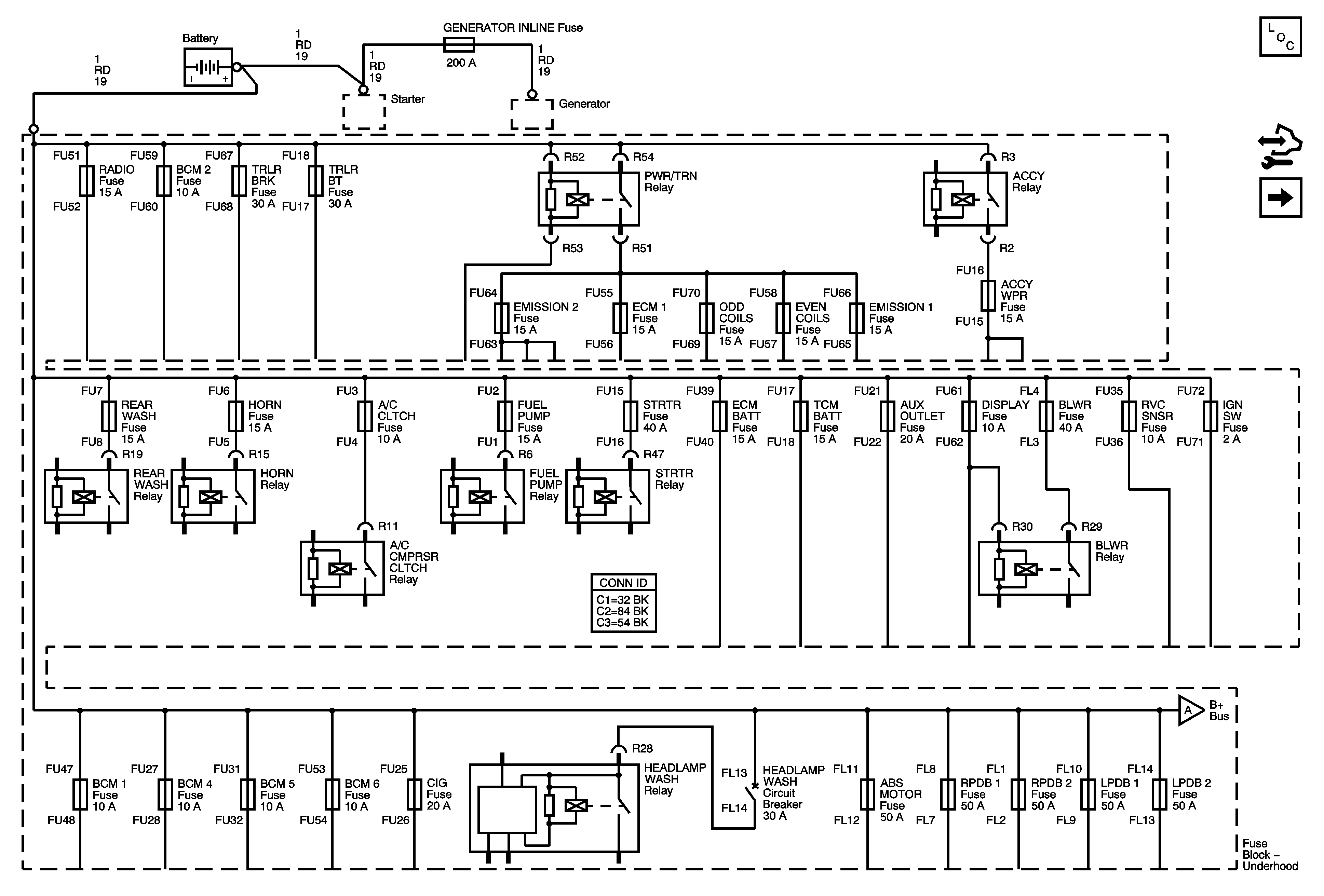
ABS MOTOR Fuse, ACCY Relay, ACCY WPR Fuse, and TRLR BT Fuse
Headlamp Fuses
Underhood Fuse Block B+ Bus - 2 of 2
Figure 10:

ABS MOTOR Fuse, ACCY Relay, ACCY WPR Fuse, and TRLR BT Fuse


Object Number: 1749933  Size: FS
Master Electrical Component List
Control Module References
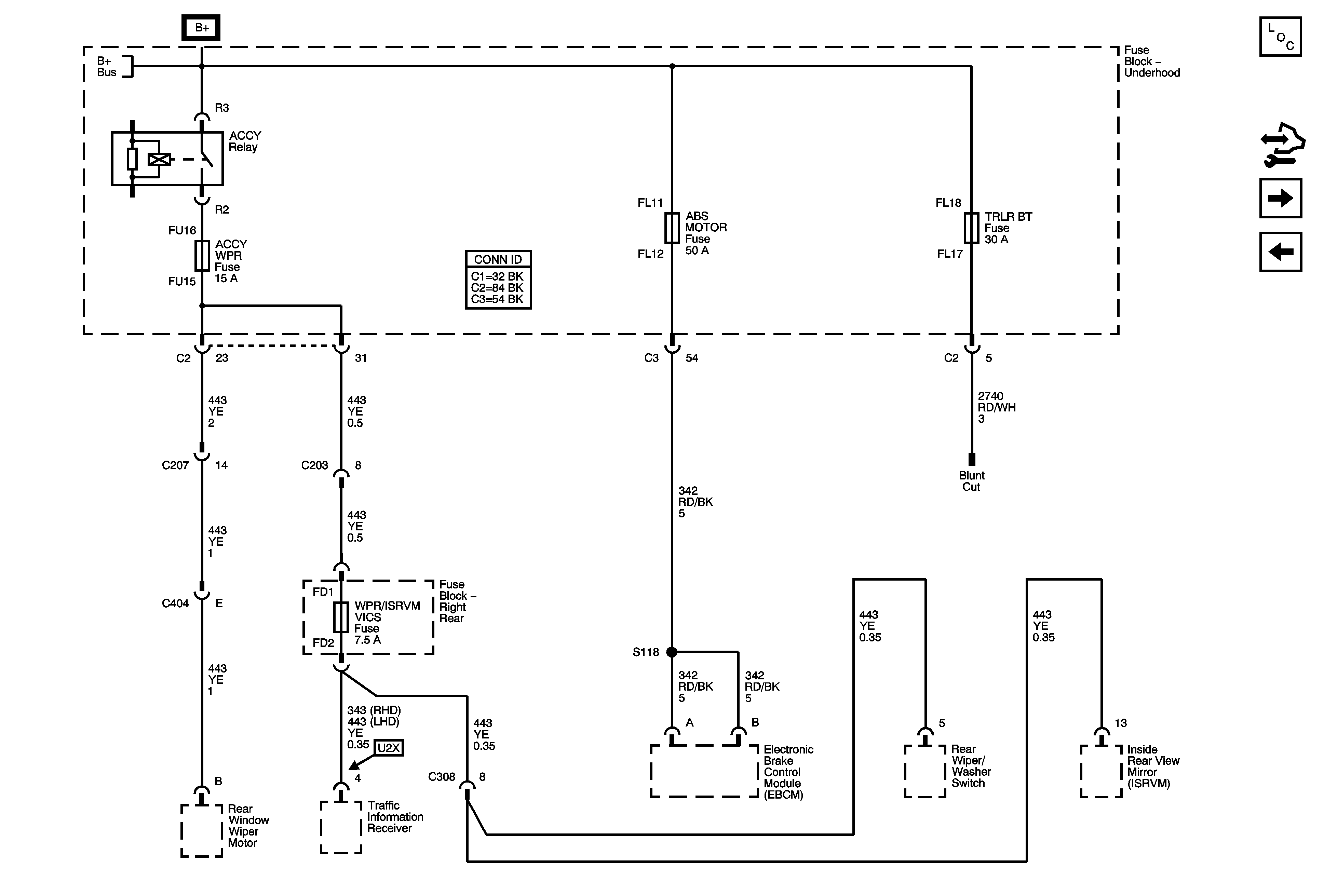
ECM 1 Fuse, EMISSION 1 Fuse, EMISSION 2 Fuse, and PWR/TRN Relay (LY7)
IGN MAIN Relay, ABS IGN Fuse, AIRBAG Fuse, ECM TCM IGN Fuse, and MISC IGN Fuse
Underhood Fuse Block B+ Bus - 1 of 2
Figure 11:

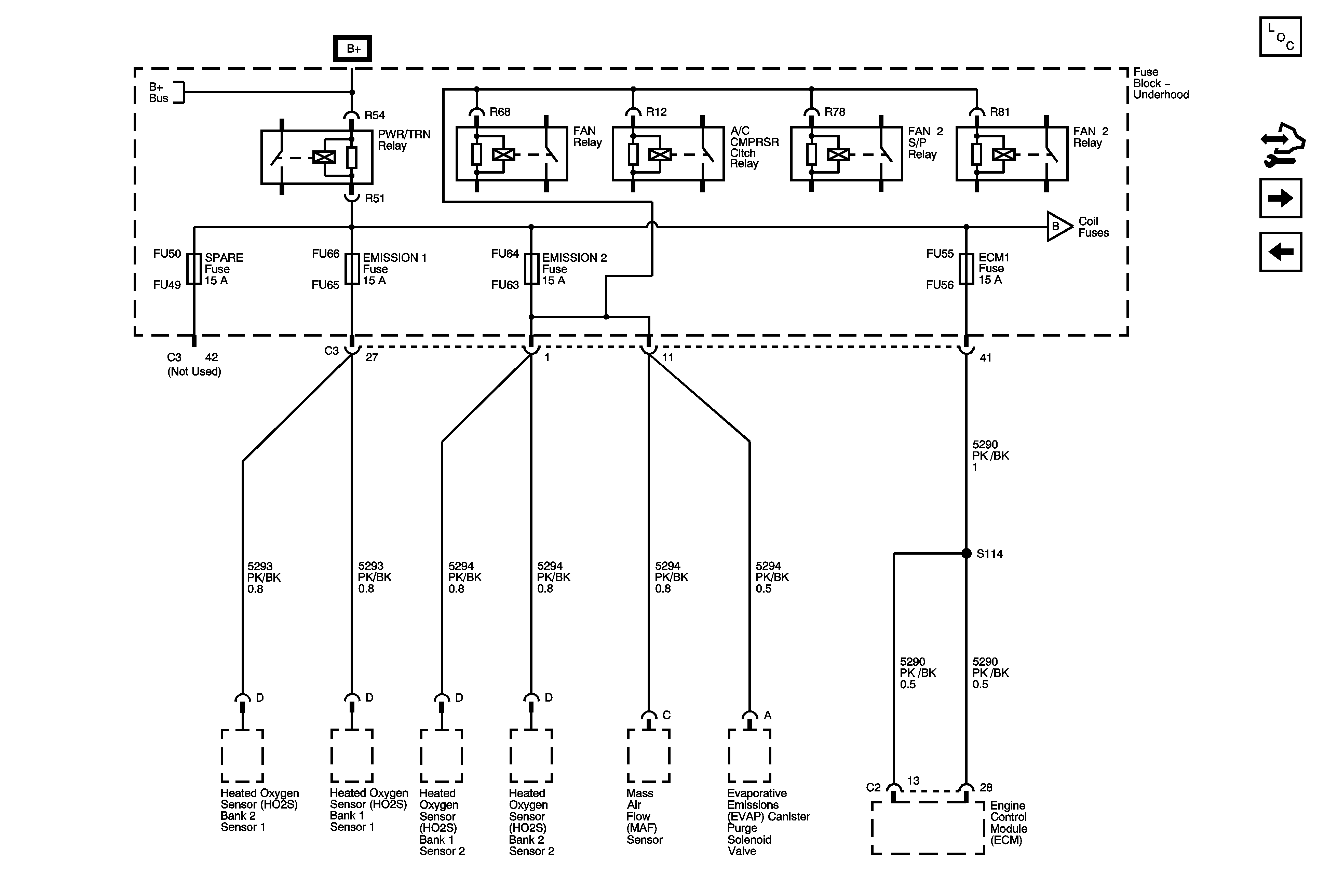
ECM 1 Fuse, EMISSION 1 Fuse, EMISSION 2 Fuse, and PWR/TRN Relay (LY7)


Object Number: 1749935  Size: FS
Master Electrical Component List
Control Module References
ECM 1 Fuse, EMISSION 1 Fuse, EMISSION 2 Fuse, and PWR/TRN Relay (LH2)
ABS MOTOR Fuse, ACCY Relay, ACCY WPR Fuse, and TRLR BT Fuse
Underhood Fuse Block B+ Bus - 1 of 2
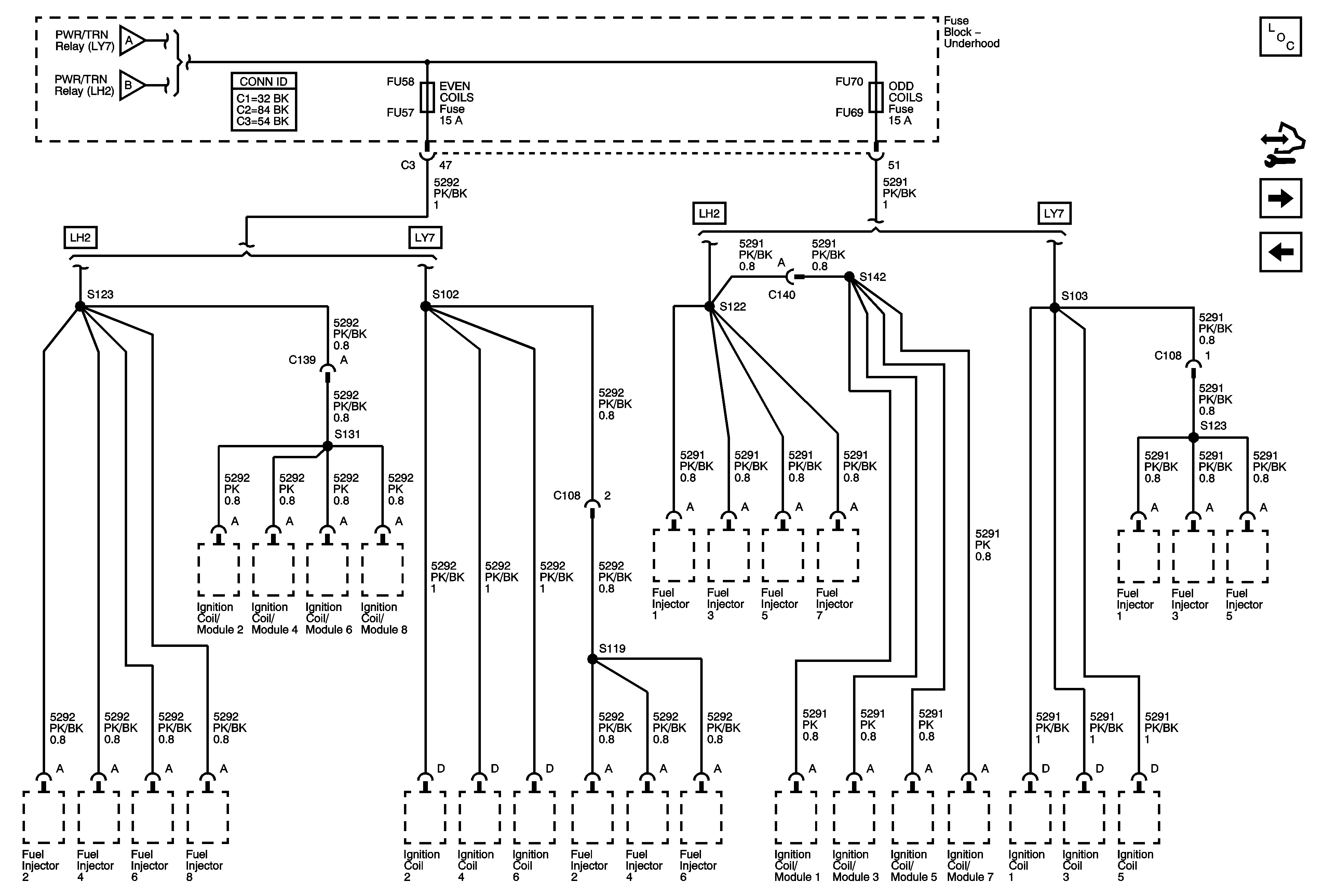
EVEN COIL Fuse and ODD COIL Fuse
Figure 12:

ECM 1 Fuse, EMISSION 1 Fuse, EMISSION 2 Fuse, and PWR/TRN Relay (LH2)


Object Number: 1749936  Size: FS
Master Electrical Component List
Control Module References
EVEN COIL Fuse and ODD COIL Fuse
ECM 1 Fuse, EMISSION 1 Fuse, EMISSION 2 Fuse, and PWR/TRN Relay (LY7)
Underhood Fuse Block B+ Bus - 1 of 2
EVEN COIL Fuse and ODD COIL Fuse
Figure 13:

EVEN COILS Fuse and ODD COILS Fuse


Object Number: 1749937  Size: FS
Master Electrical Component List
Control Module References
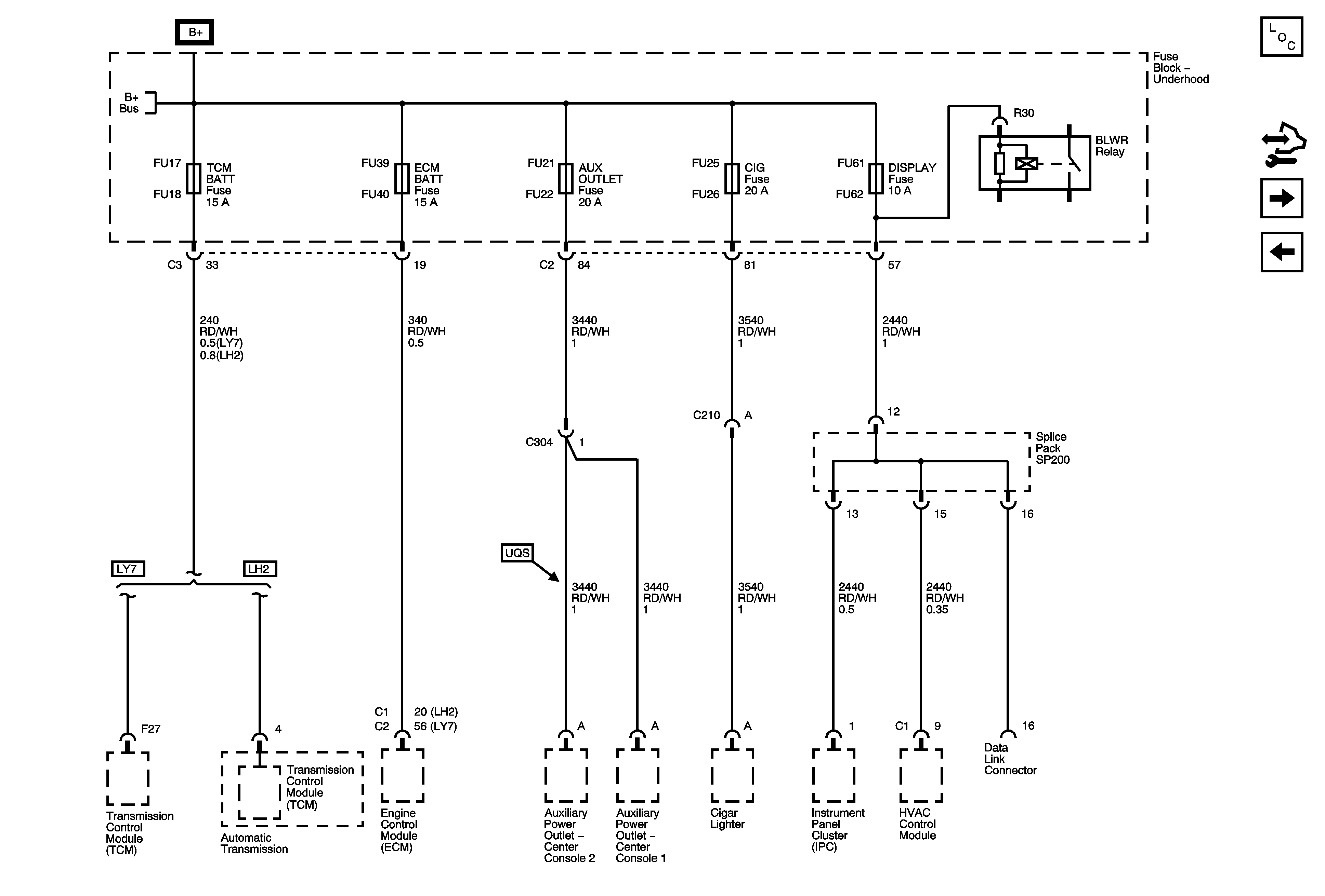
AUX OUTLET Fuse, BLWR Relay, CIG Fuse, DISPLAY Fuse, ECM BATT Fuse, and TCM BATT Fuse
ECM 1 Fuse, EMISSION 1 Fuse, EMISSION 2 Fuse, and PWR/TRN Relay (LH2)
ECM 1 Fuse, EMISSION 1 Fuse, EMISSION 2 Fuse, and PWR/TRN Relay (LY7)
ECM 1 Fuse, EMISSION 1 Fuse, EMISSION 2 Fuse, and PWR/TRN Relay (LH2)
Figure 14:

AUX OUTLET Fuse, BLWR Relay, CIG Fuse, DISPLAY Fuse, ECM BATT Fuse, and TCM BATT Fuse


Object Number: 1749944  Size: FS
Master Electrical Component List
Control Module References
3RD ROW SW/RFA Fuse, AMP Fuse, ONSTAR TV/XM Fuse, RSA/RSE Fuse, and RSM Fuse
EVEN COIL Fuse and ODD COIL Fuse
Underhood Fuse Block B+ Bus - 1 of 2
Figure 15:

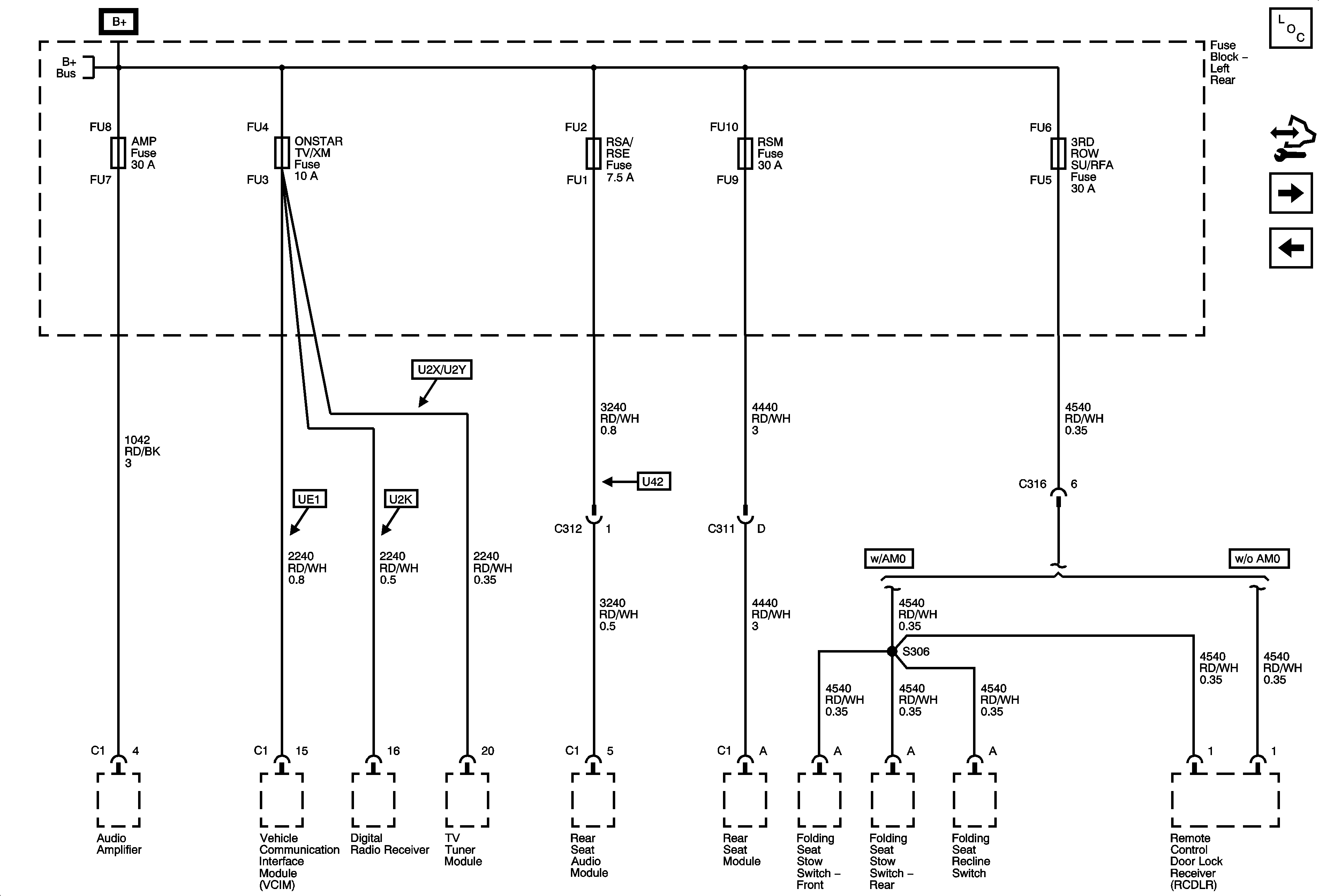
3RD ROW SU/RFA Fuse, AMP Fuse, ONSTAR TV/XM Fuse, RSA/RSE Fuse, and RSM Fuse


Object Number: 1749945  Size: FS
Master Electrical Component List
Control Module References
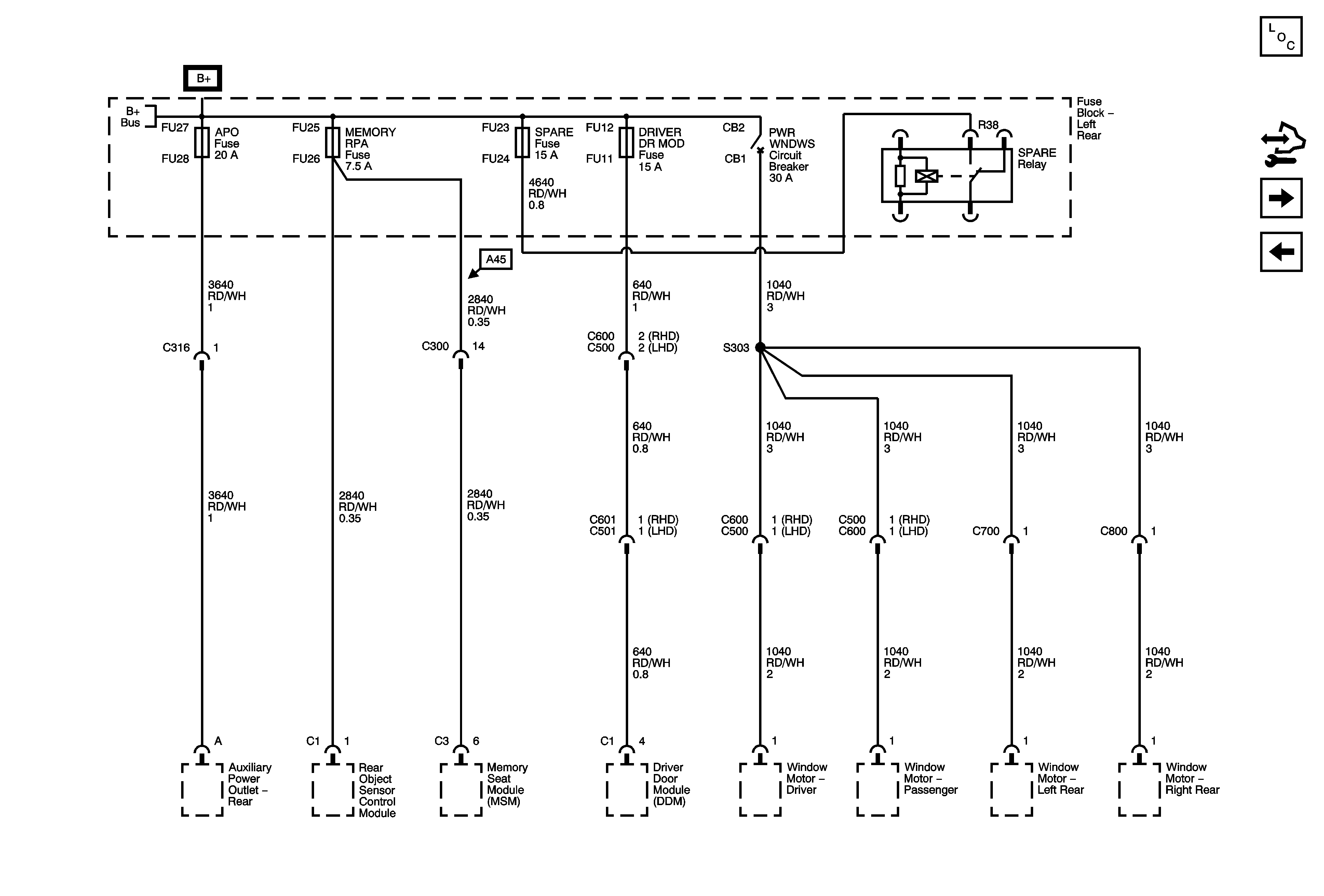
APO Fuse, DRIVER DR MOD Fuse, MEMORY RPA Fuse, and PWR WNDWS Fuse
AUX OUTLET Fuse, BLWR Relay, CIG Fuse, DISPLAY Fuse, ECM BATT Fuse, and TCM BATT Fuse
Left Rear Fuse Block B+ Bus
Figure 16:

APO Fuse, DRIVER DR MOD Fuse, MEMORY RPA Fuse, and PWR WNDWS Circuit Breaker


Object Number: 1749948  Size: FS
Master Electrical Component List
Control Module References
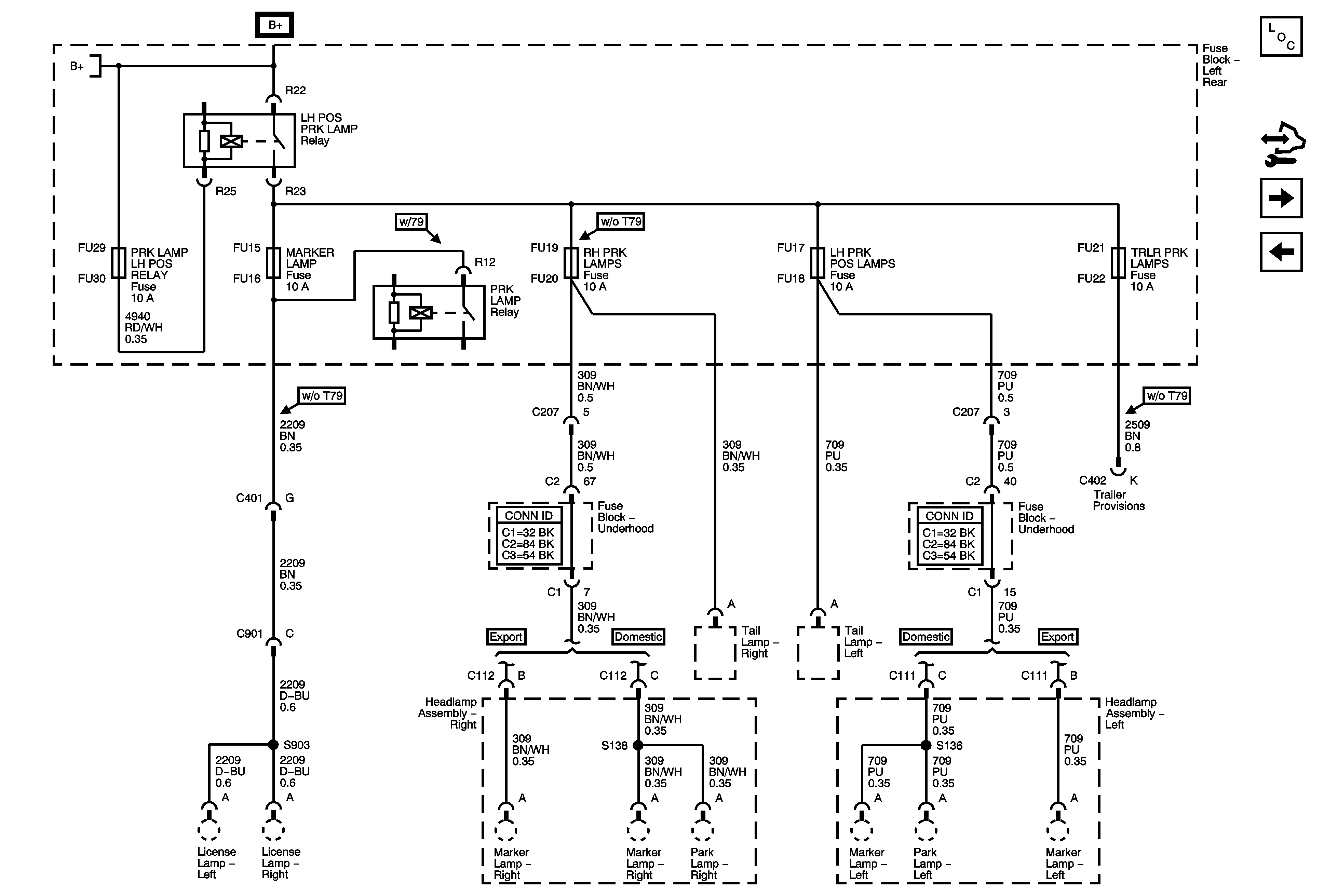
LH PRK POS LAMPS Fuse, MARKER LAMP Fuse, PRK LAMP LH POS RELAY Fuse, RH PRK LAMPS Fuse, and TRLR PRK LAMPS Fuse
3RD ROW SW/RFA Fuse, AMP Fuse, ONSTAR TV/XM Fuse, RSA/RSE Fuse, and RSM Fuse
Left Rear Fuse Block B+ Bus
Figure 17:

LH PRK POS LAMPS Fuse, MARKER LAMP Fuse, PRK LAMP LH POS RELAY Fuse, RH PRK LAMPS Fuse, and TRLR PRK LAMPS Fuse


Object Number: 1826090  Size: FS
Master Electrical Component List
Control Module References
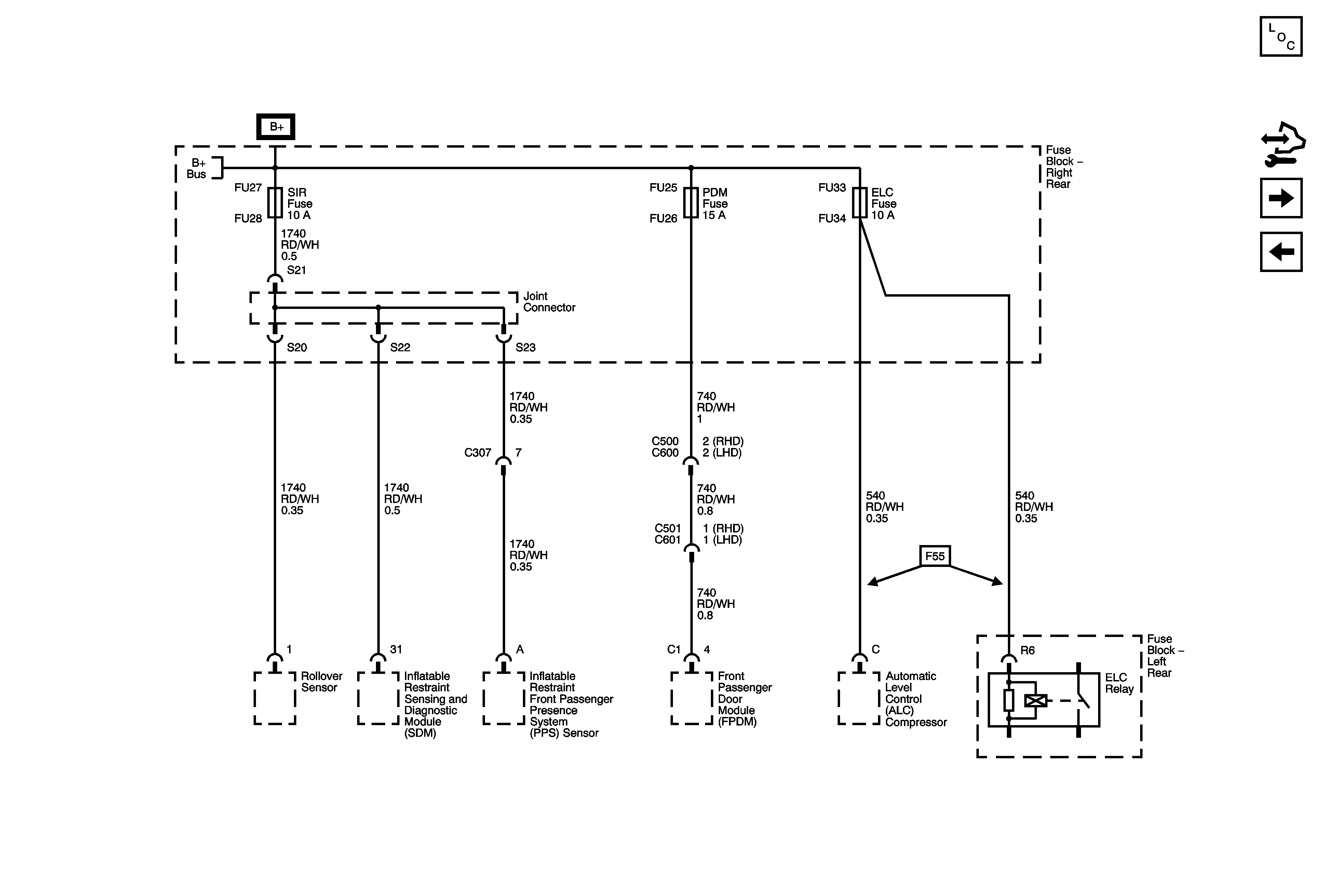
ELC Fuse, PDM Fuse, and SIR Fuse
APO Fuse, DRIVER DR MOD Fuse, MEMORY RPA Fuse, and PWR WNDWS Fuse
Left Rear Fuse Block B+ Bus
Figure 18:

ELC Fuse, PDM Fuse, and SIR Fuse


Object Number: 1826092  Size: FS
Master Electrical Component List
Control Module References
BCM 3 Fuse, CANISTER VENT Fuse, MRRTD Fuse, PLG Fuse, and PWR LIFT GATE Fuse
LH PRK POS LAMPS Fuse, MARKER LAMP Fuse, PRK LAMP LH POS RELAY Fuse, RH PRK LAMPS Fuse, and TRLR PRK LAMPS Fuse
Right Rear Fuse Block B+ Bus
Figure 19:

BCM 3 Fuse, CANISTER VENT Fuse, MRRTD Fuse, PLG Fuse, and PWR LIFT GATE Fuse


Object Number: 1826094  Size: FS
Master Electrical Component List
Control Module References
PWR SEATS Circuit Breaker, SUNROOF MOD Fuse, THEFT VGDO/RFA Fuse
ELC Fuse, PDM Fuse, and SIR Fuse
Right Rear Fuse Block B+ Bus
Figure 20:

PWR SEATS Circuit Breaker, SUNROOF MOD Fuse, and THEFT VGDO/RFA Fuse


Object Number: 1826095  Size: FS
Master Electrical Component List
Control Module References
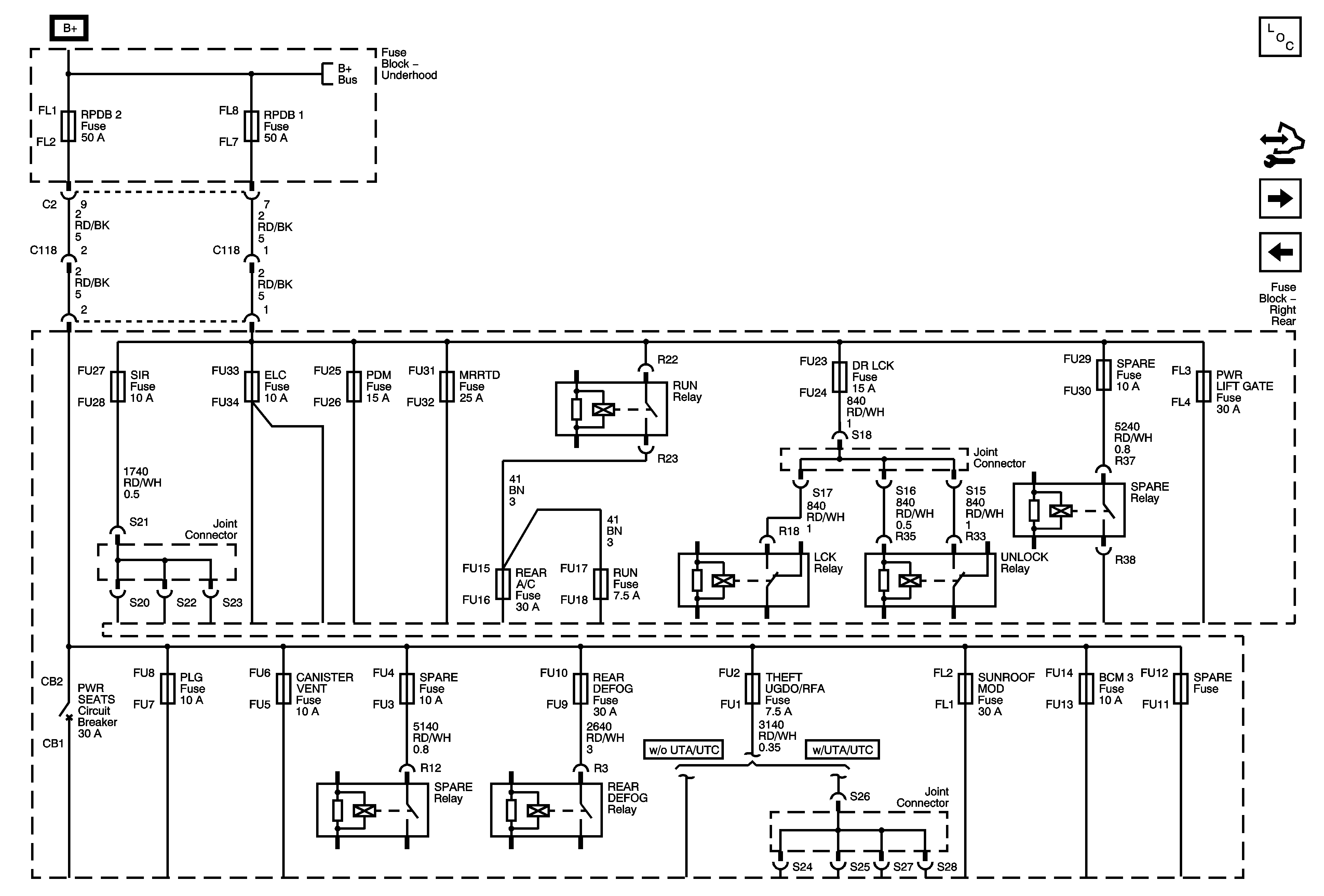
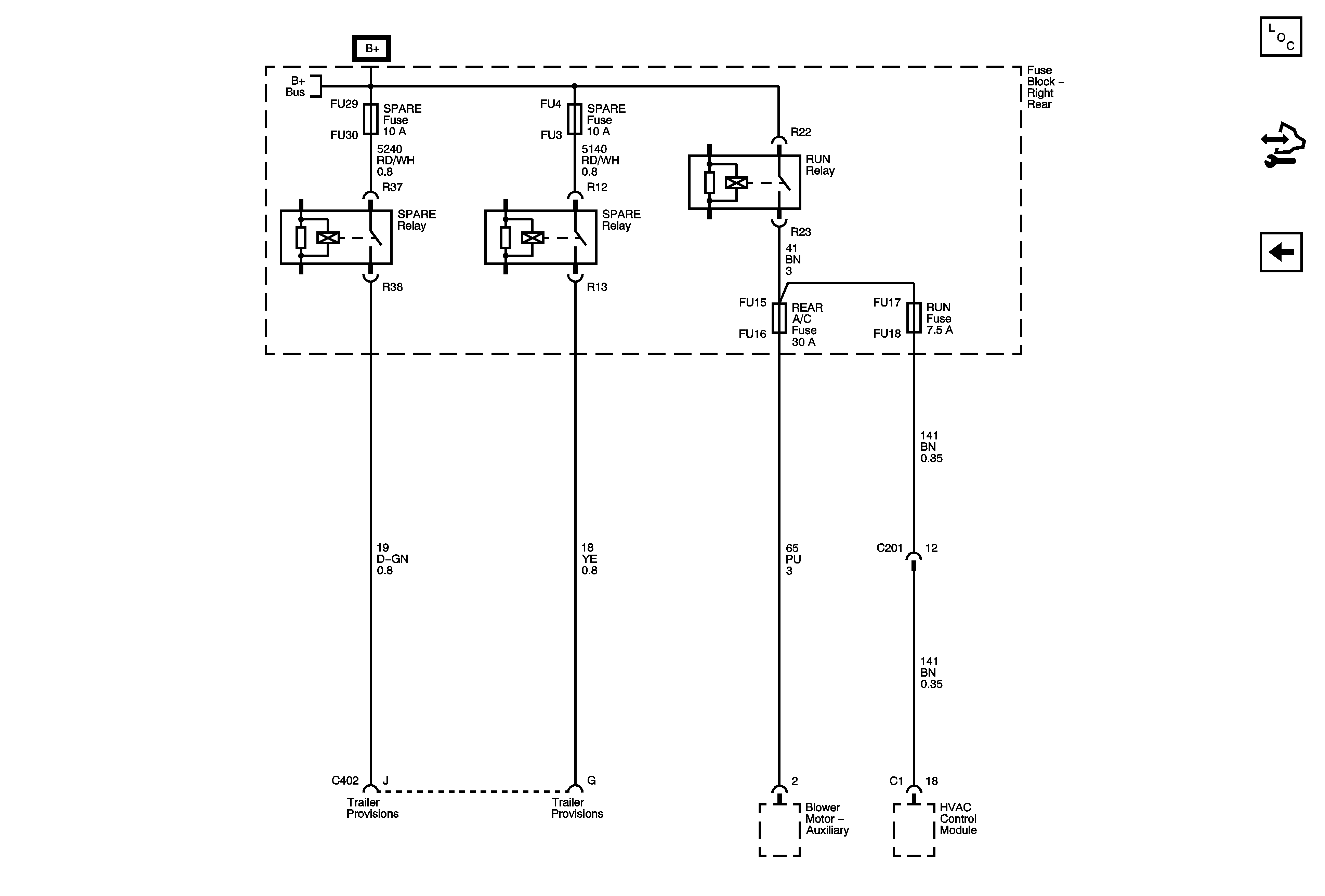
REAR A/C Fuse, RUN Fuse, RUN Relay, and Trailer Provision Fuses and Relays
BCM 3 Fuse, CANISTER VENT Fuse, MRRTD Fuse, PLG Fuse, and PWR LIFT GATE Fuse
Right Rear Fuse Block B+ Bus
Figure 21:

REAR A/C Fuse, RUN Fuse, RUN Relay, and Trailer Provision Fuses and Relays


Object Number: 1826097  Size: FS
Master Electrical Component List
Control Module References
PWR SEATS Circuit Breaker, SUNROOF MOD Fuse, THEFT VGDO/RFA Fuse
Right Rear Fuse Block B+ Bus