GM Service Manual Online
For 1990-2009 cars only
Makes
🢒
Cadillac
🢒
2007
🢒
SRX
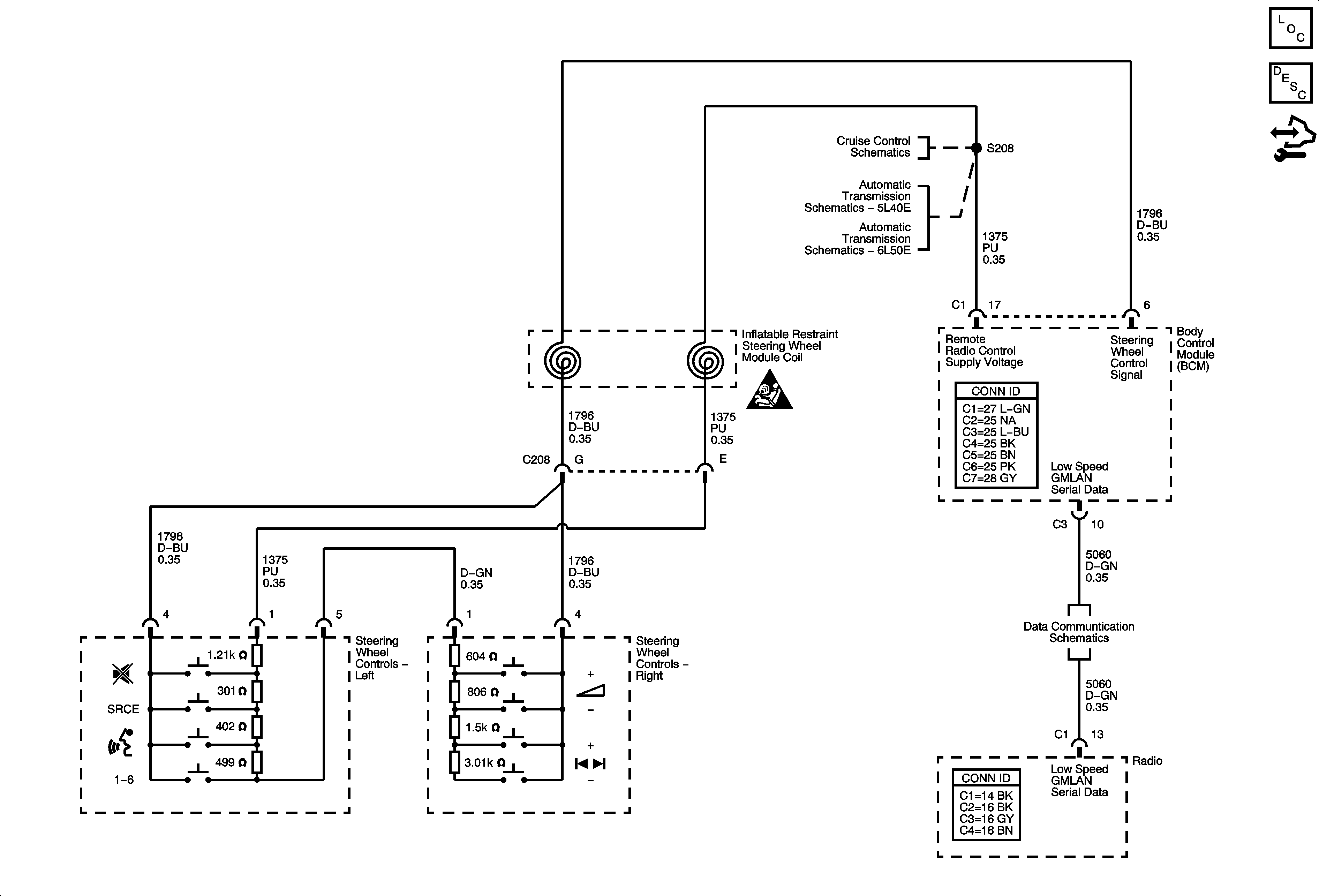
🢒 Steering Wheel Controls Schematic
Steering Wheel Controls Schematic
Master Electrical Component List
Steering Wheel Controls Description and Operation
Control Module References
Cruise Control Schematics
Tap Shift System
Tap Shift System
Secondary/Configurable Control Schematic Icons
Low Speed GMLAN Serial Data 1 of 2